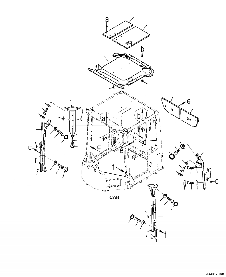
Запчасти Komatsu WA500-7 K-A КАБИНА ROPS КРЫША COVER OPERATORXD S ОБСТАНОВКА И СИСТЕМА УПРАВЛЕНИЯ

Схема запчастей Komatsu WA500-7 - K-A КАБИНА ROPS КРЫША COVER OPERATORXD S ОБСТАНОВКА И СИСТЕМА УПРАВЛЕНИЯ
10
11
9
7
8
11
9
7
8
5
15
14
16
17
18
15
14
16
19
12
16
14
15
22
20
21
2
3
1
4
4
13
19
16
22
8
7
9
10
11
11
6
15
14
16
19
9
7
8
15
14
FIT
1:1
100%

Артикул

Название

Примечание

Количество

1

423-926-5480

ROOF

1шт.

2

423-926-5710

SHEET

1шт.

3

423-926-5810

SHEET

1шт.

4

423-56-21910

BUTTON

10шт.

5

423-925-5810

COVER

1шт.

6

423-925-5820

COVER

1шт.

7

01240-00616

SCREW

11шт.

8

423-925-5860

CAP

11шт.

9

423-925-5851

WASHER

11шт.

10

423-926-5230

SEAL

2шт.

11

423-926-5310

SEAL

6шт.

12

423-925-5830

COVER

1шт.

13

423-925-5840

COVER

1шт.

14

01240-00616

SCREW

7шт.

15

423-925-5860

CAP

7шт.

16

423-925-5851

WASHER

7шт.

17

205-54-51250

HANGER

1шт.

18

01224-70416

SCREW, PHILIPS HEAD

2шт.

19

423-926-5220

SEAL

4шт.

20

423-926-5680

SHEET

1шт.

21

423-926-5690

SHEET

1шт.

22

421-926-5960

FASTENER

2шт.

Выбрано товаров: 22