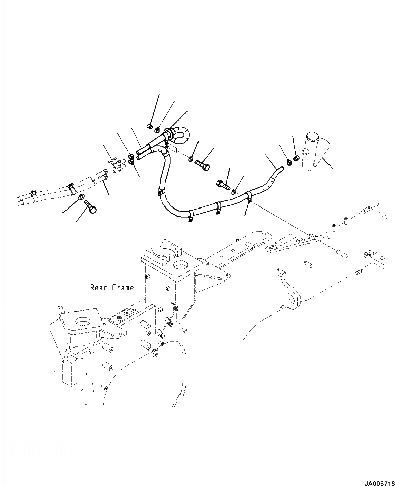
Запчасти Komatsu WA500-7 K7-A ГИДР. ПРОВОД. ОБОГРЕВАТЕЛЯ OPERATORXD S ОБСТАНОВКА И СИСТЕМА УПРАВЛЕНИЯ

Схема запчастей Komatsu WA500-7 - K7-A ГИДР. ПРОВОД. ОБОГРЕВАТЕЛЯ OPERATORXD S ОБСТАНОВКА И СИСТЕМА УПРАВЛЕНИЯ
10
11
15
4
4
14
1
3
4
12
7
6
8
9
5
2
4
3
13
FIT
1:1
100%

Артикул

Название

Примечание

Количество

1

425-S62-4210

HOSE

1шт.

2

425-S62-4220

HOSE

1шт.

3

424-07-11370

TUBE

2шт.

4

09479-02400

CLIP

4шт.

5

04434-53411

CLIP

8шт.

6

01010-81025

BOLT

2шт.

7

01643-31032

WASHER

2шт.

8

01010-81020

BOLT

4шт.

9

01643-31032

WASHER

4шт.

10

01010-81030

BOLT

1шт.

11

01643-31032

WASHER

1шт.

12

08037-13550

GROMMET

1шт.

13

TUBE ( SEE FIG. C0110-14A0 )

-1шт.

14

BRACKET ( SEE FIG. H0110-03A0 ) OR ( SEE FIG. H0110-03A1 )

-1шт.

15

HOSE ( SEE FIG. K0210-19A0 )

-1шт.

Выбрано товаров: 15