Запчасти Komatsu WA500-7 K7-A ТОРМОЗ. COMPONENT КОРПУС ТОРМОЗ. АККУМУЛЯТОР КРЕПЛЕНИЕ OPERATORXD S ОБСТАНОВКА И СИСТЕМА УПРАВЛЕНИЯ

Схема запчастей Komatsu WA500-7 - K7-A ТОРМОЗ. COMPONENT КОРПУС ТОРМОЗ. АККУМУЛЯТОР КРЕПЛЕНИЕ OPERATORXD S ОБСТАНОВКА И СИСТЕМА УПРАВЛЕНИЯ
1
2
3
4
5
6
7
3
4
1
5
6
7
14
16
15
16
15
14
2
12
11
13
13
11
12
9
10
9
10
10
9
8
8
FIT
1:1
100%

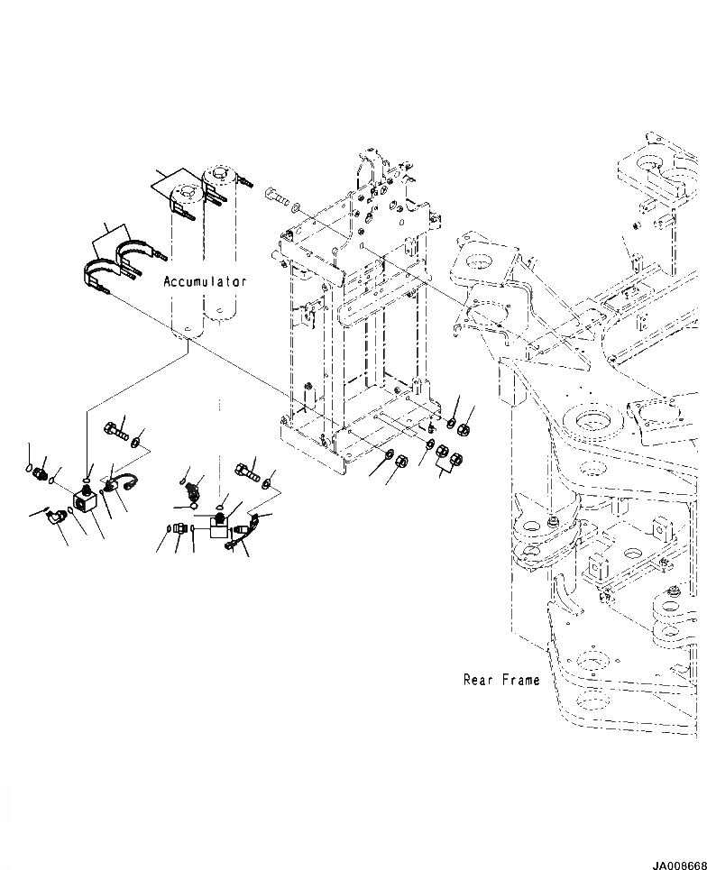
Артикул

Название

Примечание

Количество

1

425-43-48390

TEE

2шт.

2

07002-62034

O-RING

2шт.

3

02782-10425

ELBOW

2шт.

4

07002-62434

O-RING

2шт.

5

02896-61012

O-RING

2шт.

6

421-43-32912

SWITCH, PRESSURE

2шт.

7

07002-61423

O-RING

2шт.

8

421-43-22360

BAND

4шт.

9

01643-31232

WASHER

8шт.

10

421-40-12440

NUT

12шт.

11

02781-00628

UNION

2шт.

12

07002-62434

O-RING

2шт.

13

02896-61018

O-RING

2шт.

14

04434-50610

CLIP

2шт.

15

01010-81020

BOLT

2шт.

16

01643-31032

WASHER

2шт.

Выбрано товаров: 16