Запчасти Komatsu WA500-7 K7-A ТОРМОЗ. COMPONENT КОРПУС ЗАГРУЗОЧН. КЛАПАН ТРУБЫ OPERATORXD S ОБСТАНОВКА И СИСТЕМА УПРАВЛЕНИЯ

Схема запчастей Komatsu WA500-7 - K7-A ТОРМОЗ. COMPONENT КОРПУС ЗАГРУЗОЧН. КЛАПАН ТРУБЫ OPERATORXD S ОБСТАНОВКА И СИСТЕМА УПРАВЛЕНИЯ
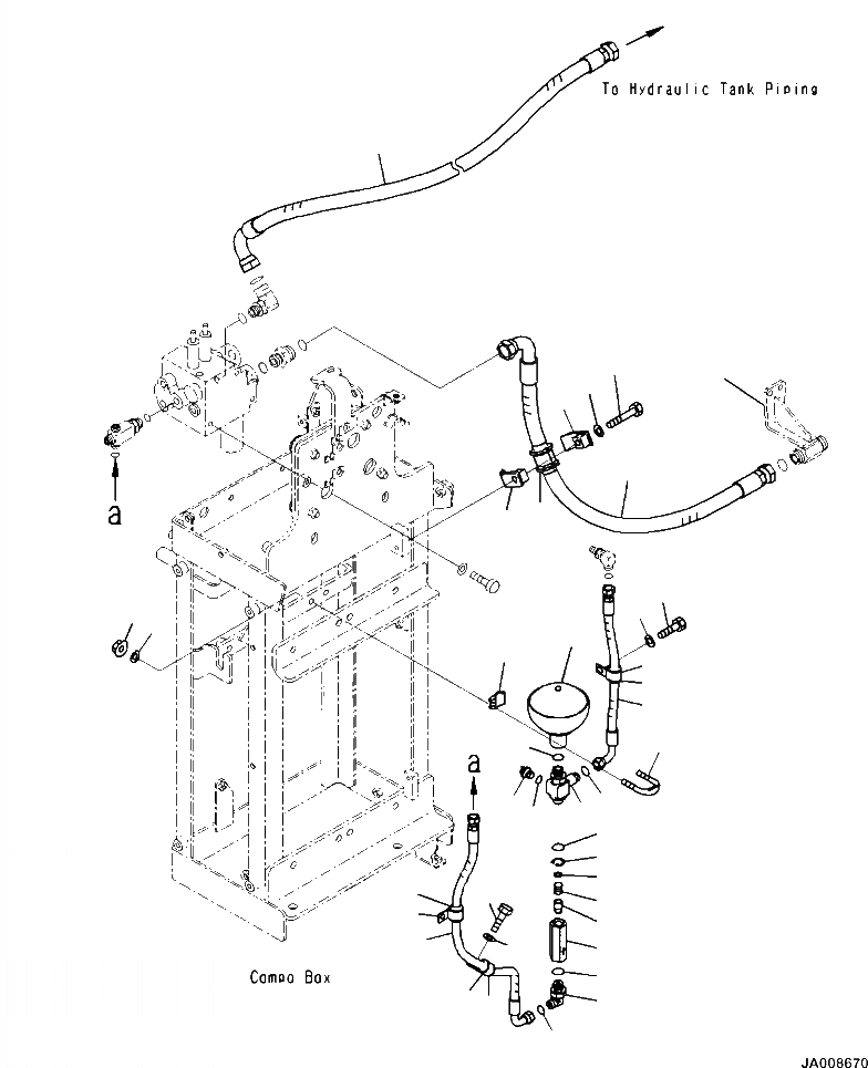
30
31
28
29
26
25
27
26
23
24
21
22
20
3
1
4
7
8
2
10
9
22
21
19
23
24
22
21
18
16
17
12
13
14
15
11
7
6
5
FIT
1:1
100%

Артикул

Название

Примечание

Количество

1

425-62-23750

ACCUMULATOR

1шт.

2

423-43-37520

TEE

1шт.

3

07283-33450

U-BOLT

1шт.

4

07283-53444

SEAT

1шт.

5

01643-31032

WASHER

2шт.

6

01597-01009

NUT

2шт.

7

07002-62034

O-RING

2шт.

8

02896-61009

O-RING

1шт.

9

423-62-52290

PLUG

1шт.

10

07002-61023

O-RING

1шт.

|$10

205-60-64300

VALVE ASSEMBLY, CHECK

1шт.

11

04065-01410

RING

1шт.

12

205-60-64290

BODY

1шт.

13

205-60-51390

POPPET

1шт.

14

205-60-51410

SPRING

1шт.

15

205-60-51420

SEAT

1шт.

16

02782-10315

ELBOW

1шт.

17

07002-62034

O-RING

1шт.

18

02896-61009

O-RING

1шт.

19

425-43-48950

HOSE

1шт.

20

425-43-49130

HOSE

1шт.

21

04434-52110

CLIP

3шт.

22

07095-20314

CUSHION

3шт.

23

01010-81025

BOLT

2шт.

24

01643-31032

WASHER

2шт.

25

425-03-48280

HOSE

1шт.

26

425-62-42640

CLAMP

2шт.

27

07095-00628

CUSHION

1шт.

28

01010-81275

BOLT

1шт.

29

01643-31232

WASHER

1шт.

30

425-43-44790

HOSE

1шт.

31

BRACKET (SEE FIG. H2260-01A0 )

-1шт.

Выбрано товаров: 32