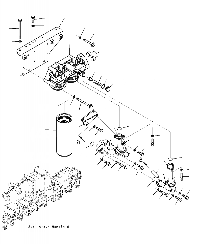
Запчасти Komatsu WA500-7 A9-AA МАСЛ. ФИЛЬТР ДВИГАТЕЛЬ

Схема запчастей Komatsu WA500-7 - A9-AA МАСЛ. ФИЛЬТР ДВИГАТЕЛЬ
1
4
14
2
12
6
3
11
8
10
9
7
14
13
23
25
16
15
18
31
25
33
17
38
37
20
32
25
24
19
34
22
31
27
33
21
29
26
32
28
36
35
25
27
26
29
30
28
30
5
FIT
1:1
100%

Артикул

Название

Примечание

Количество

1

6262-51-5830

BRACKET

1шт.

2

01011-81095

BOLT

2шт.

3

01643-31032

WASHER

2шт.

4

01010-81030

BOLT

4шт.

5

01643-31032

WASHER

4шт.

|$5

6261-51-6601

HEAD ASSEMBLY, OIL FILTER

1шт.

6

6261-51-6611

HEAD

1шт.

7

6217-51-5660

CAP

1шт.

8

6162-55-5230

VALVE

1шт.

9

6162-53-5430

PACKING

1шт.

10

600-211-1890

SPRING

1шт.

11

6261-51-6620

PLUG

2шт.

12

01011-81000

BOLT

3шт.

13

01011-81045

BOLT

3шт.

14

01643-31032

WASHER

6шт.

15

600-211-1340

FILTER

2шт.

16

6262-51-5650

BRACKET

1шт.

17

01010-81030

BOLT

2шт.

18

01643-31032

WASHER

2шт.

19

6261-51-5180

FLANGE

1шт.

20

07000-73038

O-RING

2шт.

21

01010-81050

BOLT

2шт.

22

01643-31032

WASHER

2шт.

23

6262-51-5610

TUBE

1шт.

24

6262-51-5620

TUBE

1шт.

25

07000-73034

O-RING

4шт.

26

01010-81055

BOLT

2шт.

27

01643-31032

WASHER

2шт.

28

01010-81025

BOLT

2шт.

29

01643-31032

WASHER

2шт.

30

01010-81030

BOLT

4шт.

31

01643-31032

WASHER

4шт.

32

6261-51-5751

CUSHION

2шт.

33

6165-61-6770

CLIP

2шт.

34

6211-11-9790

SPACER

1шт.

35

01010-81085

BOLT

1шт.

36

01643-31032

WASHER

1шт.

37

01010-81025

BOLT

1шт.

38

01643-31032

WASHER

1шт.

Выбрано товаров: 39