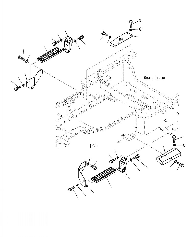
Запчасти Komatsu WA500-7 M-8A ЗАДН. ЛЕСТНИЦА ЧАСТИ КОРПУСА

Схема запчастей Komatsu WA500-7 - M-8A ЗАДН. ЛЕСТНИЦА ЧАСТИ КОРПУСА
15
20
19
4
5
16
19
6
17
20
18
14
18
17
2
1
13
12
13
12
3
10
2
11
8
9
7
11
10
FIT
1:1
100%

Артикул

Название

Примечание

Количество

1

425-54-42410

COVER, L.H.

1шт.

2

01010-D1225

BOLT

3шт.

3

01643-71232

WASHER

3шт.

4

425-54-42420

COVER, R.H.

1шт.

5

01010-D1225

BOLT

4шт.

6

01643-71232

WASHER

4шт.

7

425-54-42540

BRACKET, L.H.

1шт.

8

425-54-42550

BRACKET, L.H.

1шт.

9

423-54-54781

STEP, L.H.

1шт.

10

01010-D1030

BOLT

4шт.

11

01643-71032

WASHER

4шт.

12

01010-D1225

BOLT

4шт.

13

01643-71232

WASHER

4шт.

14

425-54-42560

BRACKET, R.H.

1шт.

15

425-54-42570

BRACKET, R.H.

1шт.

16

423-54-54781

STEP, R.H.

1шт.

17

01010-D1030

BOLT

4шт.

18

01643-71032

WASHER

4шт.

19

01010-D1225

BOLT

4шт.

20

01643-71232

WASHER

4шт.

Выбрано товаров: 20