Запчасти Komatsu WA500-7 A7-AA KOMATSU ЗАКРЫТ.D CRANKКОРПУС ВЕНТИЛЯТОР (KCCV) САПУН ДВИГАТЕЛЬ

Схема запчастей Komatsu WA500-7 - A7-AA KOMATSU ЗАКРЫТ.D CRANKКОРПУС ВЕНТИЛЯТОР (KCCV) САПУН ДВИГАТЕЛЬ
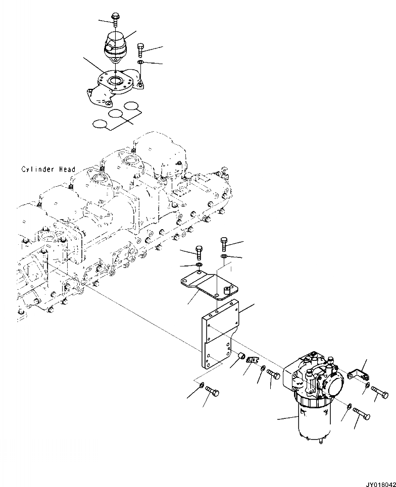
22
21
23
24
20
9
8
11
10
13
12
14
15
16
19
18
17
2
4
3
5
6
1
7
FIT
1:1
100%

Артикул

Название

Примечание

Количество

1

6262-21-7510

CONNECTOR

1шт.

2

07000-72060

O-RING

3шт.

3

01010-81035

BOLT

4шт.

4

01643-31032

WASHER

4шт.

5

6212-25-8710

BREATHER

1шт.

6

01435-01025

BOLT

2шт.

7

6262-11-2330

PLATE

1шт.

8

01010-81035

BOLT

4шт.

9

01643-31032

WASHER

4шт.

10

6218-81-8430

CLAMP

1шт.

11

6631-11-5630

SPACER

1шт.

12

01010-81035

BOLT

1шт.

13

01643-31032

WASHER

1шт.

14

600-331-1110

FILTER, VENTILATOR

1шт.

N/I

600-331-1900

ELEMENT KIT, VENTILATOR

1шт.

15

01010-81070

BOLT

3шт.

16

01643-31032

WASHER

3шт.

17

6262-81-8560

BRACKET

1шт.

18

01010-81080

BOLT

1шт.

19

01643-31032

WASHER

1шт.

20

6262-11-2340

BRACKET

1шт.

21

01010-81225

BOLT

2шт.

22

01643-31232

WASHER

2шт.

23

01010-81235

BOLT

1шт.

24

01643-31232

WASHER

1шт.

Выбрано товаров: 25