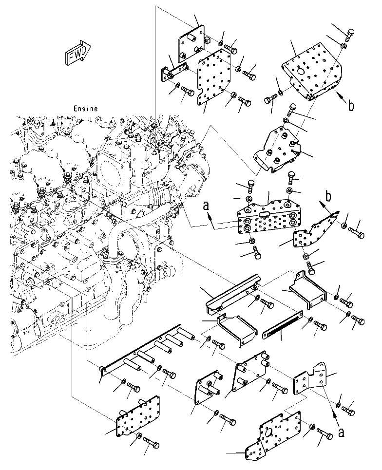
Запчасти Komatsu WA500-7 A-AA ДВИГАТЕЛЬ ТЕРМОЗАЩИТАS ДВИГАТЕЛЬ

Схема запчастей Komatsu WA500-7 - A-AA ДВИГАТЕЛЬ ТЕРМОЗАЩИТАS ДВИГАТЕЛЬ
48
28
50
29
27
49
51
57
55
31
53
52
57
30
54
56
25
26
24
36
37
35
38
38
41
40
41
38
39
40
37
23
6
22
18
8
7
15
20
17
19
16
21
23
22
32
5
34
1
4
33
3
14
12
2
13
9
11
10
45
44
47
43
42
46
FIT
1:1
100%

Артикул

Название

Примечание

Количество

1

6262-11-8710

BRACKET

1шт.

2

01010-81045

BOLT

1шт.

3

01643-31032

WASHER

1шт.

4

01010-81025

BOLT

2шт.

5

01643-31032

WASHER

2шт.

6

6262-11-8540

BRACKET

1шт.

7

01010-81035

BOLT

2шт.

8

01643-31032

WASHER

2шт.

9

6262-11-8740

BRACKET

1шт.

10

01010-81020

BOLT

2шт.

11

01643-31032

WASHER

2шт.

12

6262-11-8750

BRACKET

1шт.

13

01010-81020

BOLT

3шт.

14

01643-31032

WASHER

3шт.

15

6262-11-8640

BRACKET

1шт.

16

01010-81020

BOLT

2шт.

17

01643-31032

WASHER

2шт.

18

6262-11-8630

BRACKET

1шт.

19

01010-81020

BOLT

3шт.

20

01643-31032

WASHER

3шт.

21

6262-11-8650

BRACKET

1шт.

22

01010-81020

BOLT

2шт.

23

01643-31032

WASHER

2шт.

24

6262-11-8810

BRACKET

1шт.

25

01010-E1020

BOLT

4шт.

26

01643-31032

WASHER

4шт.

27

6262-11-8820

COVER

1шт.

28

01010-E1045

BOLT

4шт.

29

6262-11-8880

SPACER

4шт.

30

01010-81020

BOLT

3шт.

31

01643-31032

WASHER

3шт.

32

6262-11-8860

BRACKET

1шт.

33

01010-81025

BOLT

2шт.

34

01643-31032

WASHER

2шт.

35

6262-11-8830

COVER

1шт.

36

01010-E1030

BOLT

1шт.

37

01010-E1035

BOLT

3шт.

38

6262-11-8880

SPACER

4шт.

39

6262-11-8690

COVER

1шт.

40

01010-E1045

BOLT

4шт.

41

6262-11-8880

SPACER

4шт.

42

6262-11-8680

COVER

1шт.

43

01010-E1030

BOLT

7шт.

44

6262-11-8880

SPACER

7шт.

45

6262-11-8670

COVER

1шт.

46

01010-E1060

BOLT

4шт.

47

6262-11-8880

SPACER

4шт.

48

6262-11-8760

BRACKET

1шт.

49

01010-E1025

BOLT

4шт.

50

01643-31032

WASHER

4шт.

51

6262-11-8780

BRACKET

1шт.

52

01010-81020

BOLT

2шт.

53

01643-31032

WASHER

2шт.

54

6262-11-8770

COVER

1шт.

55

01010-E1045

BOLT

2шт.

56

01010-E1025

BOLT

2шт.

57

6262-11-8880

SPACER

4шт.

Выбрано товаров: 57