Запчасти Komatsu WA500-7 ГИДРОТРАНСФОРМАТОР И ТРАНСМИССИЯ, ECMV КЛАПАН ГИДРОТРАНСФОРМАТОР И ТРАНСМИССИЯ

Схема запчастей Komatsu WA500-7 - ГИДРОТРАНСФОРМАТОР И ТРАНСМИССИЯ, ECMV КЛАПАН ГИДРОТРАНСФОРМАТОР И ТРАНСМИССИЯ
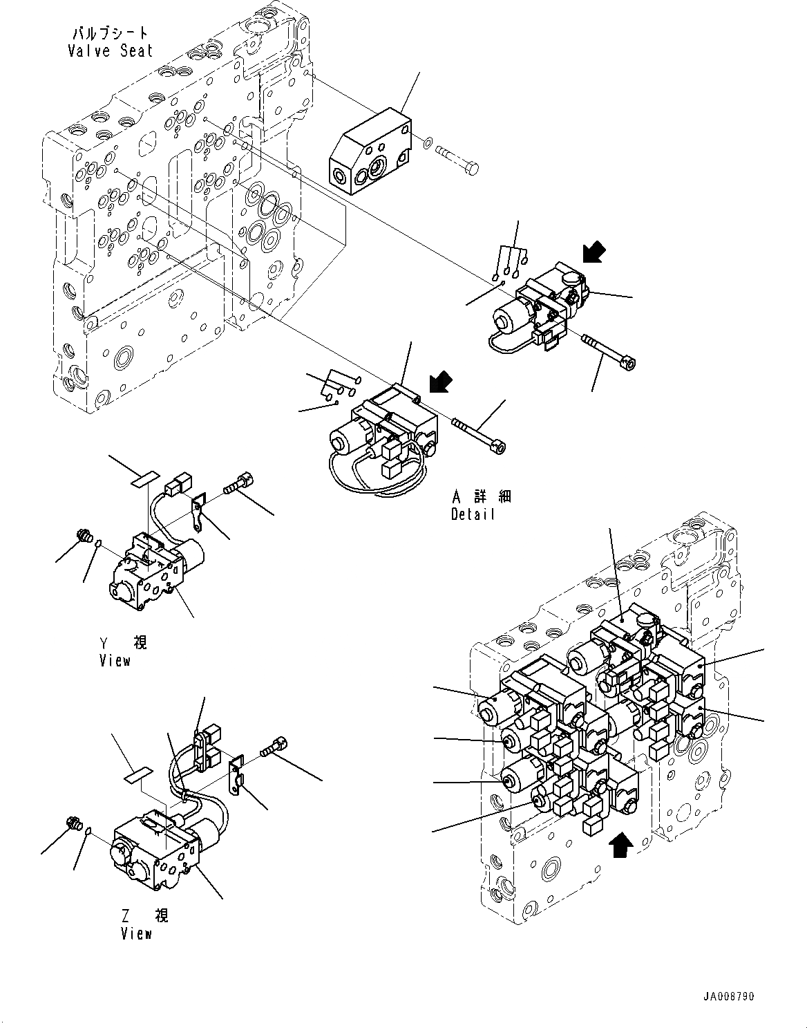
1
8
9
16
19
18
17
7
1
4
5
6
2
3
18
17
10
10
13
11
12
14
15
1
10
1
1
1
1
1
A
Y
Z
A
Y
Z
FIT
1:1
100%

Артикул

Название

Примечание

Количество

|$0

425-15-41010

Transmission Assembly

SN: H62051-UP

1шт.

|$1

425-15-45010

Valve Assembly

SN: H62051-UP

1шт.

1

425-15-45200

Ecmv Group

SN: H62051-UP

6шт.

2

01252-90510

Bolt

SN: H62051-UP

4шт.

3

714-23-15690

Bracket

SN: H62051-UP

1шт.

4

708-8E-16150

Plug

SN: H62051-UP

1шт.

5

07002-61023

O-Ring, (Kit : K03)

SN: H62051-UP

1шт.

6

700-11-31940

Plate, Name (Limited Supply)

SN: H62051-UP

1шт.

7

08034-00310

Band, White

SN: H62051-UP

1шт.

8

01252-A0650

Bolt

SN: H62051-UP

24шт.

9

08034-20519

Band

SN: H62051-UP

1шт.

10

56D-15-35800

Ecmv Assembly

SN: H62051-UP

1шт.

11

01252-90510

Bolt

SN: H62051-UP

4шт.

12

425-15-35330

Bracket

SN: H62051-UP

1шт.

13

700-11-31940

Plate, Name (Limited Supply)

SN: H62051-UP

1шт.

14

708-8E-16150

Plug

SN: H62051-UP

1шт.

15

07002-61023

O-Ring, (Kit : K03)

SN: H62051-UP

1шт.

16

01252-A0650

Bolt

SN: H62051-UP

4шт.

17

07000-72015

O-Ring, (Kit : K03)

SN: H62051-UP

28шт.

18

07000-71007

O-Ring, (Kit : K03)

SN: H62051-UP

7шт.

19

425-15-45150

Block

SN: H62051-UP

1шт.

Выбрано товаров: 21