Запчасти Komatsu WA500-7 ГИДР. НАСОС., ПОГРУЗ. НАСОС (/8) ГИДР. НАСОС.

Схема запчастей Komatsu WA500-7 - ГИДР. НАСОС., ПОГРУЗ. НАСОС (/8) ГИДР. НАСОС.
2
2
9
2
2
2
5
3
4
6
8
10
7
7
8
1
12
11
5
5
FIT
1:1
100%

Артикул

Название

Примечание

Количество

|$0

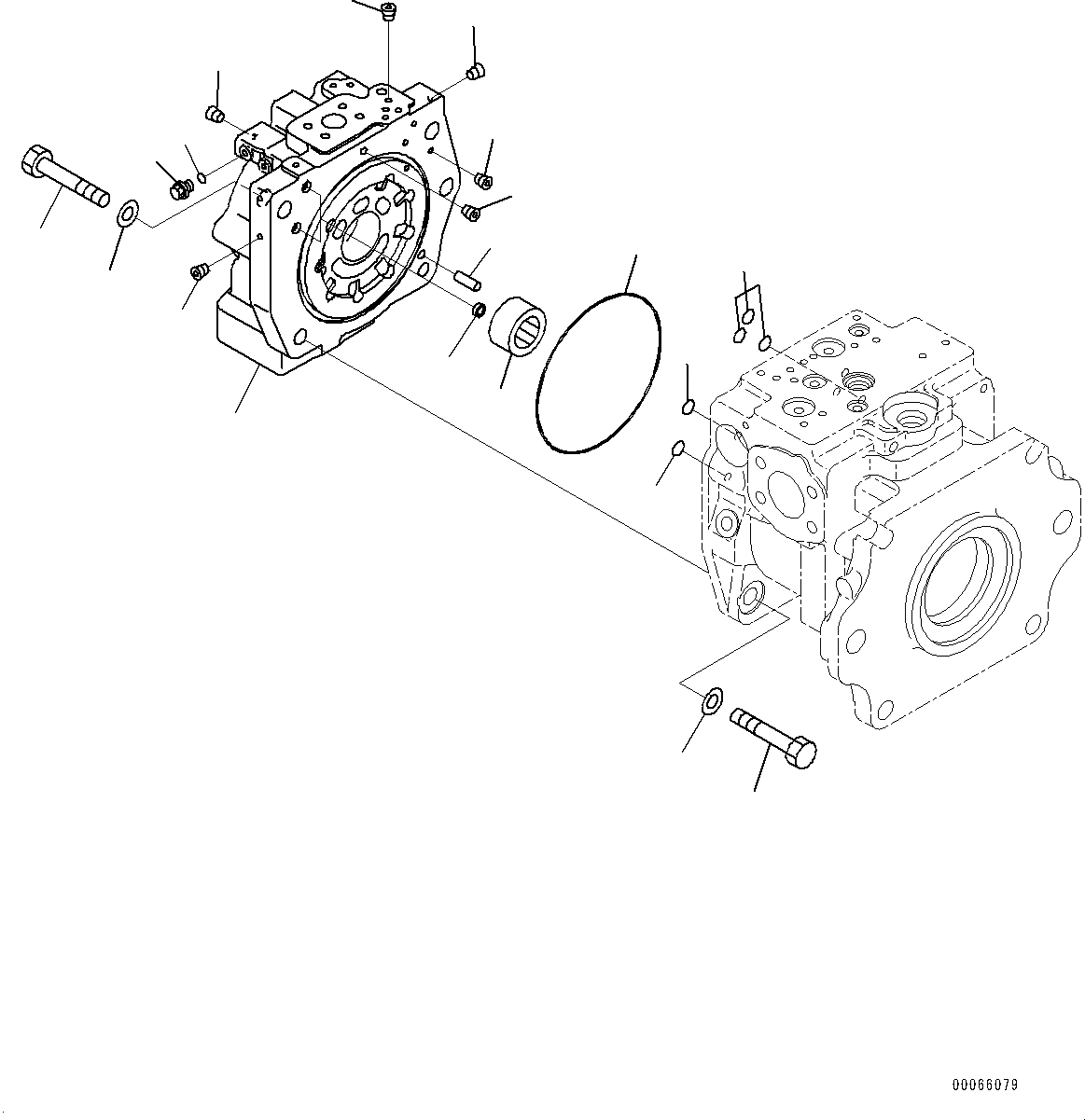
708-1H-00040

Pump Assembly

SN: H62051-UP

1шт.

|$1

708-1H-01040

Pump Subassembly

SN: H62051-UP

1шт.

|$2

708-1H-04610

Cap Assembly

SN: H62051-UP

1шт.

1

Cap

SN: H62051-UP

1шт.

2

Plug

SN: H62051-UP

19шт.

3

708-2H-12430

Bearing

SN: H62051-UP

1шт.

4

07000-A5190

O-Ring

SN: H62051-UP

1шт.

5

07000-B2012

O-Ring

SN: H62051-UP

5шт.

6

04020-01434

Pin, Dowel

SN: H62051-UP

1шт.

7

01010-61860

Bolt

SN: H62051-UP

5шт.

8

01643-31845

Washer

SN: H62051-UP

5шт.

9

708-1L-29340

Orifice

SN: H62051-UP

1шт.

10

708-2L-25480

Filter

SN: H62051-UP

2шт.

11

708-8E-16150

Plug

SN: H62051-UP

1шт.

12

07002-61023

O-Ring

SN: H62051-UP

1шт.

Выбрано товаров: 15