Запчасти Komatsu WA500-7 ГИДРОЛИНИЯ, С 2-Х СЕКЦИОНН. УПРАВЛЯЮЩ. КЛАПАН, ECSS, ВОЗВРАТ. ТРУБЫ, ПЕРЕДН. ГИДРОЛИНИЯ, С 2-Х СЕКЦИОНН. УПРАВЛЯЮЩ. КЛАПАН, ECSS

Схема запчастей Komatsu WA500-7 - ГИДРОЛИНИЯ, С 2-Х СЕКЦИОНН. УПРАВЛЯЮЩ. КЛАПАН, ECSS, ВОЗВРАТ. ТРУБЫ, ПЕРЕДН. ГИДРОЛИНИЯ, С 2-Х СЕКЦИОНН. УПРАВЛЯЮЩ. КЛАПАН, ECSS
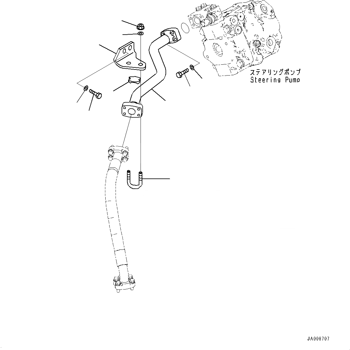
6
7
9
8
5
6
11
2
3
4
1
10
14
17
18
15
16
17
20
19
13
12
FIT
1:1
100%

Артикул

Название

Примечание

Количество

1

425-62-43880

Tube

SN: H62051-UP

1шт.

2

07000-B2055

O-Ring

SN: H62051-UP

1шт.

3

07372-21240

Bolt

SN: H62051-UP

4шт.

4

01643-51232

Washer

SN: H62051-UP

4шт.

5

425-62-33282

Hose

SN: H62051-UP

1шт.

6

07000-B3048

O-Ring

SN: H62051-UP

2шт.

7

07371-31465

Flange

SN: H62051-UP

4шт.

8

07372-21240

Bolt

SN: H62051-UP

8шт.

9

01643-51232

Washer

SN: H62051-UP

8шт.

10

07283-54353

Seat

SN: H62051-UP

1шт.

11

07283-34354

Clip, Pipe

SN: H62051-UP

1шт.

12

01643-31032

Washer

SN: H62051-UP

2шт.

13

01597-01009

Nut

SN: H62051-UP

2шт.

14

425-62-33981

Plate

SN: H62051-UP

1шт.

15

417-54-12260

Spacer

SN: H62051-UP

2шт.

16

417-62-13620

Cushion

SN: H62051-UP

2шт.

17

419-43-17920

Washer

SN: H62051-UP

4шт.

18

419-43-17930

Cushion

SN: H62051-UP

2шт.

19

01010-81255

Bolt

SN: H62051-UP

2шт.

20

01643-31232

Washer

SN: H62051-UP

2шт.

Выбрано товаров: 20