Запчасти Komatsu WA500-7 ГИДРОЛИНИЯ, С 2-Х СЕКЦИОНН. УПРАВЛЯЮЩ. КЛАПАН, ECSS, ГИДРОЦИЛИНДР ПОДЪЕМА ТРУБЫ (/) ГИДРОЛИНИЯ, С 2-Х СЕКЦИОНН. УПРАВЛЯЮЩ. КЛАПАН, ECSS

Схема запчастей Komatsu WA500-7 - ГИДРОЛИНИЯ, С 2-Х СЕКЦИОНН. УПРАВЛЯЮЩ. КЛАПАН, ECSS, ГИДРОЦИЛИНДР ПОДЪЕМА ТРУБЫ (/) ГИДРОЛИНИЯ, С 2-Х СЕКЦИОНН. УПРАВЛЯЮЩ. КЛАПАН, ECSS
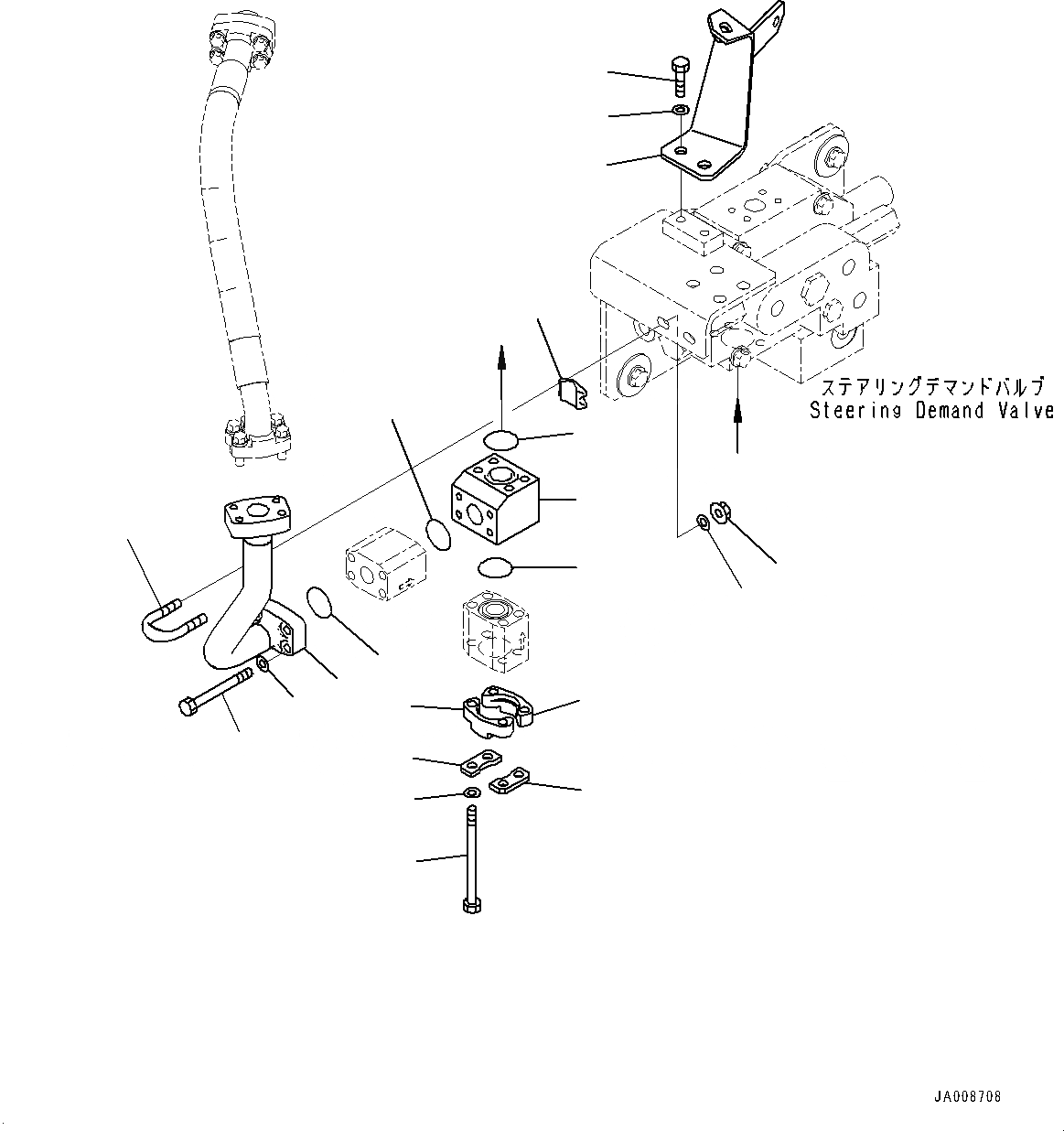
1
2
3
4
5
6
7
8
9
10
15
14
19
20
21
22
23
16
17
14
14
15
15
16
18
14
17
16
2
15
21
19
19
23
22
21
20
19
21
21
21
11
12
13
14
15
16
17
18
16
b
b
FIT
1:1
100%

Артикул

Название

Примечание

Количество

1

425-62-34181

Hose

SN: H62051-UP

1шт.

2

07000-B3032

O-Ring

SN: H62051-UP

2шт.

3

07371-31049

Flange, Split

SN: H62051-UP

4шт.

4

07372-21035

Bolt

SN: H62051-UP

8шт.

5

01643-51032

Washer

SN: H62051-UP

8шт.

6

425-62-43420

Tube

SN: H62051-UP

1шт.

7

07000-B3035

O-Ring

SN: H62051-UP

1шт.

8

01010-81065

Bolt

SN: H62051-UP

4шт.

9

01643-31032

Washer

SN: H62051-UP

4шт.

10

425-62-43410

Tube

SN: H62051-UP

1шт.

11

425-62-44650

Plate

SN: H62051-UP

1шт.

12

01010-81235

Bolt

SN: H62051-UP

2шт.

13

01643-31232

Washer

SN: H62051-UP

2шт.

14

07283-53444

Seat

SN: H62051-UP

9шт.

15

07283-33450

Clip

SN: H62051-UP

9шт.

16

01643-31032

Washer

SN: H62051-UP

18шт.

17

01597-01009

Nut

SN: H62051-UP

10шт.

18

22P-70-12160

Nut

SN: H62051-UP

8шт.

19

07085-01013

Hose

SN: H62051-UP

4шт.

20

07000-B3032

O-Ring

SN: H62051-UP

8шт.

21

07371-31049

Flange, Split

SN: H62051-UP

16шт.

22

07372-21035

Bolt

SN: H62051-UP

32шт.

23

01643-51032

Washer

SN: H62051-UP

32шт.

Выбрано товаров: 23