Запчасти Komatsu WA500-7 РУЛЕВ. УПРАВЛЕНИЕ ГИДРОЛИНИЯ, ГИДРОЛИНИЯ КЛАПАНА РУЛЕВ. УПРАВЛЕНИЯ (/) РУЛЕВ. УПРАВЛЕНИЕ ГИДРОЛИНИЯ

Схема запчастей Komatsu WA500-7 - РУЛЕВ. УПРАВЛЕНИЕ ГИДРОЛИНИЯ, ГИДРОЛИНИЯ КЛАПАНА РУЛЕВ. УПРАВЛЕНИЯ (/) РУЛЕВ. УПРАВЛЕНИЕ ГИДРОЛИНИЯ
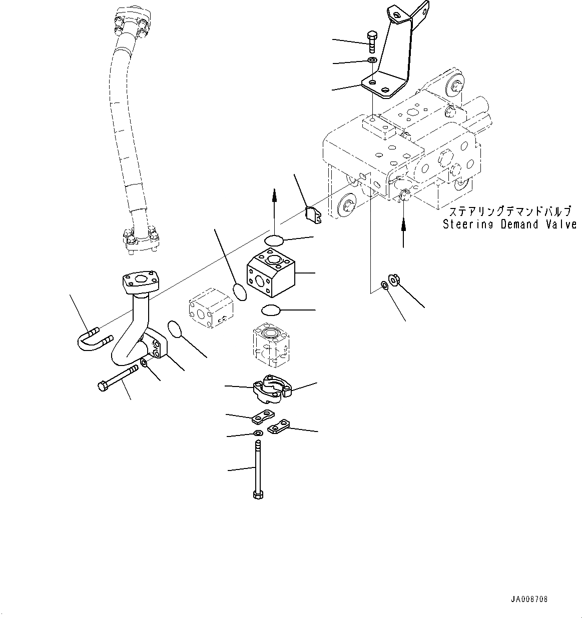
4
5
6
7
8
10
9
11
12
1
2
3
13
14
15
15
16
16
17
18
1
a
a
FIT
1:1
100%

Артикул

Название

Примечание

Количество

1

07000-B3035

O-Ring

SN: H62051-UP

2шт.

2

425-62-41960

Tube

SN: H62051-UP

1шт.

3

07000-B3035

O-Ring

SN: H62051-UP

1шт.

4

419-877-1340

Bolt

SN: H62051-UP

4шт.

5

01643-51032

Washer

SN: H62051-UP

4шт.

6

425-62-42470

Bracket

SN: H62051-UP

1шт.

7

01010-81225

Bolt

SN: H62051-UP

2шт.

8

01643-31232

Washer

SN: H62051-UP

2шт.

9

07283-53444

Seat

SN: H62051-UP

1шт.

10

07283-33450

Clip

SN: H62051-UP

1шт.

11

01643-31032

Washer

SN: H62051-UP

2шт.

12

01597-01009

Nut

SN: H62051-UP

2шт.

13

425-62-42550

Block

SN: H62051-UP

1шт.

14

07000-B3035

O-Ring

SN: H62051-UP

1шт.

15

07371-31049

Flange, Split

SN: H62051-UP

2шт.

16

425-62-32991

Plate

SN: H62051-UP

2шт.

17

01643-31032

Washer

SN: H62051-UP

4шт.

18

01011-81070

Bolt

SN: H62051-UP

4шт.

Выбрано товаров: 18