Запчасти Komatsu WA500-7 УПРАВЛЕНИЕ ПОГРУЗКОЙ БЛОК, БЕЗ ДЖОЙСТИК СИСТЕМАУПРАВЛЕНИЯ ПОВОРОТОМ, ПЕРЕКЛЮЧАТЕЛЬ УПРАВЛЕНИЕ ПОГРУЗКОЙ БЛОК, БЕЗ ДЖОЙСТИК СИСТЕМАУПРАВЛЕНИЯ ПОВОРОТОМ

Схема запчастей Komatsu WA500-7 - УПРАВЛЕНИЕ ПОГРУЗКОЙ БЛОК, БЕЗ ДЖОЙСТИК СИСТЕМАУПРАВЛЕНИЯ ПОВОРОТОМ, ПЕРЕКЛЮЧАТЕЛЬ УПРАВЛЕНИЕ ПОГРУЗКОЙ БЛОК, БЕЗ ДЖОЙСТИК СИСТЕМАУПРАВЛЕНИЯ ПОВОРОТОМ
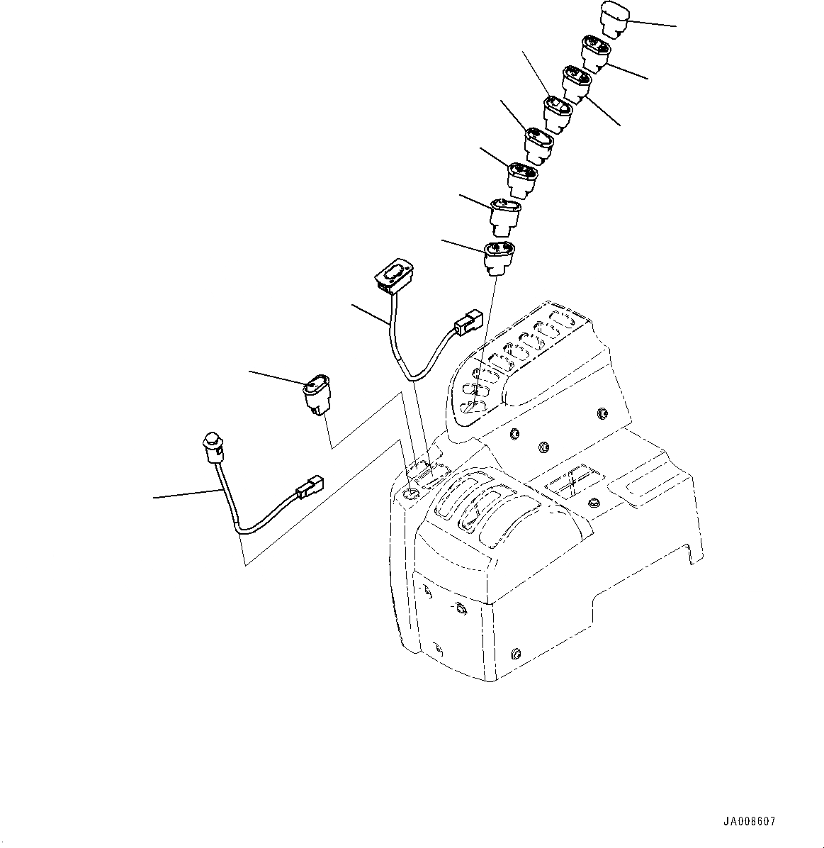
11
10
1
2
3
4
5
6
7
8
9
FIT
1:1
100%

Артикул

Название

Примечание

Количество

1

423-06-51150

Switch, Fnr

SN: H62051-UP

1шт.

2

423-06-55760

Switch, Transmission Cut-Off, Set, T/M Cut Off, Set

SN: H62051-UP

1шт.

3

425-06-33660

Switch, Power Mode

SN: H62051-UP

1шт.

4

423-06-55740

Switch, Transmission Shift Mode Selector, T/M Shift Mode

SN: H62051-UP

1шт.

5

423-06-45530

Switch, Torque Converter Lockup

SN: H62051-UP

1шт.

6

423-06-45480

Switch

SN: H62051-UP

1шт.

7

423-06-55770

Switch, Remote Positioner, Remote Positioner Boom, Bucket

SN: H62051-UP

1шт.

8

425-06-33630

Switch, 2 Stage Lo Idling

SN: H62051-UP

1шт.

9

20Y-06-42190

Cover

SN: H62051-UP

1шт.

10

423-06-55820

Switch, Lock, Boom Lock

SN: H62051-UP

1шт.

11

423-06-51130

Switch, Horn, Horn

SN: H62051-UP

1шт.

Выбрано товаров: 11