Запчасти Komatsu WA500-7 УПРАВЛЕНИЕ ПОГРУЗКОЙ БЛОК, С -EPC РЫЧАГ УПРАВЛЕНИЕ ПОГРУЗКОЙ, ПЕРЕД. РЕВЕРС ПЕРЕКЛЮЧАТЕЛЬ, ПРОВОДКА УПРАВЛЕНИЕ ПОГРУЗКОЙ БЛОК, С -EPC РЫЧАГ УПРАВЛЕНИЕ ПОГРУЗКОЙ, ПЕРЕД. РЕВЕРС ПЕРЕКЛЮЧАТЕЛЬ

Схема запчастей Komatsu WA500-7 - УПРАВЛЕНИЕ ПОГРУЗКОЙ БЛОК, С -EPC РЫЧАГ УПРАВЛЕНИЕ ПОГРУЗКОЙ, ПЕРЕД. РЕВЕРС ПЕРЕКЛЮЧАТЕЛЬ, ПРОВОДКА УПРАВЛЕНИЕ ПОГРУЗКОЙ БЛОК, С -EPC РЫЧАГ УПРАВЛЕНИЕ ПОГРУЗКОЙ, ПЕРЕД. РЕВЕРС ПЕРЕКЛЮЧАТЕЛЬ
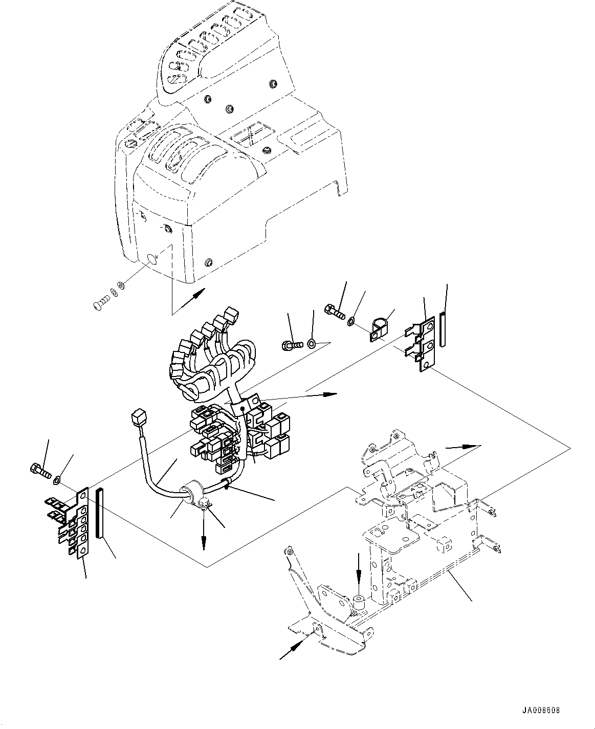
15
16
17
14
1
5
10
11
8
12
9
13
2
4
3
7
6
a
b
b
c
c
a
FIT
1:1
100%

Артикул

Название

Примечание

Количество

1

425-43-48870

Wiring Harness

SN: H62051-UP

1шт.

2

04434-52310

Clip

SN: H62051-UP

1шт.

3

01010-81025

Bolt

SN: H62051-UP

1шт.

4

01643-31032

Washer

SN: H62051-UP

1шт.

5

04434-52511

Clip

SN: H62051-UP

1шт.

6

01010-81020

Bolt

SN: H62051-UP

1шт.

7

01643-31032

Washer

SN: H62051-UP

1шт.

8

423-43-59620

Bracket

SN: H62051-UP

1шт.

9

423-43-59630

Bracket

SN: H62051-UP

1шт.

10

01010-81020

Bolt

SN: H62051-UP

2шт.

11

01643-31032

Washer

SN: H62051-UP

2шт.

12

423-06-42420

Finisher

SN: H62051-UP

1шт.

13

423-944-4730

Finisher

SN: H62051-UP

1шт.

14

08059-00413

Clip

SN: H62051-UP

1шт.

15

423-43-59521

Bracket

-1шт.

16

04434-53211

Clip

-1шт.

17

07095-20523

Cushion

-1шт.

Выбрано товаров: 17