Запчасти Komatsu WA500-7 ЗАДН. КОНСОЛЬ COVER, ДЖОЙСТИК СИСТЕМАУПРАВЛЕНИЯ ПОВОРОТОМ, ЦЕНТР. ЗАДН. КОНСОЛЬ COVER, ДЖОЙСТИК СИСТЕМАУПРАВЛЕНИЯ ПОВОРОТОМ

Схема запчастей Komatsu WA500-7 - ЗАДН. КОНСОЛЬ COVER, ДЖОЙСТИК СИСТЕМАУПРАВЛЕНИЯ ПОВОРОТОМ, ЦЕНТР. ЗАДН. КОНСОЛЬ COVER, ДЖОЙСТИК СИСТЕМАУПРАВЛЕНИЯ ПОВОРОТОМ
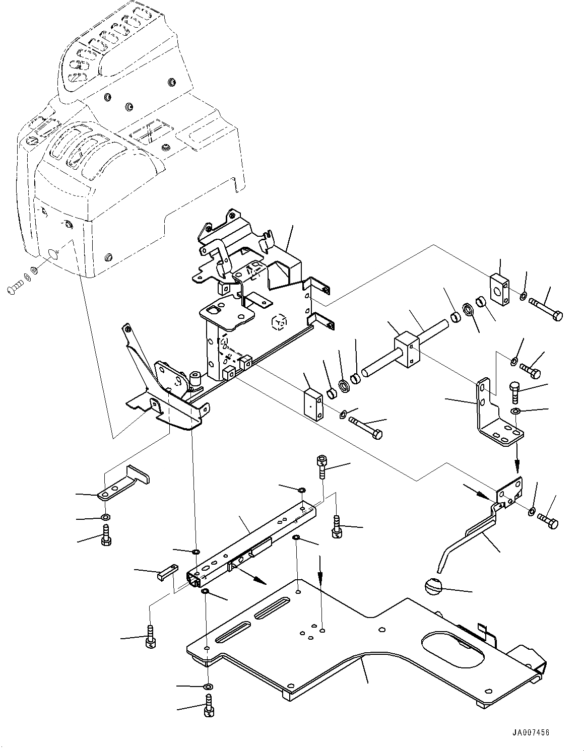
6
7
1
13
14
4
5
8
11
9
10
12
15
14
16
15
16
14
15
17
18
20
19
2
3
a
a
FIT
1:1
100%

Артикул

Название

Примечание

Количество

1

423-54-52850

Cover

SN: H62051-UP

1шт.

2

01010-81020

Bolt

SN: H62051-UP

3шт.

3

01643-31032

Washer

SN: H62051-UP

3шт.

4

423-54-52910

Cover

SN: H62051-UP

1шт.

5

423-54-52930

Sheet

SN: H62051-UP

1шт.

6

01240-00616

Screw

SN: H62051-UP

6шт.

7

23S-55-51970

Washer

SN: H62051-UP

6шт.

8

423-54-52920

Cover

SN: H62051-UP

1шт.

9

423-09-51260

Screw

SN: H62051-UP

2шт.

10

423-56-21920

Washer

SN: H62051-UP

2шт.

11

423-54-52940

Sheet

SN: H62051-UP

1шт.

12

423-54-52980

Cover

SN: H62051-UP

1шт.

13

01240-00616

Screw

SN: H62051-UP

2шт.

14

23S-55-51970

Washer

SN: H62051-UP

6шт.

15

20Y-43-41290

Collar

SN: H62051-UP

6шт.

16

01240-00620

Screw

SN: H62051-UP

4шт.

17

20Y-54-11611

Stopper

SN: H62051-UP

1шт.

18

01580-11008

Nut

SN: H62051-UP

1шт.

19

01010-D1020

Bolt

SN: H62051-UP

2шт.

20

01643-71032

Washer

SN: H62051-UP

2шт.

Выбрано товаров: 20