Качественные детали и логистика
Оригинальные и аналоговые запчасти с доставкой по России, Казахстану и Беларуси
©2022 PartSell ООО "Система" ИНН 2463123282 ОГРН 1212400004838
Центральный офис: г. Красноярск, Академика Киренского, д.87, пом.4
Телефон: 8 (800) 777-65-74 Email: zakaz@partsell.ru
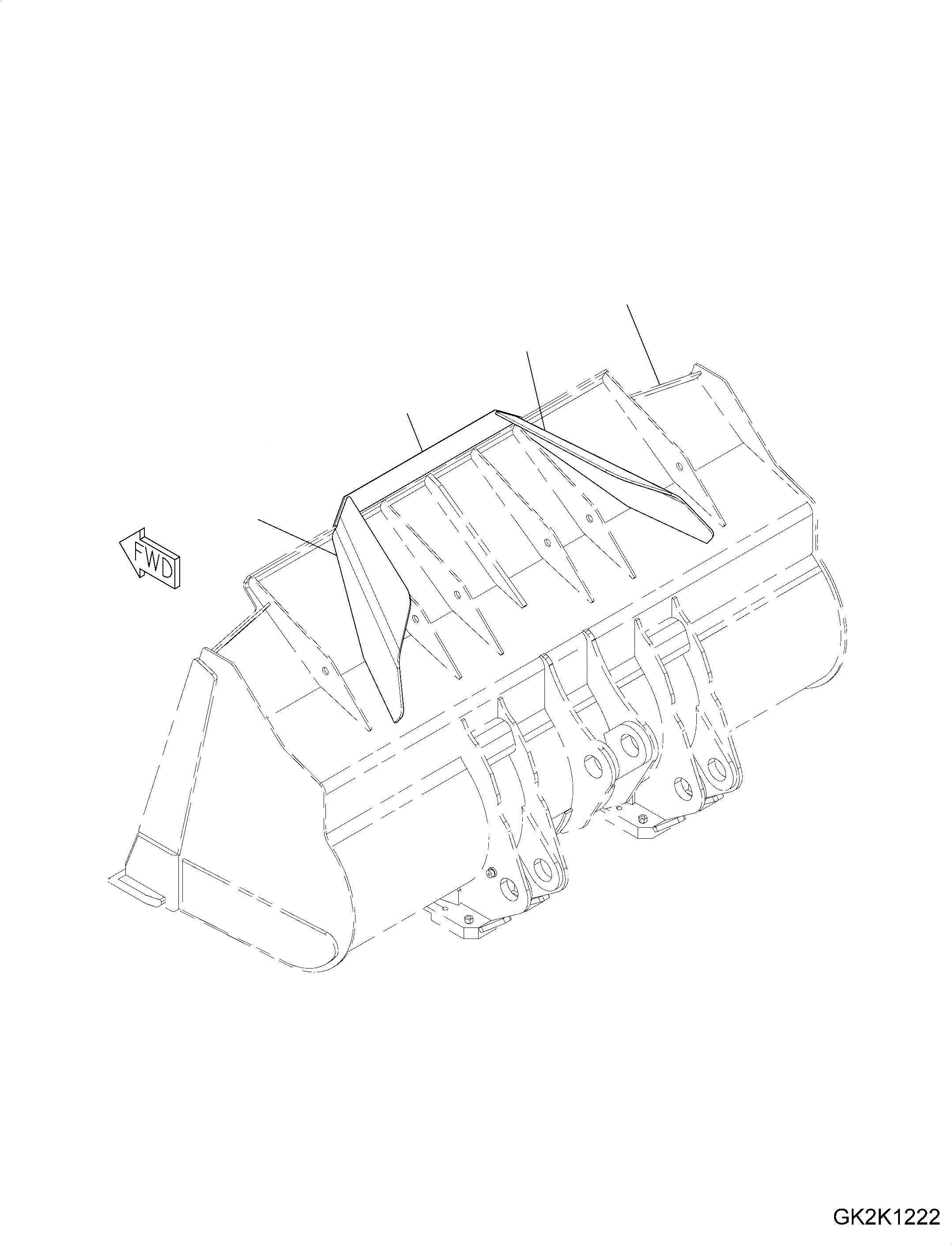
КОВШ, С ЗАЩИТА КАБИНЫ, (CODE: S7)
№
Артикул
Название
Примечание
Количество
1
425-72-H2J00
Plate, Spillguard, Welded
SN: H62051-UP
1шт.
2
425-72-H2J10
Plate, L.H., Welded
3
425-72-H2J30
Plate, R.H., Welded
4
425-73-H2130
Bucket, 6.0m3
-1шт.
Выбрано товаров: 0