Запчасти Komatsu WA60-1 МАСЛ. БАК UP - ШАССИ NO.7 XXX ГИДРАВЛИКА

Схема запчастей Komatsu WA60-1 - МАСЛ. БАК UP - ШАССИ NO.7 XXX ГИДРАВЛИКА
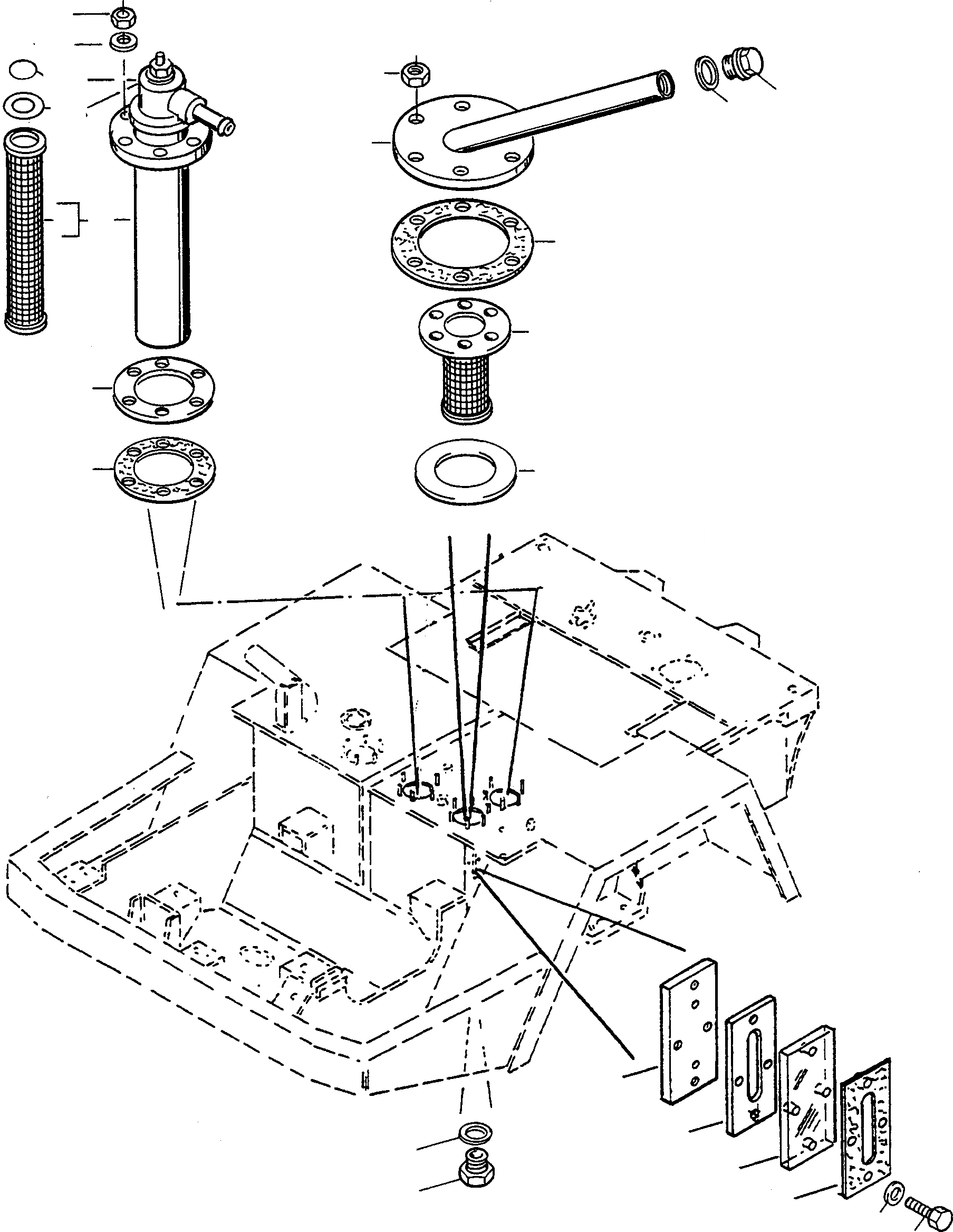
17B
19
17A
20
3
1
2
4
17
16
5
6
21
7
18
13
12
14
11
15
10
9
8
FIT
1:1
100%

Артикул

Название

Примечание

Количество

1

4240633M1

PLUG

1шт.

2

391305X1

SEAL

1шт.

3

2993914X1

NUT

6шт.

4

4250351M91

FILLER

1шт.

5

4225360M1

GASKET

1шт.

6

3094754M1

SIEVE

1шт.

7

4225358M1

DISC

1шт.

8

339337X1

SCREW

4шт.

9

2994854M1

SEAL

4шт.

10

2946917M1

GASKET

1шт.

11

2946919M1

INSPECTION GLASS

1шт.

12

4240238M1

DISTANCE PIECE

1шт.

13

2946918M1

THRUST PLATE

1шт.

14

390855X1

SEAL

1шт.

15

1444268X1

PLUG

1шт.

16

4240230M91

FILTER

1шт.

17

4240256M91

FILTER ELEMENT

1шт.

17A

4918426M1

GASKET

1шт.

17B

4918582M1

O-RING

1шт.

18

4226395M1

GASKET

1шт.

19

2993914X1

NUT

6шт.

20

3005995X1

DISC

6шт.

21

NOT USED

-1шт.

Выбрано товаров: 23