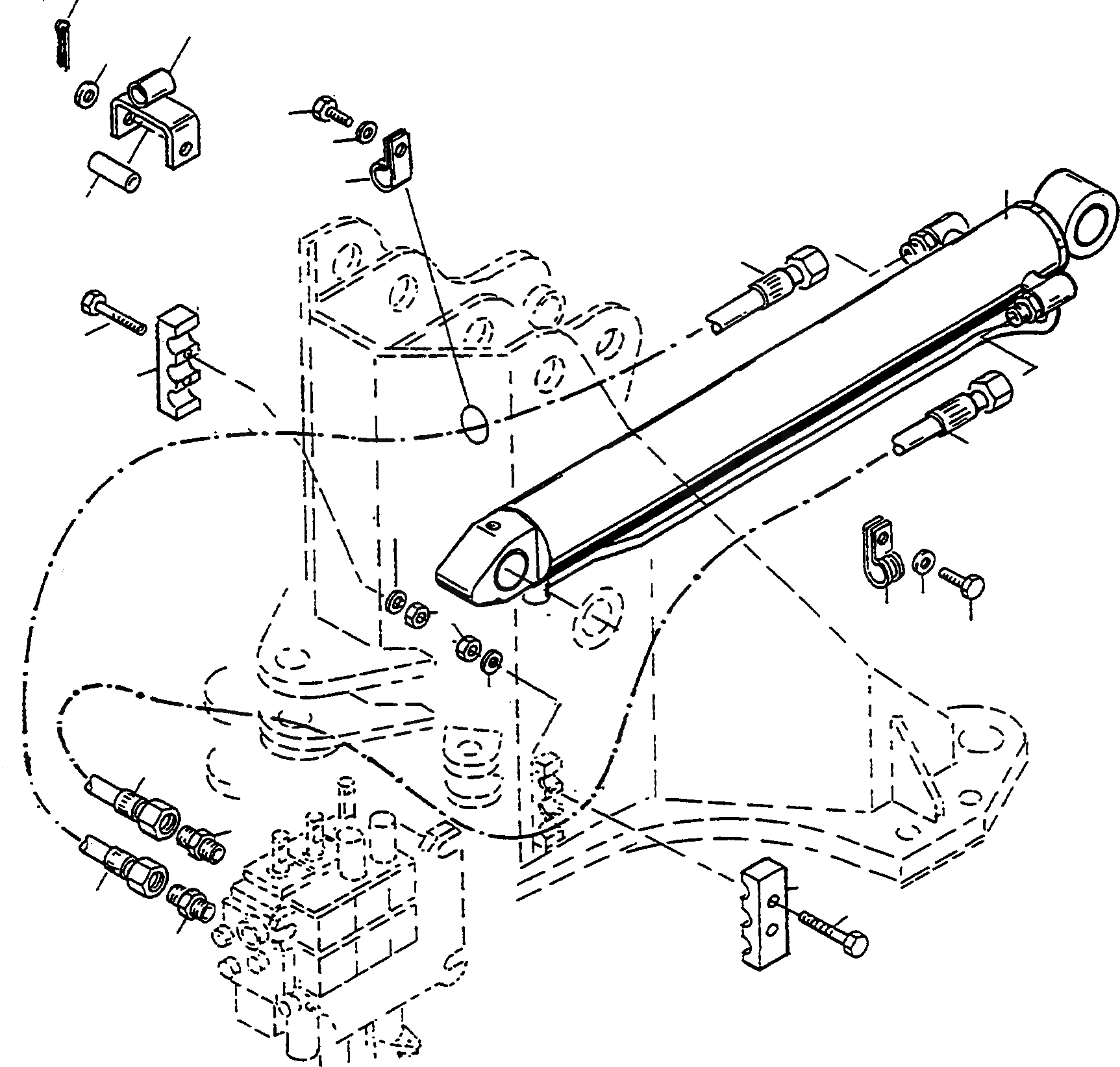
Запчасти Komatsu WA60-1 ГИДРОЦИЛИНДР ПОДЪЕМА И ТРУБЫS ГИДРАВЛИКА

Схема запчастей Komatsu WA60-1 - ГИДРОЦИЛИНДР ПОДЪЕМА И ТРУБЫS ГИДРАВЛИКА
3
14
13
4
12
11
1
10
2
7
6
2
8
11
9
10
12
8
2
5
6
2
7
5
FIT
1:1
100%

Артикул

Название

Примечание

Количество

1

4501051M91

LIFT CYLINDER

1шт.

|$15

LIFT CYLINDER

-3шт.

2

4700176X91

HOSE ASSEMBLY

2шт.

3

2993217X1

COTTER

1шт.

4

391012X1

DISC

1шт.

5

4700276X1

STUD

2шт.

6

4250899M1

CLIP

6шт.

7

1443650X1

SCREW

6шт.

8

390972X1

PLAIN WASHER

6шт.

9

339169X1

NUT

6шт.

10

4250395M1

CLIP

2шт.

11

339337X1

SCREW

2шт.

12

390972X1

PLAIN WASHER

2шт.

13

4250927M91

STIRRUP

1шт.

14

4225014M1

BUSHING

1шт.

Выбрано товаров: 15