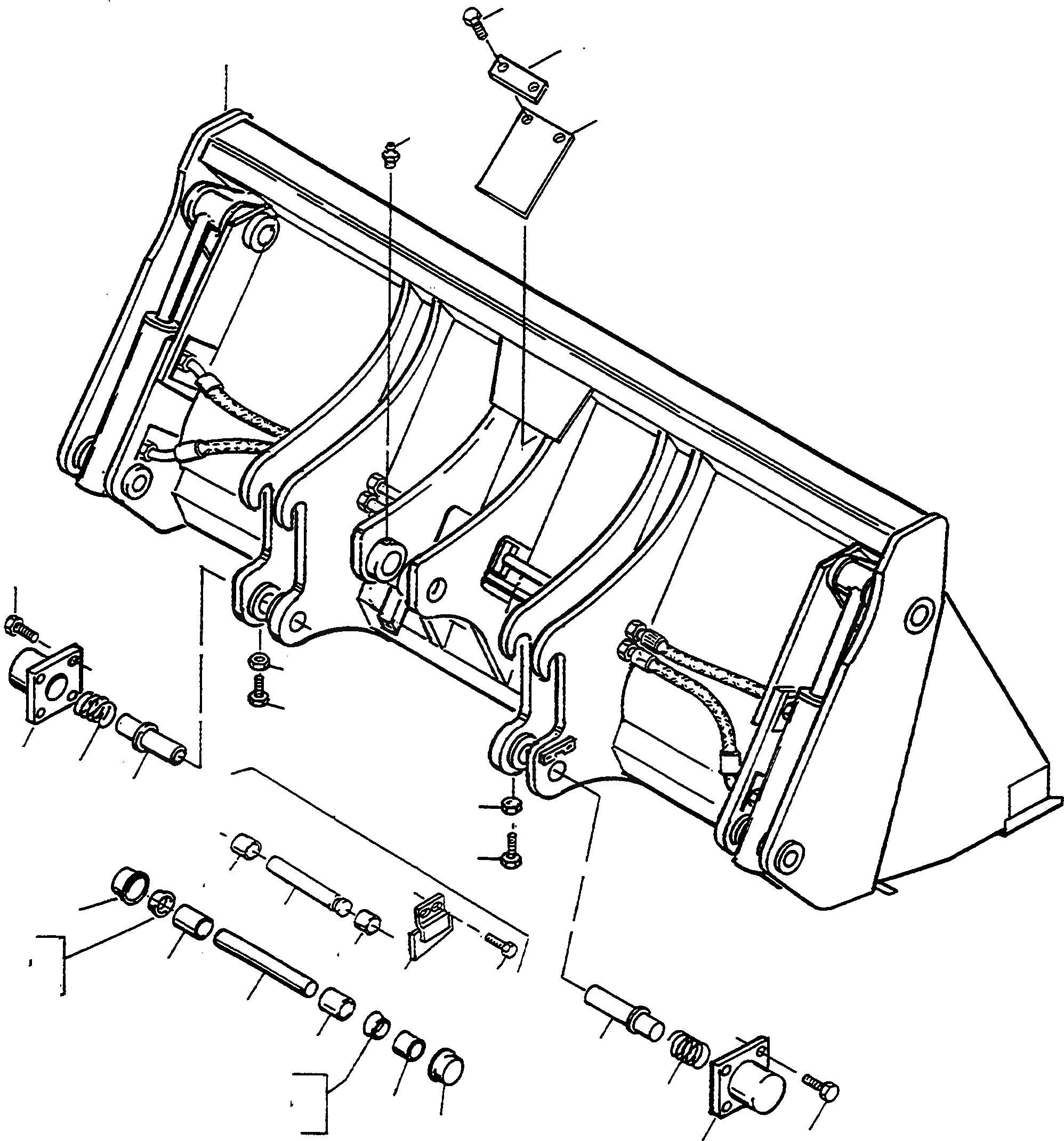
Запчасти Komatsu WA60-1 GRAB КОВШ ОБОРУД-Е

Схема запчастей Komatsu WA60-1 - GRAB КОВШ ОБОРУД-Е
5
14
13
4
1
15A
12A
15A
3
18
16A
11
6
7
10
9
8
6
7
17
19
13
15
11
12
15
8
19
9
16
14
17
11
10
FIT
1:1
100%

Артикул

Название

Примечание

Количество

1

4250530M91

GRAB BUCKET

1шт.

|$23

GRAB BUCKET

-3шт.

2

NOT USED

-1шт.

3

4250174M1

RUBBER

1шт.

4

4225438M1

SLAT

1шт.

5

391357X1

SCREW

2шт.

6

339034X1

NUT

2шт.

7

391421X1

SCREW

2шт.

8

4226400M1

JOURNAL

2шт.

9

2980745M1

COMPRESSION SPRING

2шт.

10

4225220M91

HOUSING

2шт.

11

1444131X1

SCREW

10шт.

12

4250128M1

PIN

1шт.

12A

4250829M1

PIN

1шт.

13

2994657M1

STRIPPER

2шт.

14

4750019M1

STRIPPER

2шт.

15

4250129M1

BUSHING

2шт.

15A

4250830M1

BUSHING

1шт.

16

4250113M1

BUSHING

1шт.

16A

2951971M91

AXLE HOLDER

1шт.

17

4250130M1

COVER

2шт.

18

339608X1

LUBRICATION NIPPLE

2шт.

19

4700425X1

STRIPPER

2шт.

Выбрано товаров: 23