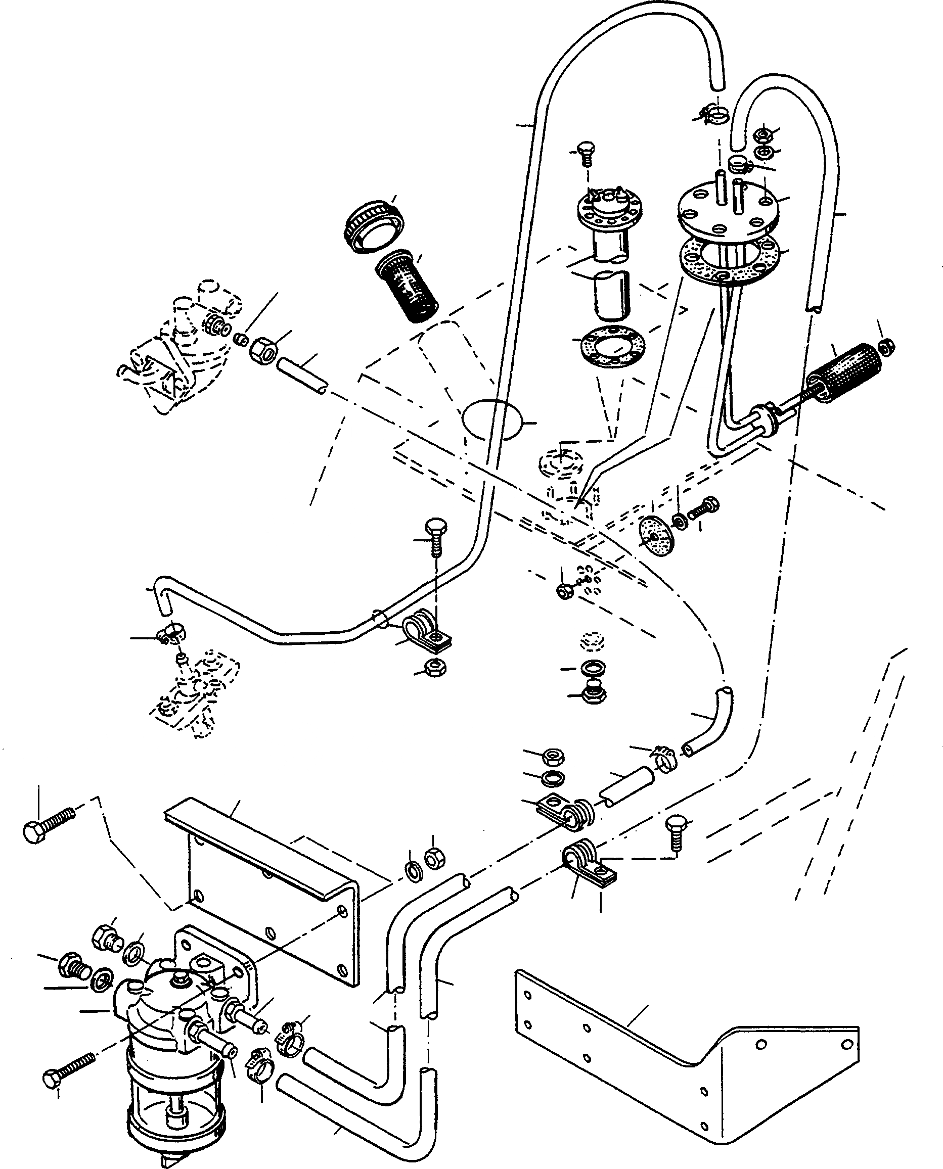
Запчасти Komatsu WA60-1 ТОПЛИВН. СИСТЕМА, PRE ФИЛЬТР. ДВИГАТЕЛЬ, КРЕПЛЕНИЕ ДВИГАТЕЛЯ

Схема запчастей Komatsu WA60-1 - ТОПЛИВН. СИСТЕМА, PRE ФИЛЬТР. ДВИГАТЕЛЬ, КРЕПЛЕНИЕ ДВИГАТЕЛЯ
18
13
12
14
29
22
40
18
19
18
19
31
3
18
18
34A
4
1
19
2
15
26
17
25
16
5
33
37
7
8
21
6
9
22
18
23
10
24
11
33
39
36
38
35
34
37
21
32
29
20
28
40
28
27
36
30
FIT
1:1
100%

Артикул

Название

Примечание

Количество

1

4240402M91

COVER

1шт.

2

4242022M91

STRAINER

1шт.

3

3000984X1

SCREW

6шт.

4

3092035M91

SENDER

1шт.

5

2945530M1

GASKET

1шт.

6

339721X1

SCREW

1шт.

7

3001853X1

PLAIN WASHER

1шт.

8

2950350M1

DISC

1шт.

9

392290X1

NUT

1шт.

10

390855X1

SEAL

1шт.

11

1444268X1

PLUG

1шт.

12

2993914X1

NUT

6шт.

13

390734X1

PLAIN WASHER

6шт.

14

4240261M91

FLANGE

1шт.

15

4225360M1

GASKET

1шт.

16

2871766M91

SIEVE

1шт.

17

1444329X1

NUT

1шт.

18

2995123X1

CLIP

6шт.

19

2995406X1

HOSE

1шт.

20

1444662X1

CLIP

1шт.

21

339560X1

SCREW

2шт.

22

2995406X1

HOSE

1шт.

23

1444670X1

HOLDING CLAMP

2шт.

24

339030X1

NUT

1шт.

25

4905433M1

BOXNUT

3шт.

26

4905434M1

OLIVE

3шт.

27

4906555M1

PRE FILTER

1шт.

|$42

PRE FILTER

-3шт.

28

4905435M1

SEAL

2шт.

29

4905436M1

SCREW

2шт.

30

339337X1

SCREW

2шт.

31

1443789X1

SPRING WASHER

6шт.

32

390679X1

NUT

6шт.

33

4250400M1

TUBE

1шт.

34

4250578M1

BRACKET

SN: 371020222

1шт.

34A

4250877M1

BRACKET

SN: 371020223-UP

1шт.

35

339123X1

SCREW

4шт.

36

2995406X1

HOSE

1шт.

37

4700237X1

CLIP

1шт.

38

1443790X1

SPRING WASHER

1шт.

39

339402X1

NUT

1шт.

40

4250399M1

TUBE

2шт.

Выбрано товаров: 42