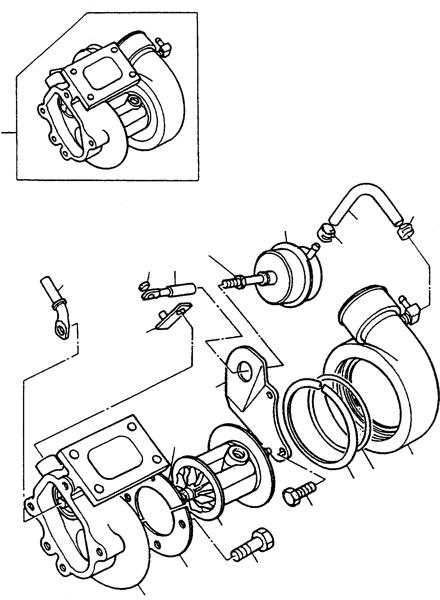
Запчасти Komatsu WA60-1 ТУРБОНАГНЕТАТЕЛЬ ДВИГАТЕЛЬ, КРЕПЛЕНИЕ ДВИГАТЕЛЯ

Схема запчастей Komatsu WA60-1 - ТУРБОНАГНЕТАТЕЛЬ ДВИГАТЕЛЬ, КРЕПЛЕНИЕ ДВИГАТЕЛЯ
10
7
4
14
1
15
12
16
15
11
8
13
9
3
5
17
2
18
9
6
FIT
1:1
100%

Артикул

Название

Примечание

Количество

1

4918064M91

TURBOCHARGER

1шт.

2

4918065M1

ROTOR

1шт.

3

HOUSING

1шт.

4

4918066M1

GASKET

1шт.

5

4918067M1

RING

1шт.

6

HOUSING

1шт.

7

ARM

1шт.

8

CRANK

1шт.

9

4918068M1

RING

2шт.

10

CIRCLIP

1шт.

11

4918069M1

LEVER

1шт.

12

4918070M1

CYLINDER

1шт.

13

BRACKET

1шт.

14

4918071M1

HOSE

1шт.

15

4918072M1

CLIP

2шт.

16

4918073M1

NUT

1шт.

17

SCREW

2шт.

18

4918074M1

SCREW

4шт.

Выбрано товаров: 18