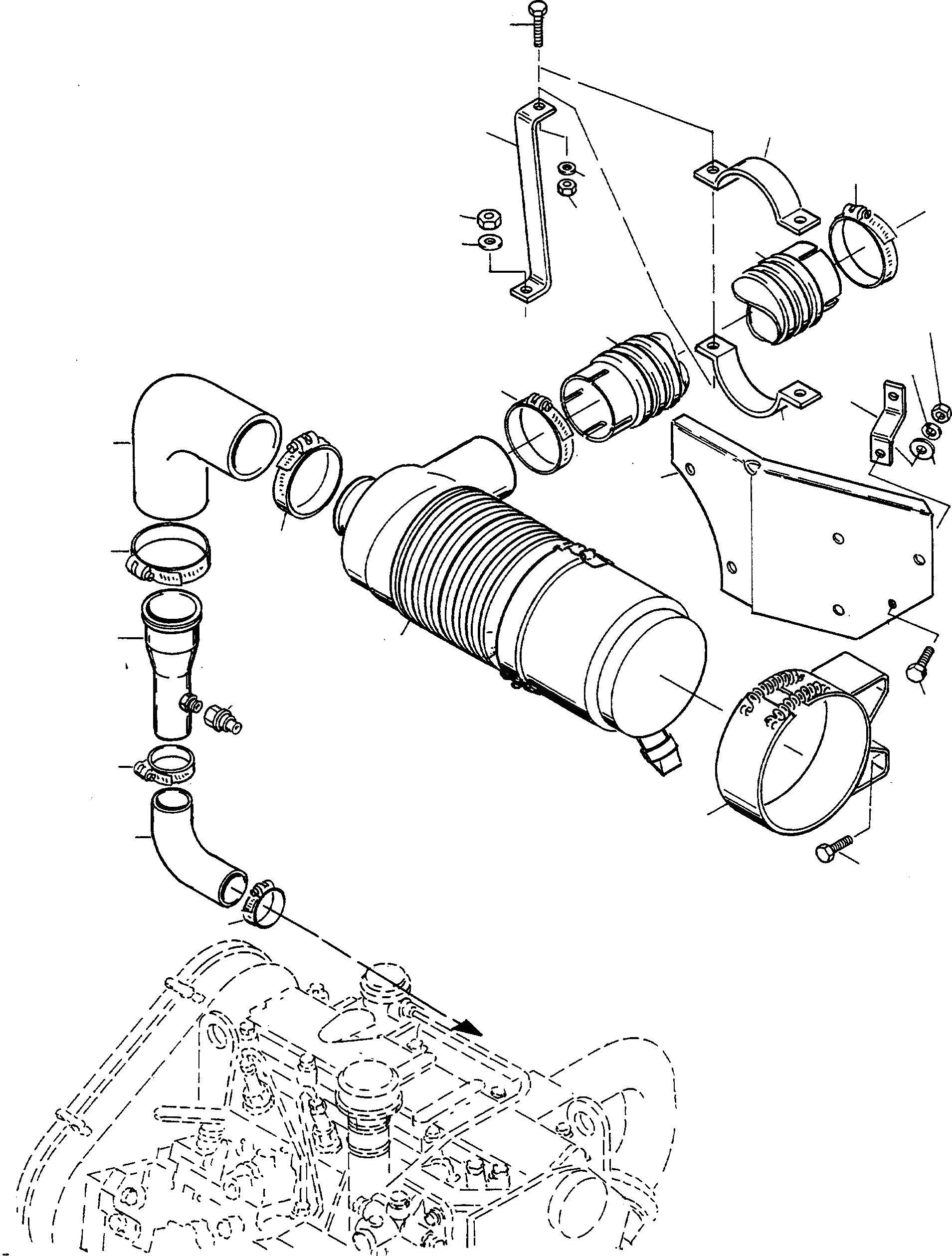
Запчасти Komatsu WA60-1 ВОЗД. ФИЛЬТР. СИСТЕМА, СТАНДАРТН. ДВИГАТЕЛЬ, КРЕПЛЕНИЕ ДВИГАТЕЛЯ

Схема запчастей Komatsu WA60-1 - ВОЗД. ФИЛЬТР. СИСТЕМА, СТАНДАРТН. ДВИГАТЕЛЬ, КРЕПЛЕНИЕ ДВИГАТЕЛЯ
4
10A
14
18
19
9
5
21
22
12
20
6
12
5
9
15
18
8
3
16
7
13
10
1
17
23
2
11
4
23
FIT
1:1
100%

Артикул

Название

Примечание

Количество

1

4250026M92

AIR FILTER

1шт.

|$25

AIR FILTER

-3шт.

2

4250672M91

CLIP

1шт.

3

4250403M1

BRACKET

SN: 371020222

1шт.

4

339123X1

SCREW

4шт.

5

2993792X1

SPRING WASHER

5шт.

6

339169X1

NUT

3шт.

7

3069042M8

CLIP

1шт.

8

4250428M1

HOSE

1шт.

9

3069042M8

HOSE

2шт.

10

4250405M91

PIPE

1шт.

10A

4250809M91

PIPE

1шт.

11

4250429M1

HOSE

1шт.

12

4250711M1

HOSE

1шт.

13

1444843X1

CLIP

1шт.

14

3095164M1

SWITCH

1шт.

15

4250404M1

STAY

1шт.

16

391039X1

PLAIN WASHER

3шт.

17

339123X1

SCREW

1шт.

18

4250712M1

CLIP

2шт.

19

4250603M1

BRACKET

2шт.

20

2993793X1

SPRING WASHER

2шт.

21

1440249X1

NUT

2шт.

22

1440203X1

NUT

2шт.

23

1444842X1

CLIP

2шт.

Выбрано товаров: 25