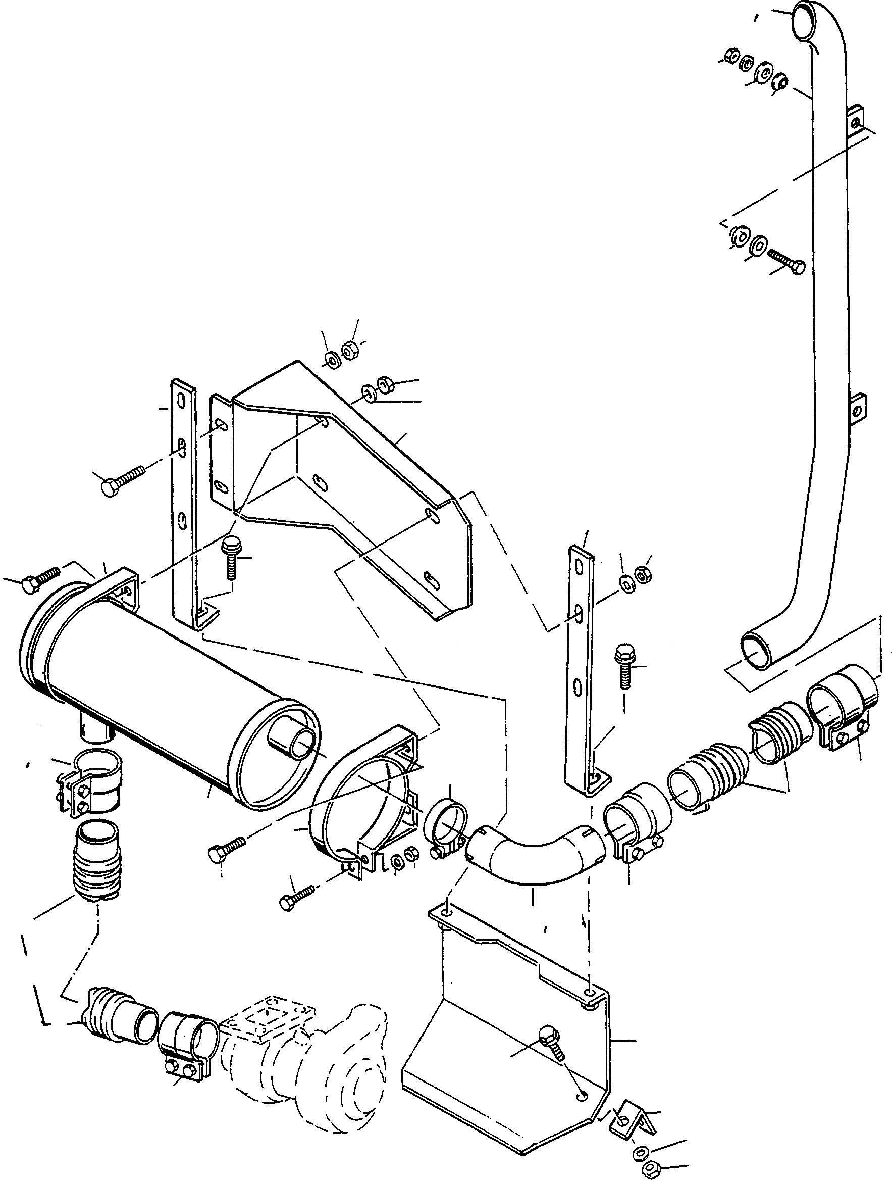
Запчасти Komatsu WA60-1 ВЫПУСКН. СИСТЕМА, СТАНДАРТН. ДВИГАТЕЛЬ, КРЕПЛЕНИЕ ДВИГАТЕЛЯ

Схема запчастей Komatsu WA60-1 - ВЫПУСКН. СИСТЕМА, СТАНДАРТН. ДВИГАТЕЛЬ, КРЕПЛЕНИЕ ДВИГАТЕЛЯ
1A
4
1
24
22A
7
25
25A
13
5A
6A
3
2
2
3
20
19
20
19
17
16
14
17
19
20
10
24
14
5
22
21
18
9
10
11
12
15
21
6
6
23
24
5
8
19
20
FIT
1:1
100%

Артикул

Название

Примечание

Количество

1

4250637M91

EXHAUST PIPE

SN: 371020223

1шт.

1A

4250882M91

EXHAUST PIPE

SN: 371020224-UP

1шт.

2

4700256X1

RUBBER

4шт.

3

390972X1

PLAIN WASHER

5шт.

4

339287X1

SCREW

2шт.

5

4227724M91

CLIP

2шт.

5A

4700620X91

CLIP

2шт.

6

4227726M1

FLEXIBLE TUBE

1шт.

6A

4700514X1

FLEXIBLE TUBE

1шт.

7

1444329X1

NUT

3шт.

8

4250647M1

ANGLE

1шт.

9

4250550M91

SILENCER

1шт.

10

4228910M91

CLIP

2шт.

11

339401X1

SCREW

2шт.

12

2993793X1

SPRING WASHER

2шт.

13

339402X1

NUT

2шт.

14

339401X1

SCREW

4шт.

15

339337X1

SCREW

2шт.

16

4250411M91

BRACKET

SN: 371020223

1шт.

17

4250553M1

BRACKET

SN: 371020223

2шт.

18

4700513X1

FLEXIBLE TUBE

SN: 371020223

1шт.

19

2993793X1

SPRING WASHER

5шт.

20

339402X1

NUT

4шт.

21

4227724M91

CLIP

SN: 371020223

2шт.

22

4700127X91

CLIP

1шт.

22A

4250715M91

TUBE

SN: 371020224-UP

1шт.

23

4250646M91

PROTECTOR

1шт.

24

391357X1

SCREW

3шт.

25

4250715M91

TUBE

SN: 371020223

1шт.

25A

4250878M91

TUBE

SN: 371020224-UP

1шт.

Выбрано товаров: 30