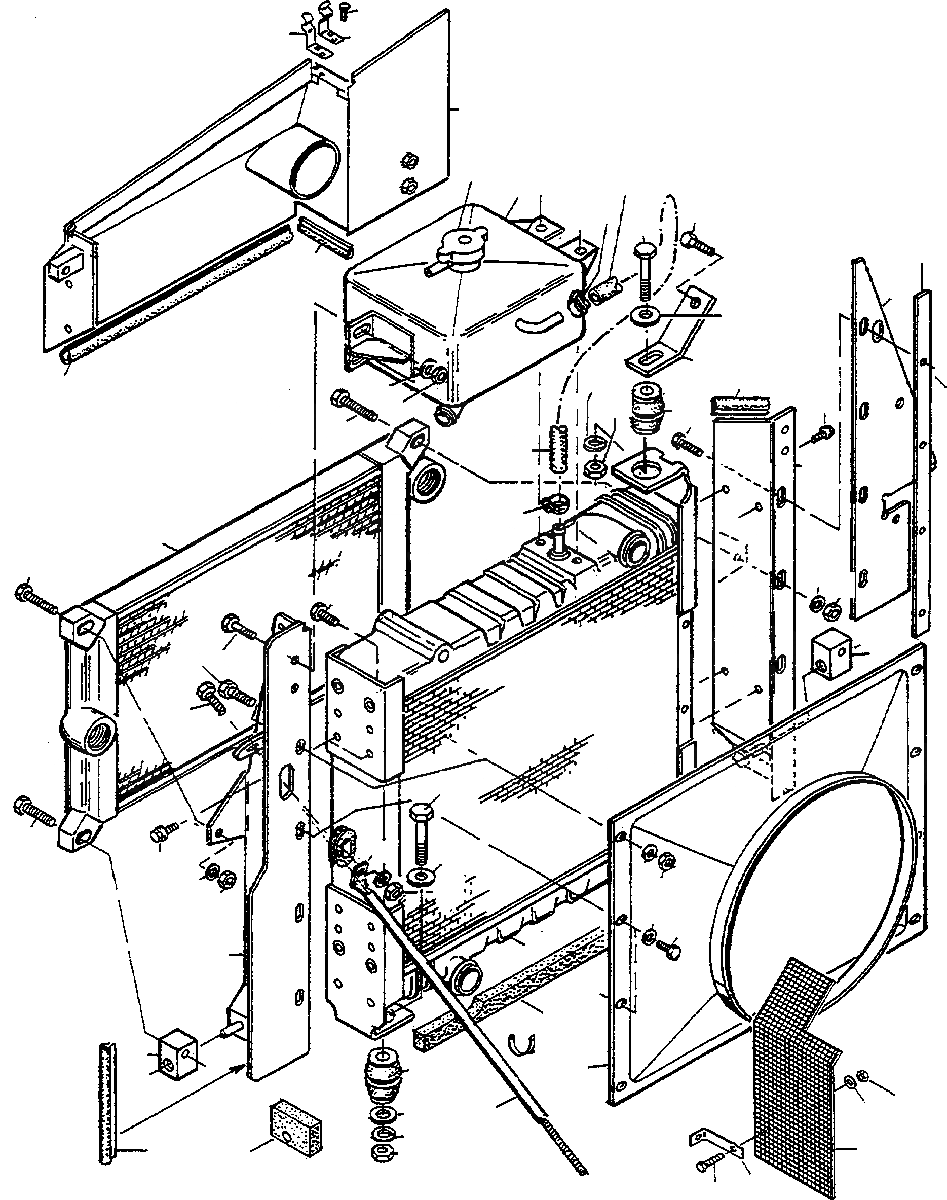
Запчасти Komatsu WA60-1 РАДИАТОР ATTACHING ЧАСТИ СИСТЕМА ОХЛАЖДЕНИЯ

Схема запчастей Komatsu WA60-1 - РАДИАТОР ATTACHING ЧАСТИ СИСТЕМА ОХЛАЖДЕНИЯ
23
21
13A
14
10
22
7
20
17
46
45
44
40
13
14
27
11
27
29
41
15
25
39
18
26
24
37
28
38
12
12
3
5
16
15
2
10
6
5
8
5
33
25
9
32
26
30
12
6
6
7
11
6
5
1
19
34
8
4
3
31
26
28
42
36
35
43
FIT
1:1
100%

Артикул

Название

Примечание

Количество

0

4250612M91

COOLER

1шт.

1

4250020M91

WATER COOLER

1шт.

2

4250413M91

OIL COOLER

1шт.

3

4240659M1

BUFFER

3шт.

4

4250243M1

TUNNEL

1шт.

5

391357X1

SCREW

10шт.

6

390972X1

PLAIN WASHER

12шт.

7

339169X1

NUT

6шт.

8

4250094M1

KNUCKLE

1шт.

9

3004450X1

SCREW

2шт.

10

391176X1

SCREW

2шт.

11

390679X1

NUT

2шт.

12

3000387X1

SCREW

8шт.

13

4250433M91

TANK

1шт.

13A

4918520M1

COVER

1шт.

14

4250639M1

HOSE

1шт.

15

3005069X1

CLIP

2шт.

16

4250257M91

BRACKET

1шт.

17

4250520M1

SLAT

1шт.

18

4250521M1

RUBBER

1шт.

19

4250256M91

BRACKET

1шт.

20

4250522M91

COVERING

1шт.

21

2885683M1

CLAMP

1шт.

22

2885684M1

CLAMP

1шт.

23

3068374M8

RIVET

2шт.

24

4250316M1

BRACKET

1шт.

25

339679X1

SCREW

3шт.

26

391212X1

PLAIN WASHER

5шт.

27

339402X1

NUT

4шт.

28

2993793X1

SPRING WASHER

4шт.

29

339451X1

SCREW

1шт.

30

2999899M1

SPOUT

1шт.

31

4250356M91

TUBE

1шт.

32

2993792X1

SPRING WASHER

1шт.

33

390991X1

SCREW

1шт.

34

4250528M1

GASKET

1шт.

35

4250529M1

GASKET

1шт.

36

2998510M1

GASKET

1шт.

37

4200231M1

GASKET

1шт.

38

4200231M1

GASKET

1шт.

39

2998510M1

GASKET

1шт.

40

2999890M1

PROFILE

1шт.

41

1444137X1

SCREW

1шт.

42

4250897M1

PROTECTOR

1шт.

43

4250898M1

BRACKET

1шт.

44

339228X1

SCREW

1шт.

45

391039X1

PLAIN WASHER

1шт.

46

390679X1

NUT

1шт.

Выбрано товаров: 48