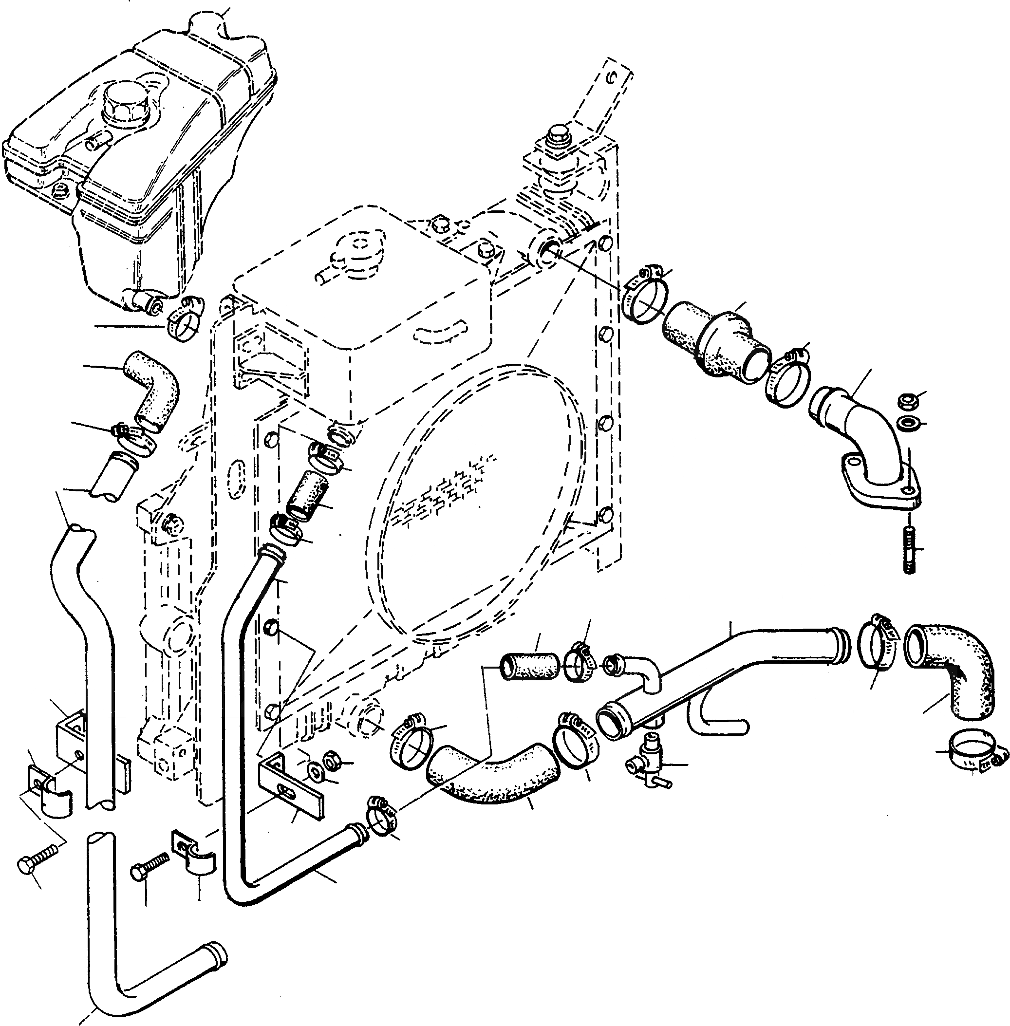
Запчасти Komatsu WA60-1 ОХЛАЖД-Е ВОДН. PIPES СИСТЕМА ОХЛАЖДЕНИЯ

Схема запчастей Komatsu WA60-1 - ОХЛАЖД-Е ВОДН. PIPES СИСТЕМА ОХЛАЖДЕНИЯ
16
3A
1A
5A
9
4
1A
13
12
2
13
11
15
2
2
3
2
14
1
2
10
3
17
18
20
6
17
8
17
19
5
2
1
7
6
7
FIT
1:1
100%

Артикул

Название

Примечание

Количество

1

4250419M1

TUBE

SN: 371020352

1шт.

1A

4250886M1

TUBE

SN: 371020353-UP

1шт.

2

1444839X1

CLIP

2шт.

2A

1444864X1

SCREW

2шт.

3

1443865X1

HOSE

2шт.

3A

4250423M1

HOSE

SN: 371020353-UP

1шт.

4

1444637X1

DRAIN COOK

1шт.

5

4250425M1

BRACKET

SN: 371020352

1шт.

5A

4250910M1

BRACKET

SN: 371020353-UP

1шт.

6

3002297X1

CLIP

1шт.

7

339123X1

SCREW

1шт.

8

391039X1

PLAIN WASHER

1шт.

9

390679X1

NUT

1шт.

10

4250416M91

PIPE

1шт.

11

4250875M91

PIPE

1шт.

12

4700052X1

HOSE

1шт.

13

1444842X1

CLIP

2шт.

14

1443733X1

STUD BOLT

2шт.

15

390679X1

NUT

2шт.

16

2993679X1

CIRCLIP

2шт.

17

1444841X1

CLIP

3шт.

18

1444842X1

CLIP

1шт.

19

4250337M1

HOSE

1шт.

20

4250335M1

HOSE

1шт.

Выбрано товаров: 24