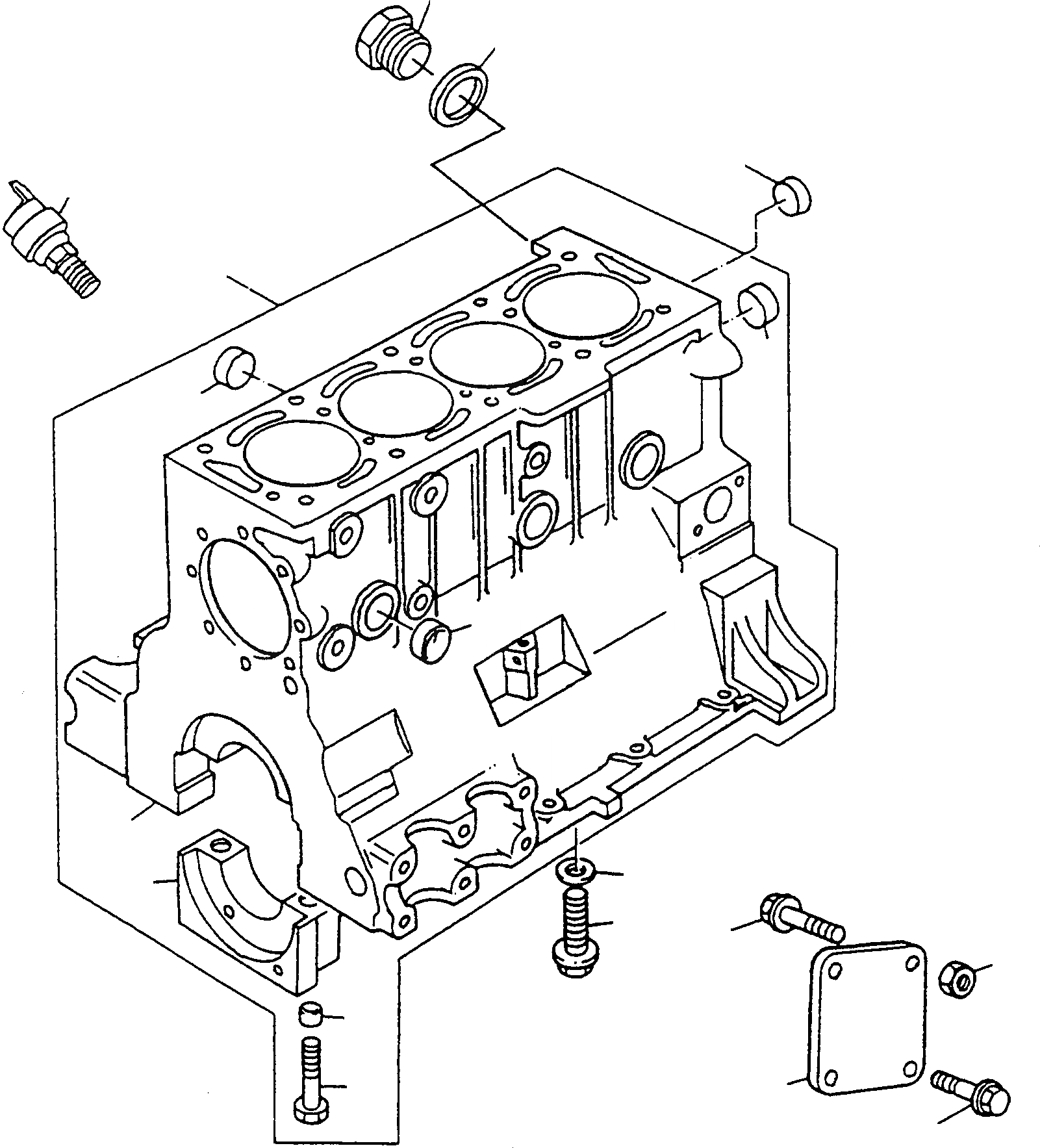
Запчасти Komatsu WA60-1 БЛОК ЦИЛИНДРОВ И ATTACHING ЧАСТИ ДВИГАТЕЛЬ, КРЕПЛЕНИЕ ДВИГАТЕЛЯ

Схема запчастей Komatsu WA60-1 - БЛОК ЦИЛИНДРОВ И ATTACHING ЧАСТИ ДВИГАТЕЛЬ, КРЕПЛЕНИЕ ДВИГАТЕЛЯ
10
5
11
9
16
1
6
6
6
2
8
3
7
14
15
12
4
13
FIT
1:1
100%

Артикул

Название

Примечание

Количество

1

4918190M91

CYLINDER BLOCK

1шт.

2

CYLINDER BLOCK

1шт.

3

BEARING

5шт.

4

4918192M1

SCREW

10шт.

5

4918193M1

DOWEL

10шт.

6

4918191M1

PLUG

8шт.

7

4918194M1

SCREW

4шт.

8

4908641M1

DISC

4шт.

9

4918195M1

PLUG

1шт.

10

4917969M1

PLUG

1шт.

11

4917970M1

PLAIN WASHER

1шт.

12

4918196M1

PLATE

1шт.

13

4917301M1

SCREW

2шт.

14

4918197M1

SCREW

2шт.

15

4917925M1

NUT

2шт.

16

3071610M2

OIL SWITCH

1шт.

Выбрано товаров: 16