Запчасти Komatsu WA60-1 AXIAL ПОРШЕНЬ НАСОС AXIAL ПОРШЕНЬ НАСОС

Схема запчастей Komatsu WA60-1 - AXIAL ПОРШЕНЬ НАСОС AXIAL ПОРШЕНЬ НАСОС
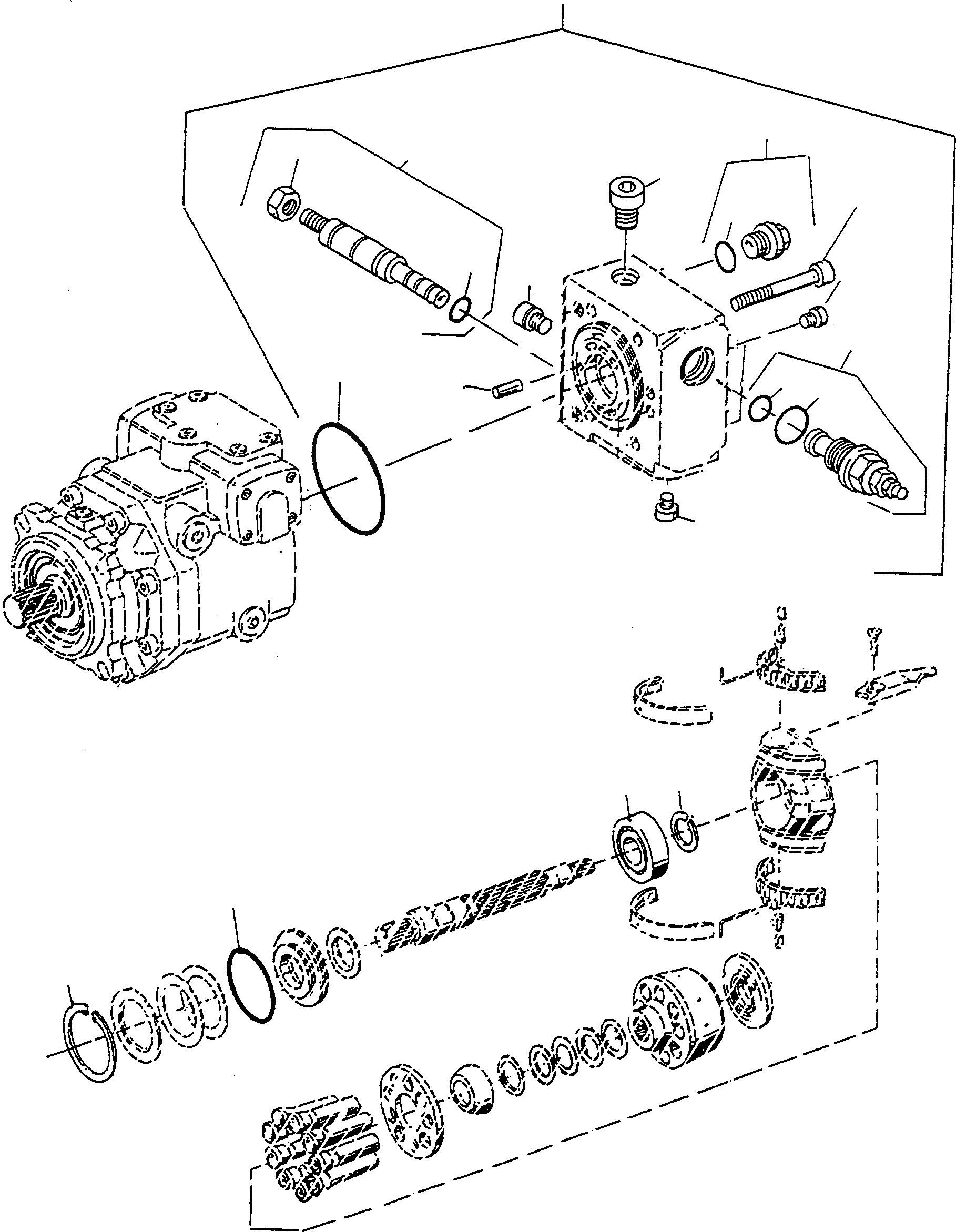
1
6
10
4
8
15
14
2
7
9
16
13
3
12
5
11
20
19
18
17
FIT
1:1
100%

Артикул

Название

Примечание

Количество

1

4918255M91

PLATE

1шт.

2

4918292M1

SCREW

4шт.

3

4918293M91

PRESSURE LIMIT.VALVE

2шт.

4

4912713M1

O-RING

1шт.

5

4918294M1

BACK-UP RING

1шт.

6

4918295M91

PRESSURE LIMIT.VALVE

1шт.

7

4912713M1

O-RING

1шт.

8

4918296M91

BY-PASS VALVE

1шт.

9

4918297M1

O-RING

1шт.

10

4912719M1

NUT

1шт.

11

4918298M1

PLUG

3шт.

12

4918299M1

O-RING

1шт.

13

4903377M1

SCREW

1шт.

14

1442522X1

DOWEL

2шт.

15

4908989M1

PLUG

2шт.

16

NOT USED

-1шт.

17

1440516X1

CIRCLIP

1шт.

18

4917396M1

O-RING

1шт.

19

4918301M91

BEARING

1шт.

20

339469X1

CIRCLIP

1шт.

Выбрано товаров: 20