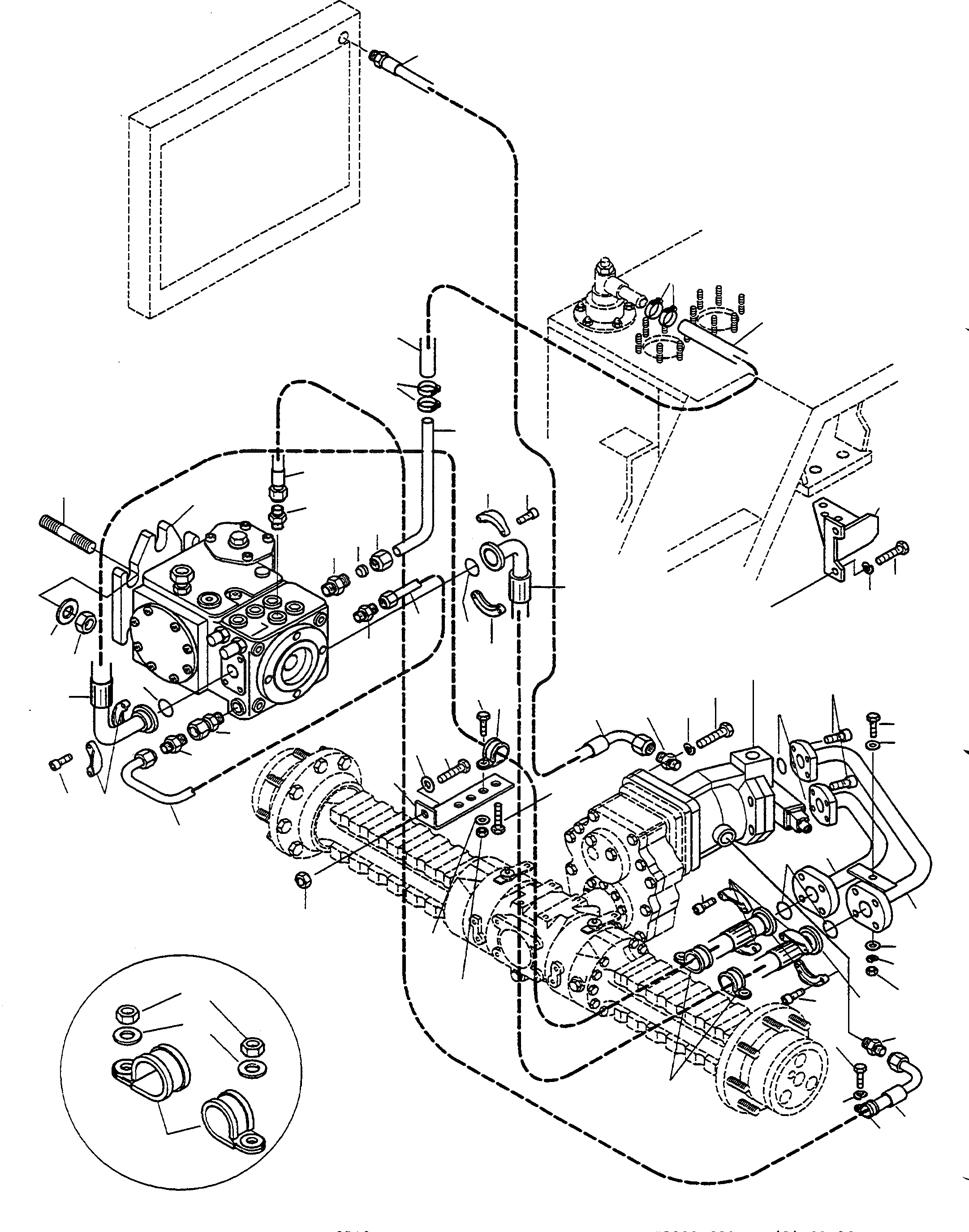
Запчасти Komatsu WA60-1 HYDROSTAT ТРАНСМИССИЯ ТРАНСМИССИЯ, КРЕСТОВИНА

Схема запчастей Komatsu WA60-1 - HYDROSTAT ТРАНСМИССИЯ ТРАНСМИССИЯ, КРЕСТОВИНА
15
13
42
18
21
28
33
2
3
3
2
4
22
23
14
9
47
1
17
6
5
7
37
46
45
10
8
23
43
11
40
13
44
30
12
36
45
29
33
41
48
25
27
31
16
24
32
14
23
15
38
36
34
35
26
39
31
31
18
18
35
37
31
29
28
20
22
19
28
FIT
1:1
100%

Артикул

Название

Примечание

Количество

1

4250031M91

AXIAL PISTON PUMP

1шт.

|$49

AXIAL PISTON PUMP

-3шт.

2

1444840X1

CLIP

4шт.

3

4700239X1

HOSE

1шт.

4

4250906M91

PIPE

1шт.

5

1443842X1

OLIVE

1шт.

6

1443838X1

BOXNUT

1шт.

7

4700269X1

STUD

1шт.

8

4700266X1

STUD

1шт.

9

3005339X1

STUD BOLT

2шт.

10

2987133M1

CIRCLIP

2шт.

11

4700025X1

NUT

2шт.

12

4700656X91

HOSE ASSEMBLY

1шт.

13

1444847X1

O-RING

3шт.

14

1444187X1

SCREW

8шт.

15

4250904M91

PIPE

1шт.

16

4700380X91

REDUCER

1шт.

17

4700267X1

STUD

1шт.

18

339402X1

NUT

4шт.

19

3008983X1

CLIP

2шт.

20

2993679X1

CIRCLIP

2шт.

21

339679X1

SCREW

2шт.

22

4700653X91

HOSE ASSEMBLY

1шт.

23

2995049X1

HALF FLANGE

4шт.

24

4250357M1

BRACKET

1шт.

25

390735X1

PLAIN WASHER

1шт.

26

1444330X1

NUT

1шт.

27

1444066X1

SCREW

1шт.

28

3008982X1

CLIP

3шт.

29

4700365X1

STUD

2шт.

30

390799X1

SCREW

1шт.

31

390734X1

PLAIN WASHER

5шт.

32

339761X1

SCREW

1шт.

33

4700654X91

HOSE ASSEMBLY

1шт.

34

2995051X1

HALF FLANGE

4шт.

35

2995292X1

SCREW

4шт.

36

1444848X1

O-RING

4шт.

37

4700165X91

HOSE ASSEMBLY

1шт.

38

4240535M92

PIPE

1шт.

39

4240533M92

PIPE

1шт.

40

2995291X1

SCREW

8шт.

41

339814X1

SCREW

1шт.

42

2993680X1

LOCK WASHER

1шт.

43

4250028M91

AXIAL PISTON ENGINE

1шт.

|$50

AXIAL PISTON ENGINE

-3шт.

44

390912X1

SCREW

2шт.

45

2999755M1

CIRCLIP

4шт.

46

390887X1

SCREW

2шт.

47

4250372M91

BRACKET

1шт.

48

3000620X91

CHECK VALVE

1шт.

Выбрано товаров: 50