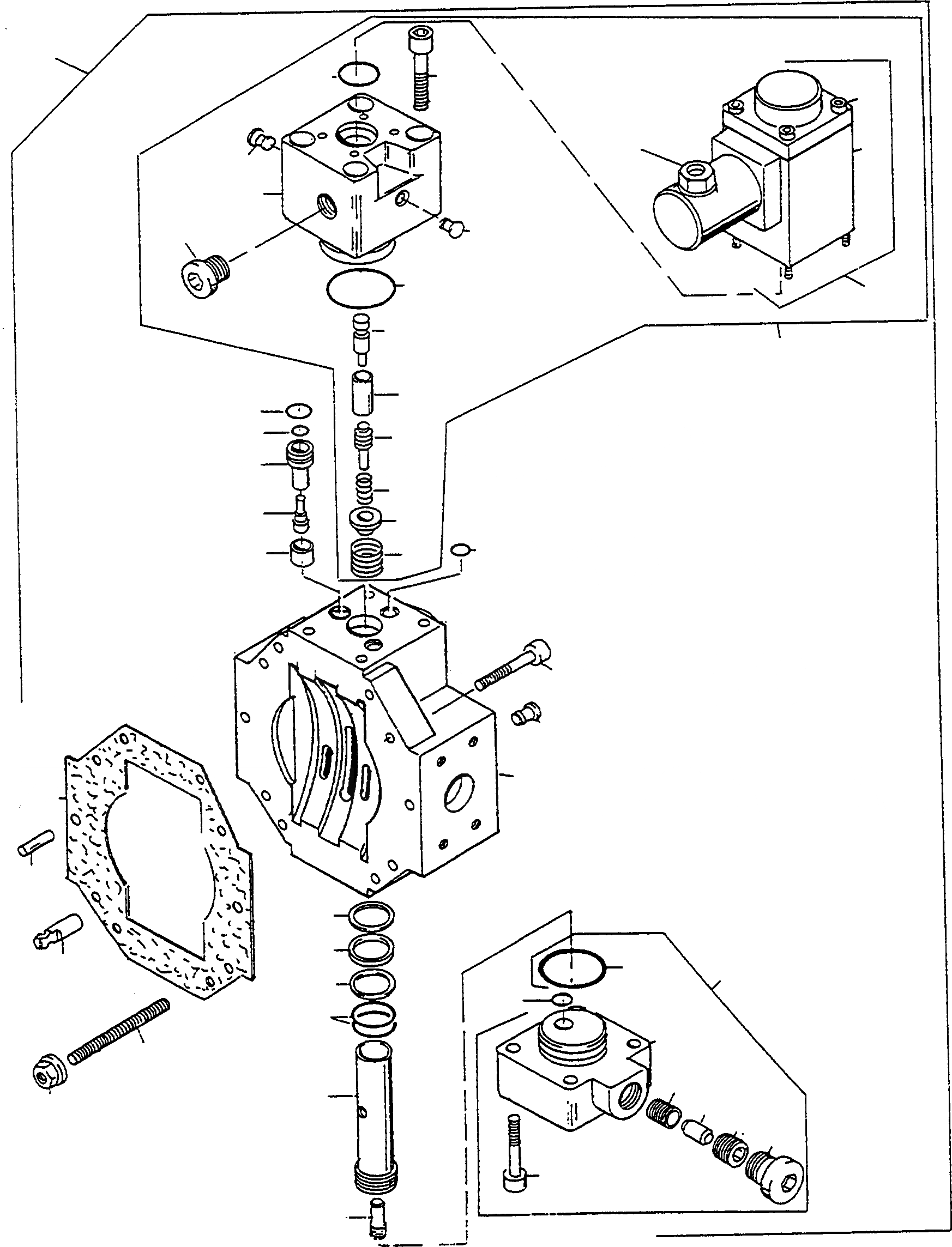
Запчасти Komatsu WA60-1 VARIATOR ТРАНСМИССИЯ, КРЕСТОВИНА

Схема запчастей Komatsu WA60-1 - VARIATOR ТРАНСМИССИЯ, КРЕСТОВИНА
35
1
44
40
39
34
41
43
31
33
32
35
37
36
38
30
29
45
28
27
24
25
10
26
42
23
22
21
20
19
14
14
18
9
2
15
10
13
3
16
7
12
6
17
5
4
8
11
FIT
1:1
100%

Артикул

Название

Примечание

Количество

1

4918218M91

VARIATOR

1шт.

2

4918230M91

COVER

1шт.

3

4918231M1

COVER

1шт.

4

4908989M1

PLUG

1шт.

5

4915124M1

SCREW

1шт.

6

4918232M1

PEG

1шт.

7

4915122M1

SCREW

1шт.

8

3004600X1

SCREW

4шт.

9

4918233M1

O-RING

1шт.

10

4912663M1

O-RING

3шт.

11

4918234M1

GRUB SCREW

1шт.

12

4918235M1

PISTON

1шт.

13

4915379M1

PISTON RING

2шт.

14

4918236M1

BACK-UP RING

2шт.

15

4918237M1

RING

1шт.

16

4918225M1

GRUB SCREW

1шт.

17

4915028M1

NUT

1шт.

18

4918238M1

JOURNAL

1шт.

19

4918239M1

DOWEL

2шт.

20

4918240M1

GASKET

1шт.

21

HOUSING

1шт.

22

4908997M1

PLUG

1шт.

23

2995294X1

SCREW

8шт.

24

4915106M1

PILOT

2шт.

25

4915107M1

PIN

2шт.

26

4915108M1

BUSHING

2шт.

27

4915096M1

O-RING

2шт.

28

4915097M1

O-RING

2шт.

29

4918241M91

PILOT

1шт.

30

4918242M91

MAGNET

1шт.

31

2995499X1

SCREW

4шт.

32

4918243M91

MAGNET

1шт.

33

4912002M1

SOCKET

1шт.

34

3004625X1

SCREW

4шт.

35

4915121M1

PLUG

1шт.

36

4912670M1

PLUG

1шт.

37

4918244M1

HOUSING

1шт.

38

4918245M1

O-RING

1шт.

39

4912003M1

O-RING

2шт.

40

4918246M1

PIN

1шт.

41

4918247M1

COMPRESSION SPRING

1шт.

42

4918248M1

COMPRESSION SPRING

1шт.

43

4918249M1

BUSHING

1шт.

44

4918250M1

PISTON

1шт.

45

4918251M1

BUSHING

1шт.

Выбрано товаров: 45