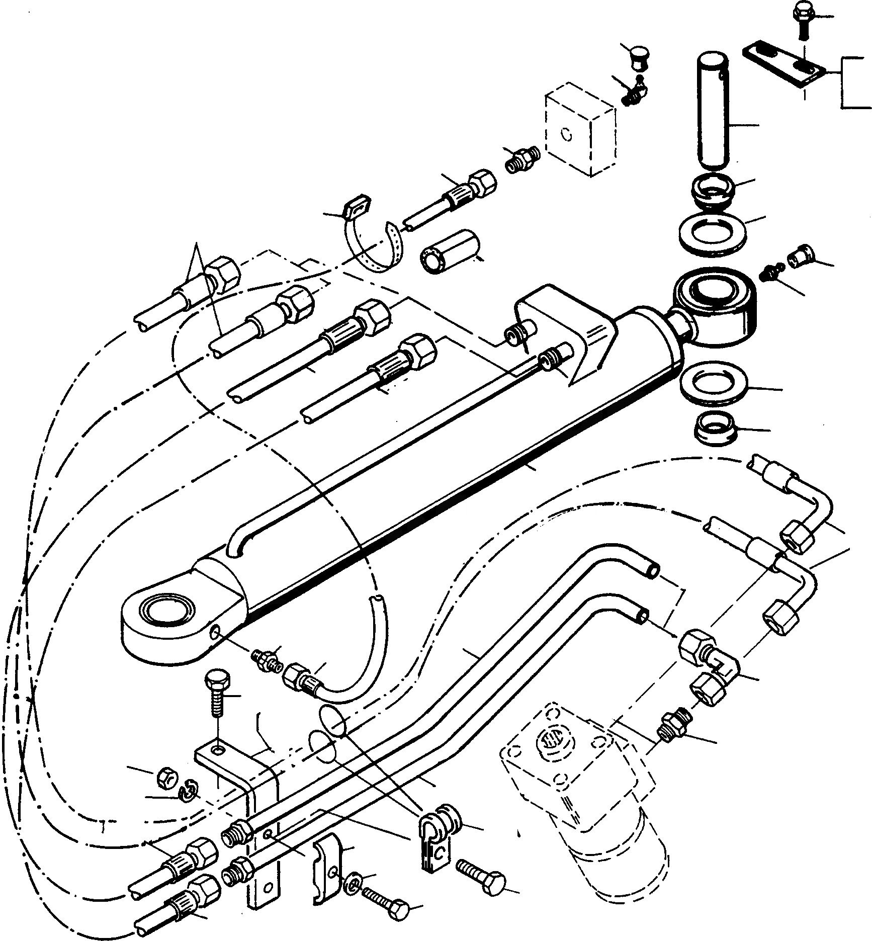
Запчасти Komatsu WA60-1 ЦИЛИНДР РУЛЕВ. УПР-Я И ТРУБЫS 7 РУЛЕВ. УПРАВЛЕНИЕ

Схема запчастей Komatsu WA60-1 - ЦИЛИНДР РУЛЕВ. УПР-Я И ТРУБЫS 7 РУЛЕВ. УПРАВЛЕНИЕ
4
14
11A
4
11A
3
13
8A
7A
7
19
12
20
21
15
22
16
28
18
11
16
11
15
17
20
2
21
6
23
5
25
1
26
11
8
10
27
9
11
24
FIT
1:1
100%

Артикул

Название

Примечание

Количество

1

4240518M91

TUBE

1шт.

2

4240516M91

TUBE

1шт.

3

391335X1

LUBRICATION NIPPLE

1шт.

4

4002162M1

SECURITY CAP

2шт.

5

4700276X1

STUD

2шт.

6

4700286X91

ELBOW

2шт.

7

4240992M91

BRACKET

1шт.

7A

4250923M91

BRACKET

1шт.

8

2891968M1

CLIP

1шт.

8A

2995565X1

CLIP

2шт.

9

1444132X1

SCREW

1шт.

10

2993680X1

LOCK WASHER

1шт.

11

4700101X91

HOSE ASSEMBLY

2шт.

11A

4700678X91

HOSE ASSEMBLY

2шт.

12

4242009M1

PIN

2шт.

13

2950005M1

AXLE HOLDER

1шт.

14

1444133X1

SCREW

4шт.

15

4240245M1

RING

4шт.

16

2994786M1

SEAL

4шт.

17

4240085M91

STEERING CYLINDER

1шт.

|$32

STEERING CYLINDER

-3шт.

18

339608X1

LUBRICATION NIPPLE

1шт.

19

2951972M91

AXLE HOLDER

1шт.

20

4700262X1

STUD

2шт.

21

4700261X91

HOSE ASSEMBLY

1шт.

22

2999878M1

BRACE

3шт.

23

390799X1

SCREW

1шт.

24

1444132X1

SCREW

1шт.

25

339169X1

NUT

1шт.

26

2993679X1

CIRCLIP

1шт.

27

339761X1

SCREW

1шт.

28

1443900X1

HOSE

1шт.

Выбрано товаров: 32