Запчасти Komatsu WA600-1 РАДИАТОР И ТРУБЫ КОМПОНЕНТЫ ДВИГАТЕЛЯ И ЭЛЕКТРИКА

Схема запчастей Komatsu WA600-1 - РАДИАТОР И ТРУБЫ КОМПОНЕНТЫ ДВИГАТЕЛЯ И ЭЛЕКТРИКА
FIT
1:1
100%

Артикул

Название

Примечание

Количество

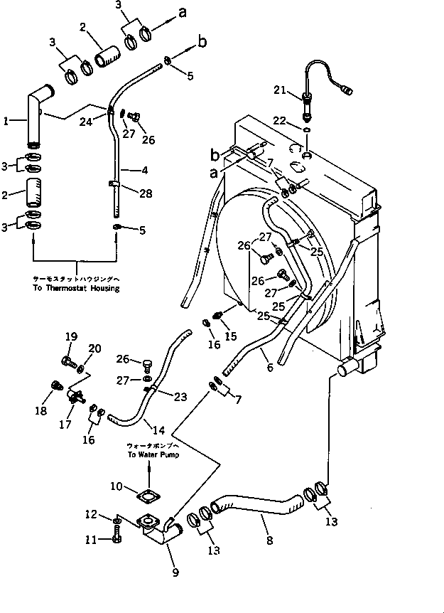
1

426-03-11341

TUBE

SN: 10001-UP

1шт.

2

425-03-12140

HOSE

SN: 10001-UP

2шт.

3

07281-01029

CLAMP

SN: 10001-UP

8шт.

4

09483-40309

HOSE

SN: 10001-UP

1шт.

5

07281-00197

CLAMP

SN: 10001-UP

2шт.

6

09483-46180

HOSE

SN: 10001-UP

1шт.

7

07281-00419

CLAMP

SN: 10001-UP

2шт.

8

426-03-11361

HOSE

SN: 10001-UP

1шт.

9

426-03-11352

TUBE

SN: 10001-UP

1шт.

10

6693-62-9242

GASKET

SN: 11242-UP

1шт.

10

6693-62-9241

GASKET

SN: 10001-11237

1шт.

11

01010-51030

BOLT

SN: 10001-UP

4шт.

12

01643-51032

WASHER

SN: 10001-UP

4шт.

13

07281-01029

CLAMP

SN: 10001-UP

4шт.

14

426-09-11240

HOSE

SN: 10001-UP

1шт.

15

6137-81-3231

NIPPLE

SN: 10001-UP

1шт.

16

07281-00359

CLAMP

SN: 10001-UP

3шт.

17

426-01-11231

TUBE

SN: 10001-UP

1шт.

18

424-01-11110

PLUG

SN: 10001-UP

1шт.

19

01010-81025

BOLT

SN: 10001-UP

2шт.

20

01643-31032

WASHER

SN: 10001-UP

2шт.

21

7861-91-4510

SENSOR,WATER LEVEL

SN: 10183-UP

1шт.

21

0

SENSOR,WATER LEVEL

SN: 10001-10182

1шт.

22

07002-23634

O-RING

SN: 10001-UP

1шт.

23

08036-03014

CLIP

SN: 10001-UP

1шт.

24

08036-01814

CLIP

SN: 10001-UP

1шт.

25

281-01-13180

CLIP

SN: 10001-UP

3шт.

26

01010-81020

BOLT

SN: 10001-UP

5шт.

27

01643-31032

WASHER

SN: 10001-UP

5шт.

28

08036-01814

CLIP

SN: 10001-UP

1шт.

29

07043-70415

PLUG

SN: 10003-UP

1шт.

Выбрано товаров: 31