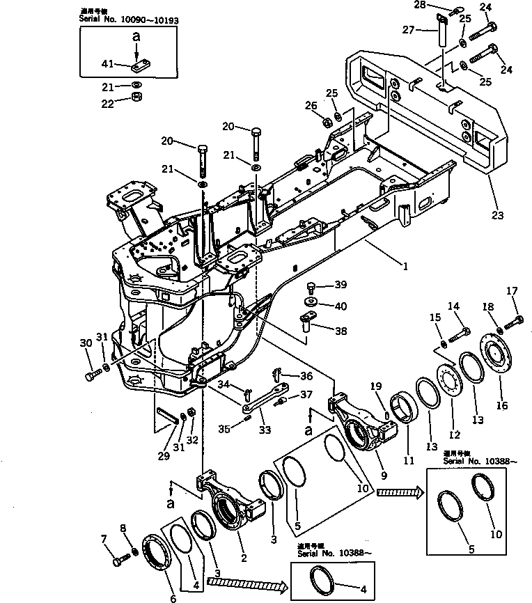
Запчасти Komatsu WA600-1 ЗАДН. РАМА (СПЕЦ-Я TBG) РАМА И ЧАСТИ КОРПУСА

Схема запчастей Komatsu WA600-1 - ЗАДН. РАМА (СПЕЦ-Я TBG) РАМА И ЧАСТИ КОРПУСА
FIT
1:1
100%

Артикул

Название

Примечание

Количество

1

426-46-12526

FRAME,REAR

SN: 11061-UP

1шт.

1

426-46-12525

FRAME,REAR

SN: 10403-11060

1шт.

1

426-46-12524

FRAME,REAR

SN: 10382-10402

1шт.

1

0

FRAME,REAR

SN: 10360-10381

1шт.

1

0

FRAME,REAR

SN: 10185-10359

1шт.

1

426-46-12521

FRAME,REAR

SN: .-10184

1шт.

1

0

FRAME,REAR

SN: 10001-.

1шт.

1

426-S33-1530

FRAME,REAR (FOR JOY STICK STEERING)

SN: 11061-UP

1шт.

1

426-Z02-1210

FRAME,REAR (FOR WATER SEPARATOR)

SN: 10001-UP

1шт.

2

426-46-12166

SUPPORT,FRONT

SN: 10831-UP

1шт.

2

426-46-12165

SUPPORT,FRONT

SN: 10279-10830

1шт.

2

0

SUPPORT,FRONT

SN: 10223-10278

1шт.

2

0

SUPPORT,FRONT

SN: 10001-10222

1шт.

3

426-46-12231

BUSHING

SN: 10001-UP

2шт.

4

426-46-12341

PACKING

SN: 10400-UP

1шт.

4

0

O-RING

SN: 10001-10339

1шт.

5

426-46-12351

PACKING

SN: 10400-UP

1шт.

5

0

O-RING

SN: 10001-10399

1шт.

6

426-46-12141

RETAINER

SN: 10001-UP

1шт.

7

01010-81245

BOLT

SN: 10001-UP

12шт.

8

01643-31232

WASHER

SN: 10001-UP

12шт.

9

426-46-12173

SUPPORT,REAR

SN: 10223-UP

1шт.

9

0

SUPPORT,REAR

SN: 10001-10222

1шт.

10

425-46-12251

PACKING

SN: 10400-UP

1шт.

10

0

SEAL

SN: 10001-10399

1шт.

11

426-46-12221

BUSHING

SN: 10001-UP

1шт.

12

426-46-12190

PLATE,THRUST

SN: 10001-UP

1шт.

13

426-46-12211

WASHER,THRUST

SN: 10759-UP

2шт.

13

0

WASHER,THRUST

SN: 10001-10758

2шт.

14

01010-61680

BOLT

SN: 10001-UP

12шт.

15

01643-31645

WASHER

SN: 10001-UP

12шт.

16

426-46-81670

COVER

SN: 10001-UP

1шт.

17

01010-51670

BOLT

SN: 10001-UP

12шт.

18

01643-31645

WASHER

SN: 10001-UP

12шт.

19

04020-01842

PIN,DOWEL

SN: 10001-UP

1шт.

20

426-46-12131

BOLT

SN: 10222-UP

8шт.

20

426-46-12921

BOLT

SN: 10185-10221

8шт.

20

426-46-12131

BOLT

SN: 10001-10184

8шт.

21

426-46-11711

WASHER

SN: 10001-UP

16шт.

22

01580-03629

NUT

SN: 10064-UP

8шт.

22

0

NUT

SN: 10001-10063

8шт.

23

426-46-13115

WEIGHT,2314KG,COUNTER

SN: 10577-UP

1шт.

23

426-46-13114

WEIGHT,2314KG,COUNTER

SN: .-10576

1шт.

23

0

WEIGHT,2710KG,COUNTER

SN: 10001-.

1шт.

24

01011-63690

BOLT

SN: 10577-UP

4шт.

24

01011-63090

BOLT

SN: 10001-10576

4шт.

25

01643-33690

WASHER

SN: 10577-UP

6шт.

25

01643-33080

WASHER

SN: 10001-10576

6шт.

26

01596-03629

NUT,LOCK

SN: 10577-UP

2шт.

26

426-46-13130

NUT,LOCK

SN: 10001-10576

2шт.

27

426-46-13210

PIN

SN: 10001-UP

1шт.

28

425-46-13130

PIN,LINCH

SN: 10001-UP

1шт.

29

426-46-12360

PLATE

SN: 10001-UP

1шт.

30

01010-81245

BOLT

SN: 10001-UP

2шт.

31

01643-31232

WASHER

SN: 10001-UP

4шт.

32

01596-01211

NUT,LOCK

SN: 10001-UP

2шт.

33

426-46-12411

BAR,LOCK

SN: 10001-UP

1шт.

34

426-46-12330

PIN

SN: 10001-UP

1шт.

35

04050-10070

PIN,SPRING

SN: 10333-UP

1шт.

35

04050-10060

PIN,SPRING

SN: 10001-10332

1шт.

36

426-46-12420

PIN

SN: 10001-UP

1шт.

37

426-46-12290

LINCH PIN ASS'Y,LINCH

SN: 10001-UP

1шт.

38

426-46-12120

PIN

SN: 10001-UP

2шт.

39

01010-31625

BOLT

SN: 10001-UP

2шт.

40

421-70-11280

WASHER

SN: 10001-UP

2шт.

41

426-46-12910

PLATE

SN: 10185-10221

4шт.

Выбрано товаров: 66