Запчасти Komatsu WA600-1 МАРКИРОВКА (С КАБИНОЙ) (АНГЛ.)(№7-) МАРКИРОВКА¤ ИНСТРУМЕНТ И РЕМКОМПЛЕКТЫ

Схема запчастей Komatsu WA600-1 - МАРКИРОВКА (С КАБИНОЙ) (АНГЛ.)(№7-) МАРКИРОВКА¤ ИНСТРУМЕНТ И РЕМКОМПЛЕКТЫ
FIT
1:1
100%

Артикул

Название

Примечание

Количество

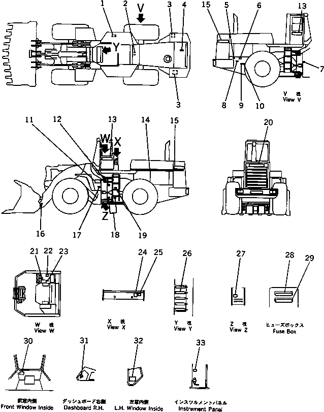
1

09653-03000

PLATE, SAFETY,HYDRAULIC OIL TANK

SN: 10881-UP

1шт.

2

09637-30161

PLATE, INSTRUCTION,AIR CLEANER

SN: 10001-UP

1шт.

3

421-93-11630

PLATE, CAUTION,BATTERY

SN: 10001-UP

2шт.

4

09668-03000

PLATE, SAFETY,RADIATOR CAP

SN: 10001-UP

1шт.

5

362-54-27390

PLATE, CAUTION,FAN BELT

SN: 10001-UP

1шт.

6

426-93-11570

PLATE, OPERATING,REMOTE GREASE

SN: 10001-UP

1шт.

7

09601-00835

PLATE, NAME,(LIMITED SUPPLY)

SN: 10001-UP

1шт.

7

04418-13060

SCREW

SN: 10001-UP

4шт.

8

09101-03000

PLATE, CAUTION,FUEL

SN: 10001-UP

1шт.

9

421-93-11970

PLATE, CAUTION,RADIATOR DRAIN

SN: 10001-UP

1шт.

10

421-93-11380

PLATE, CAUTION,ENGINE OIL DRAIN

SN: 10001-UP

1шт.

11

426-93-11511

CHART, OIL

SN: 10759-UP

1шт.

12

427-93-11310

PLATE, CAUTION,TRANSMISSION OIL LEVEL

SN: 10881-UP

1шт.

13

09690-C0224

PLATE, MARK,KOMATSU

SN: 11167-UP

2шт.

14

426-93-11140

STRIPE

SN: 10001-UP

2шт.

15

426-93-11370

PLATE, MARK,WA600

SN: 11167-UP

2шт.

16

426-93-11550

PLATE, CAUTION,BUCKET

SN: 10001-UP

1шт.

17

423-93-11420

PLATE, CAUTION,KEEP OUT

SN: 10001-UP

2шт.

18

09152-03000

PLATE, SAFETY,AIR RESERVOIR DRAIN

SN: 10001-UP

2шт.

19

421-93-11690

PLATE, CAUTION,BRAKE OIL

SN: 10001-UP

1шт.

20

09690-C0630

PLATE, MARK,KOMATSU

SN: 11167-UP

1шт.

21

09685-00003

PLATE, OPERATING,LEVER LOCK

SN: 10001-UP

1шт.

22

421-93-11132

PLATE, OPERATING,WORK EQUIPMENT

SN: 10001-UP

1шт.

23

421-93-12240

PLATE, OPERATING,RELAY

SN: 10881-UP

1шт.

24

421-93-11940

PLATE, SAFETY,STARTING AND AFTER OPERATING

SN: 10001-UP

1шт.

25

362-98-12150

PLATE, CAUTION

SN: 10001-UP

1шт.

26

426-93-11560

PLATE, OPERATING,REMOTE GREASE

SN: 10001-UP

1шт.

27

362-98-12160

PLATE, CAUTION,FRAME LOCK

SN: 10001-UP

1шт.

28

426-93-11760

PLATE, OPERATING,BREAKER

SN: 10881-UP

1шт.

29

426-93-11770

PLATE, OPERATING,BREAKER

SN: 10881-UP

1шт.

30

419-93-11980

PLATE, CAUTION,TRANSMISSION OIL TEMPERATURE

SN: 10128-UP

1шт.

31

09683-30070

PLATE, OPERATING,MAIN SWITCH

SN: 10001-UP

1шт.

32

426-93-11540

PLATE, OPERATING,MONITOR PANEL

SN: 10001-UP

1шт.

33

427-93-11320

PLATE, OPERATING,ENGINE STOP MOTOR

SN: 10335-UP

1шт.

Выбрано товаров: 34