Запчасти Komatsu WA600-1 МАРКИРОВКА (БЕЗ КАБИНЫ) (КИТАЙ)(№-88) МАРКИРОВКА¤ ИНСТРУМЕНТ И РЕМКОМПЛЕКТЫ

Схема запчастей Komatsu WA600-1 - МАРКИРОВКА (БЕЗ КАБИНЫ) (КИТАЙ)(№-88) МАРКИРОВКА¤ ИНСТРУМЕНТ И РЕМКОМПЛЕКТЫ
FIT
1:1
100%

Артикул

Название

Примечание

Количество

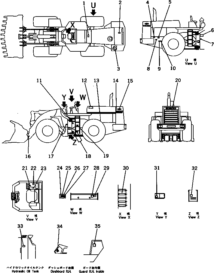
1

09637-90261

PLATE, INSTRUCTION,AIR CLEANER

SN: 10001-UP

1шт.

2

09668-09000

PLATE, SAFETY,RADIATOR CAP

SN: 10001-UP

1шт.

3

421-V04-1150

PLATE, CAUTION,BATTERY

SN: 10001-UP

1шт.

4

419-V04-1140

PLATE, CAUTION,FAN BELT

SN: 10001-UP

1шт.

5

426-V04-1140

PLATE, OPERATING,REMOTE GREASE

SN: 10001-UP

1шт.

6

426-V04-1111

CHART,OIL

SN: 10759-UP

1шт.

6

426-V04-1110

CHART,OIL

SN: 10001-10758

1шт.

7

09601-90835

PLATE, NAME,(LIMITED SUPPLY)

SN: 10001-UP

1шт.

8

09101-09000

PLATE, CAUTION,FUEL

SN: 10001-UP

1шт.

9

421-V04-1130

PLATE, CAUTION,RADIATOR DRAIN

SN: 10001-UP

1шт.

10

421-V04-1140

PLATE, OPERATING,ENGINE OIL DRAIN

SN: 10001-UP

1шт.

11

423-V04-1140

PLATE, CAUTION,TRANSMISSION OIL TEMPERATURE

SN: 10001-UP

1шт.

12

426-93-11140

STRIPE

SN: 10001-UP

2шт.

13

426-93-11120

PLATE, MARK,WA600

SN: 10001-UP

2шт.

14

426-93-11130

PLATE, MARK,SYMBOL

SN: 10001-UP

2шт.

15

426-V04-1150

PLATE, CAUTION,BUCKET

SN: 10001-UP

1шт.

16

419-V04-1160

PLATE, CAUTION,KEEP OUT

SN: 10001-UP

2шт.

17

09152-09000

PLATE, SAFETY,AIR RESERVOIR DRAIN

SN: 10001-UP

2шт.

18

426-V04-1220

PLATE, CAUTION,BRAKE OIL

SN: 10001-UP

1шт.

19

09690-50710

PLATE, MARK,KOMATSU

SN: 10001-UP

1шт.

20

09685-00003

PLATE, OPERATING,LEVER LOCK

SN: 10001-UP

1шт.

21

421-93-11132

PLATE, OPERATING,WORK EQUIPMENT

SN: 10001-UP

1шт.

22

426-V04-1210

PLATE, OPERATING,RELAY

SN: 10001-UP

1шт.

23

426-V04-1190

PLATE, OPERATING,BREAKER

SN: 10001-UP

1шт.

24

426-V04-1180

PLATE, OPERATING,BREAKER

SN: 10001-UP

1шт.

25

426-V04-1170

PLATE, OPERATING,BREAKER

SN: 10001-UP

1шт.

26

426-V04-1160

PLATE, OPERATING,BREAKER

SN: 10001-UP

1шт.

27

419-V04-1150

PLATE, SAFETY,STARTING AND AFTER OPERATING

SN: 10001-UP

1шт.

28

419-V04-1120

PLATE, CAUTION

SN: 10001-UP

1шт.

29

426-V04-1190

PLATE, OPERATING,REMOTE GREASE

SN: 10001-UP

1шт.

30

419-V04-1190

PLATE, CAUTION,TRANSMISSION OIL TEMPERATURE

SN: 10001-UP

1шт.

31

419-V04-1130

PLATE, CAUTION,FRAME LOCK

SN: 10001-UP

1шт.

32

09653-09000

PLATE, SAFETY,HYDRAULIC OIL TANK

SN: 10001-UP

1шт.

33

09683-90070

PLATE, OPERATING,MAIN SWITCH

SN: 10001-UP

1шт.

34

426-V04-1120

PLATE, OPERATING,MONITOR PANEL

SN: 10001-UP

1шт.

35

427-V04-1280

PLATE, OPERATING,ENGINE STOP WIPER MOTOR

SN: 10001-UP

1шт.

Выбрано товаров: 36