Запчасти Komatsu WA600-1 ЭЛЕКТРИКА (ЗАДН. ОСВЕЩЕНИЕ) (СПЕЦ-Я TBG) КОМПОНЕНТЫ ДВИГАТЕЛЯ И ЭЛЕКТРИКА

Схема запчастей Komatsu WA600-1 - ЭЛЕКТРИКА (ЗАДН. ОСВЕЩЕНИЕ) (СПЕЦ-Я TBG) КОМПОНЕНТЫ ДВИГАТЕЛЯ И ЭЛЕКТРИКА
FIT
1:1
100%

Артикул

Название

Примечание

Количество

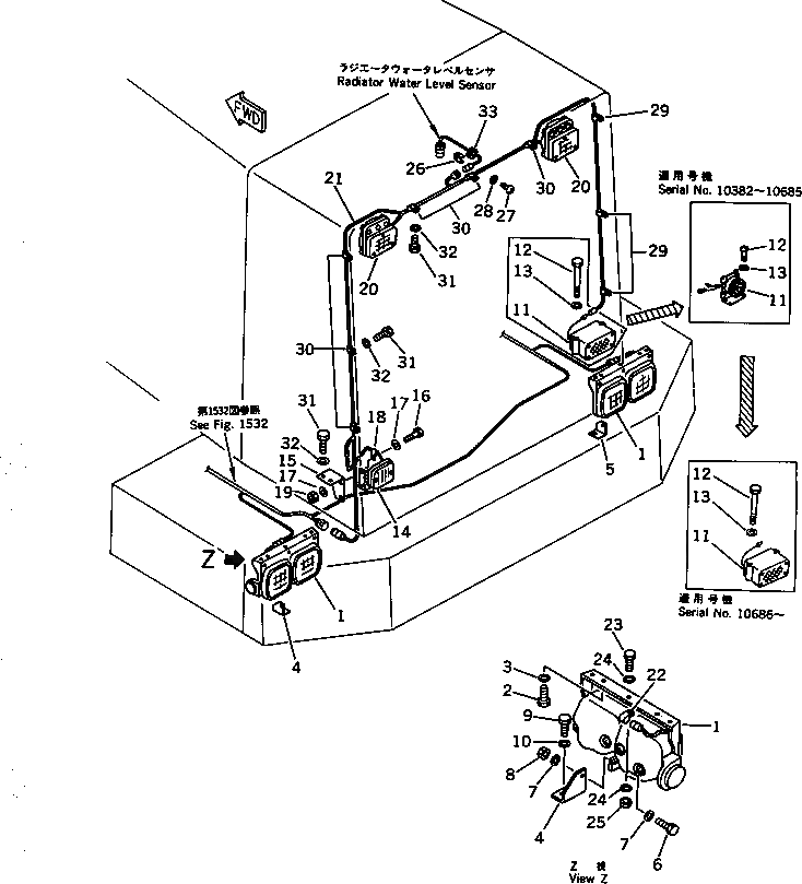
1

421-06-13730

LAMP ASS'Y,REAR L.H.

SN: 10001-UP

1шт.

1

421-06-13820

LAMP ASS'Y,REAR R.H.

SN: 10001-UP

1шт.

1

421-06-13740

LENS,STOP LAMP

SN: 10001-UP

1шт.

1

421-06-13750

LENS,TURN SIGNAL LAMP

SN: 10001-UP

1шт.

1

08105-12420

BULB, 25W

SN: 10001-UP

1шт.

1

08104-12420

BULB, 25/10W

SN: 10001-UP

1шт.

1

08102-02403

BULB, 3W

SN: 10001-UP

1шт.

2

01010-50616

BOLT

SN: 10001-UP

4шт.

3

01643-30823

WASHER

SN: 10001-UP

4шт.

4

426-06-11550

BRACKET,L.H.

SN: 10001-UP

1шт.

5

426-06-11560

BRACKET,R.H.

SN: 10001-UP

1шт.

6

01010-50616

BOLT

SN: 10001-UP

2шт.

7

01643-30623

WASHER

SN: 10001-UP

4шт.

8

01580-10605

NUT

SN: 10001-UP

2шт.

9

01010-50816

BOLT

SN: 10001-UP

2шт.

10

01643-30823

WASHER

SN: 10001-UP

2шт.

11

08164-00000

BUZZER,BACK

SN: 10686-UP

1шт.

11

427-06-11310

BUZZER,BACK

SN: 10387-10685

1шт.

11

08164-00000

BUZZER,BACK

SN: 10001-10386

1шт.

12

6132-11-6460

BOLT

SN: 10686-UP

2шт.

12

01220-30512

SCREW

SN: 10387-10685

2шт.

12

6132-11-6460

BOLT

SN: 10001-10386

2шт.

13

01640-20816

WASHER

SN: 10686-UP

2шт.

13

01641-00508

WASHER

SN: 10387-10685

2шт.

13

01640-20816

WASHER

SN: 10001-10386

2шт.

14

421-06-13901

LAMP ASS'Y,BACK

SN: 10001-UP

1шт.

14

421-06-13911

LENS

SN: 10001-UP

1шт.

14

08105-12420

BULB, 25W

SN: 10001-UP

1шт.

15

426-06-13210

PLATE

SN: 10001-UP

1шт.

16

01010-50820

BOLT

SN: 10001-UP

2шт.

17

01643-30823

WASHER

SN: 10001-UP

4шт.

18

425-43-18780

CLIP

SN: 10185-UP

1шт.

18

362-43-18780

CLIP

SN: 10001-10184

1шт.

19

01580-10806

NUT

SN: 10001-UP

2шт.

20

421-06-13202

WORK LAMP ASS'Y

SN: 10001-UP

2шт.

20

22W-06-12170

BULB

SN: 10001-UP

1шт.

20

421-06-13120

CUSHION

SN: 10001-UP

4шт.

21

426-06-12131

WIRE ASS'Y

SN: 10001-UP

1шт.

22

424-06-12780

CLIP

SN: 10185-UP

2шт.

22

0

CLIP

SN: 10001-10184

2шт.

23

01010-50820

BOLT

SN: 10001-UP

2шт.

24

01643-30823

WASHER

SN: 10001-UP

4шт.

25

01580-10806

NUT

SN: 10001-UP

2шт.

26

421-06-12910

CLIP

SN: 10001-UP

1шт.

27

01220-40608

SCREW

SN: 10001-UP

1шт.

28

01641-20608

WASHER

SN: 10001-UP

1шт.

29

362-43-18780

CLIP

SN: 10001-10373

3шт.

30

425-70-13120

CLIP

SN: 10001-10373

6шт.

31

01010-51020

BOLT

SN: 10001-10373

9шт.

32

01643-31032

WASHER

SN: 10001-10373

9шт.

33

08037-02512

GROMMET

SN: 10001-UP

1шт.

Выбрано товаров: 51