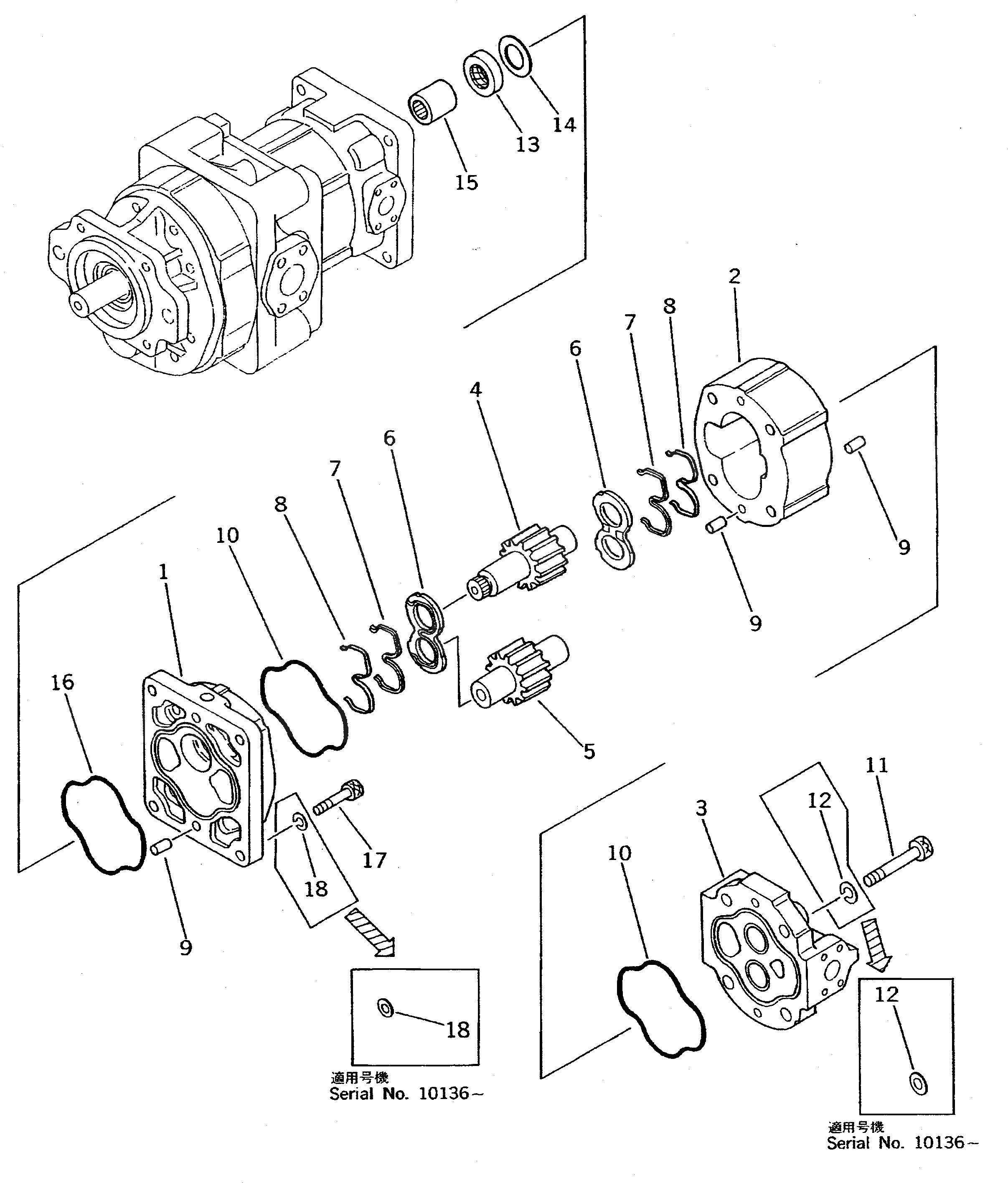
Запчасти Komatsu WA600-1 ГИДР. НАСОС. (/) (ПЕРЕКЛЮЧАТЕЛЬ) ТРАНСМИССИЯ

Схема запчастей Komatsu WA600-1 - ГИДР. НАСОС. (/) (ПЕРЕКЛЮЧАТЕЛЬ) ТРАНСМИССИЯ
FIT
1:1
100%

Артикул

Название

Примечание

Количество

|$0

705-58-46001

PUMP ASS'Y,(SAR125+100+100)

SN: 10001-UP

1шт.

|$1

0

PUMP ASS'Y,(SAR125+100+100)

SN: (10001-10135)

1шт.

|$$3

-1шт.

|$3

705-12-40831

PUMP ASS'Y,(SAR100)

SN: 10001-UP

1шт.

|$4

0

PUMP ASS'Y,(SAR100)

SN: (10001-10135)

1шт.

1

0

BRACKET

SN: 10136-UP

1шт.

1

0

BRACKET

SN: 10001-10135

1шт.

1

0

BUSHING,PLANE

SN: 10001-UP

2шт.

2

0

CASE,GEAR

SN: 10001-UP

1шт.

3

0

COVER ASS'Y

SN: 10136-UP

1шт.

3

0

COVER ASS'Y

SN: 10001-10135

1шт.

3

0

BUSHING,PLANE

SN: 10001-UP

2шт.

4

0

GEAR,DRIVE

SN: 10001-UP

1шт.

5

0

GEAR,DRIVEN

SN: 10001-UP

1шт.

6

0

PLATE,SIDE

SN: 10001-UP

2шт.

7

0

SEAL,OIL

SN: 10001-UP

2шт.

8

0

RING,BACK-UP

SN: 10001-UP

2шт.

8

0

RING,BACK-UP

SN: (10001-10135)

2шт.

9

0

PIN,DOWEL

SN: 10001-UP

6шт.

10

0

O-RING

SN: 10001-UP

2шт.

11

0

BOLT

SN: 10001-UP

4шт.

12

0

WASHER

SN: 10136-UP

4шт.

12

0

WASHER,SPRING

SN: 10001-10135

4шт.

13

705-17-03850

SEAL,OIL

SN: 10001-UP

1шт.

14

705-18-03870

PLATE

SN: 10001-UP

1шт.

15

705-18-03330

COUPLING ASS'Y

SN: 10001-UP

1шт.

16

705-19-03380

O-RING

SN: 10001-UP

1шт.

17

705-19-03470

BOLT

SN: 10001-UP

4шт.

18

705-17-04890

WASHER

SN: 10136-UP

4шт.

18

0

WASHER,SPRING

SN: 10001-10135

4шт.

Выбрано товаров: 30