Запчасти Komatsu WA600-1 РУЛЕВ. УПРАВЛЕНИЕ МАСЛОПРОВОДЯЩАЯ ЛИНИЯ (ДЛЯ УПРАВЛ-Е ДЖОЙСТИКОМ) (/) (ВСАСЫВ. ЛИНИЯ)(№8-) РУЛЕВ. УПРАВЛЕНИЕ И СИСТЕМА УПРАВЛЕНИЯ

Схема запчастей Komatsu WA600-1 - РУЛЕВ. УПРАВЛЕНИЕ МАСЛОПРОВОДЯЩАЯ ЛИНИЯ (ДЛЯ УПРАВЛ-Е ДЖОЙСТИКОМ) (/) (ВСАСЫВ. ЛИНИЯ)(№8-) РУЛЕВ. УПРАВЛЕНИЕ И СИСТЕМА УПРАВЛЕНИЯ
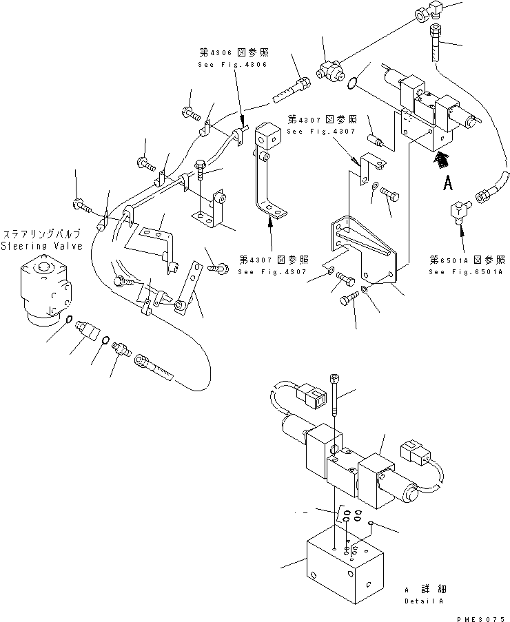
1
2
3
4
5
6
7
8
8
9
10
11
12
13
14
15
16
17
18
19
20
20
21
22
22
23
23
23
23
23
23
24
24
24
24
FIT
1:1
100%

Артикул

Название

Примечание

Количество

1

07102-20306

HOSE

SN: 10865-UP

1шт.

2

415-62-11350

ELBOW

SN: 10865-UP

1шт.

3

415-62-11271

TEE

SN: 10865-UP

1шт.

4

07002-12034

O-RING

SN: 10865-UP

1шт.

5

22W-62-17190

FILTER

SN: 10865-UP

1шт.

6

07102-20314

HOSE

SN: 10865-UP

1шт.

7

415-62-11550

NIPPLE

SN: 10865-UP

1шт.

8

415-62-11560

O-RING

SN: 10865-UP

2шт.

9

415-62-11510

ELBOW

SN: 10865-UP

1шт.

10

427-S33-1890

BLOCK

SN: 10865-UP

1шт.

11

427-S33-1911

VALVE ASS'Y,SOLENOID

SN: 10865-UP

1шт.

12

427-S33-1920

O-RING

SN: 10865-UP

4шт.

13

07000-B1103

O-RING

SN: 10865-UP

1шт.

14

01252-40550

BOLT

SN: 10865-UP

4шт.

15

426-S33-1371

BRACKET

SN: 10865-UP

1шт.

16

01010-81025

BOLT

SN: 10865-UP

2шт.

17

01643-31032

WASHER

SN: 10865-UP

2шт.

18

01010-81225

BOLT

SN: 10865-UP

1шт.

19

01010-81230

BOLT

SN: 10865-UP

1шт.

20

01643-31232

WASHER

SN: 10865-UP

2шт.

21

426-S33-1410

PLATE

SN: 10865-UP

1шт.

22

427-S33-2480

PLATE

SN: 10865-UP

2шт.

23

01435-01020

BOLT

SN: 10865-UP

8шт.

24

04434-51810

CLIP

SN: 10865-UP

4шт.

Выбрано товаров: 24