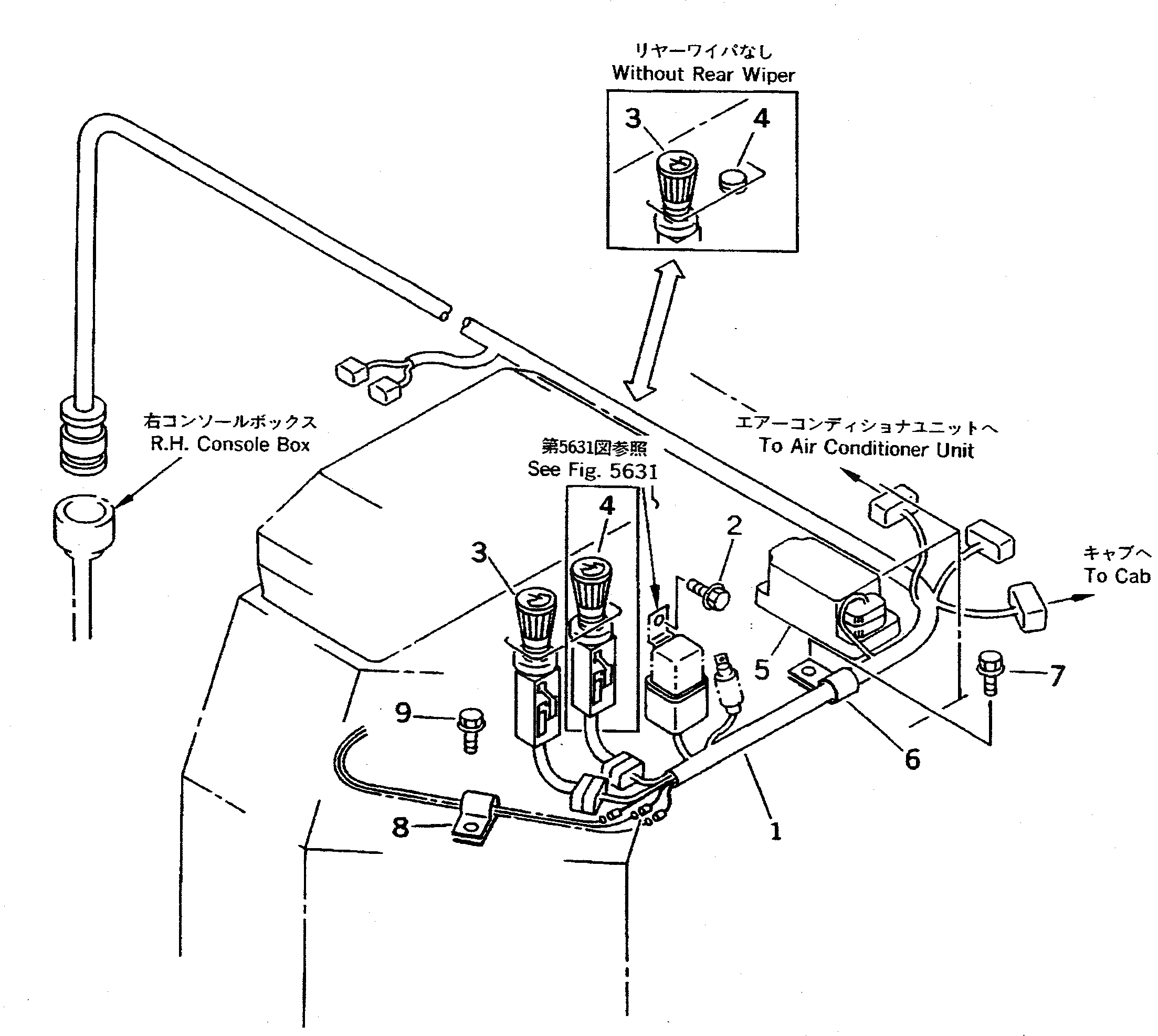
Запчасти Komatsu WA600-1 КОНСОЛЬН. БЛОК¤ ЛЕВ.(№8-) КОМПОНЕНТЫ ДВИГАТЕЛЯ И ЭЛЕКТРИКА

Схема запчастей Komatsu WA600-1 - КОНСОЛЬН. БЛОК¤ ЛЕВ.(№8-) КОМПОНЕНТЫ ДВИГАТЕЛЯ И ЭЛЕКТРИКА
FIT
1:1
100%

Артикул

Название

Примечание

Количество

1

419-06-12930

WIRE ASS'Y

SN: 10865-UP

1шт.

|1

425-963-1540

WIRE ASS'Y

SN: 10668-10864

1шт.

2

01435-00610

BOLT,(FOR RELAY)

SN: 10668-UP

1шт.

3

421-T49-1100

SWITCH,WIPER¤ FRONT

SN: 10668-UP

1шт.

4

421-06-16150

SWITCH,WIPER¤ REAR (WITH REAR WIPER)

SN: 10001-UP

1шт.

|4

09415-01008

CAP,(WITHOUT REAR WIPER)

SN: 10001-UP

1шт.

5

569-06-61140

RELAY,WIPER

SN: 10668-UP

1шт.

6

08036-01814

CLIP

SN: 10001-UP

1шт.

7

01435-01016

BOLT

SN: 10668-UP

1шт.

8

08036-10814

CLIP

SN: 10001-UP

1шт.

9

01435-01016

BOLT

SN: 10668-UP

1шт.

Выбрано товаров: 11