Запчасти Komatsu WA600-1L ПОЛ СУППОРТ -

Схема запчастей Komatsu WA600-1L - ПОЛ СУППОРТ -
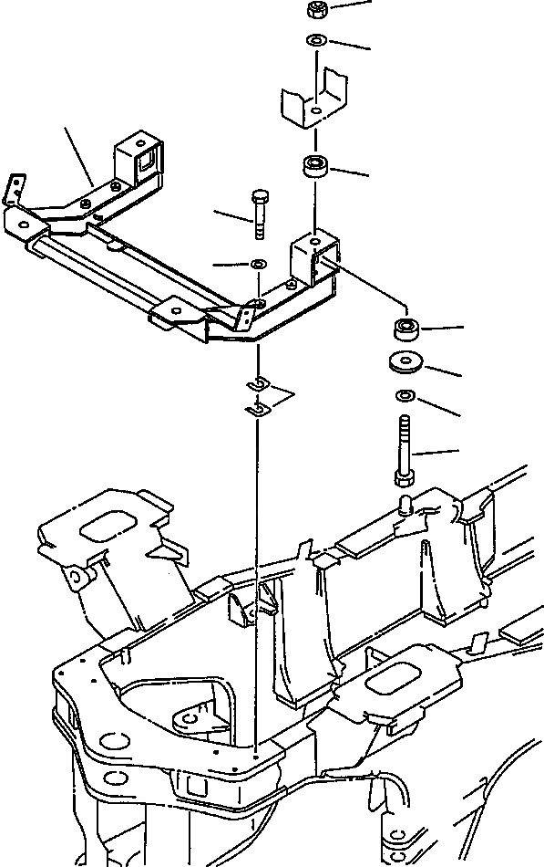
9
10
1
5
2
3
5
6
4
8
7
FIT
1:1
100%

Артикул

Название

Примечание

Количество

1

426-54-13113

SUPPORT

1шт.

2

01011-61670

BOLT

6шт.

3

01643-31645

WASHER

6шт.

4

419-70-13180

SHIM, 1.0MM

8шт.

|$4

419-70-13190

SHIM, 0.5MM

8шт.

5

425-54-13160

CUSHION

8шт.

6

425-54-13170

PLATE

8шт.

7

01011-61610

BOLT

4шт.

8

01643-31645

WASHER

4шт.

9

421-40-11510

NUT, LOCK

4шт.

10

416-40-11150

WASHER

4шт.

Выбрано товаров: 11