Запчасти Komatsu WA600-1L КОНДИЦ. ВОЗДУХА (DENSO) (/) -

Схема запчастей Komatsu WA600-1L - КОНДИЦ. ВОЗДУХА (DENSO) (/) -
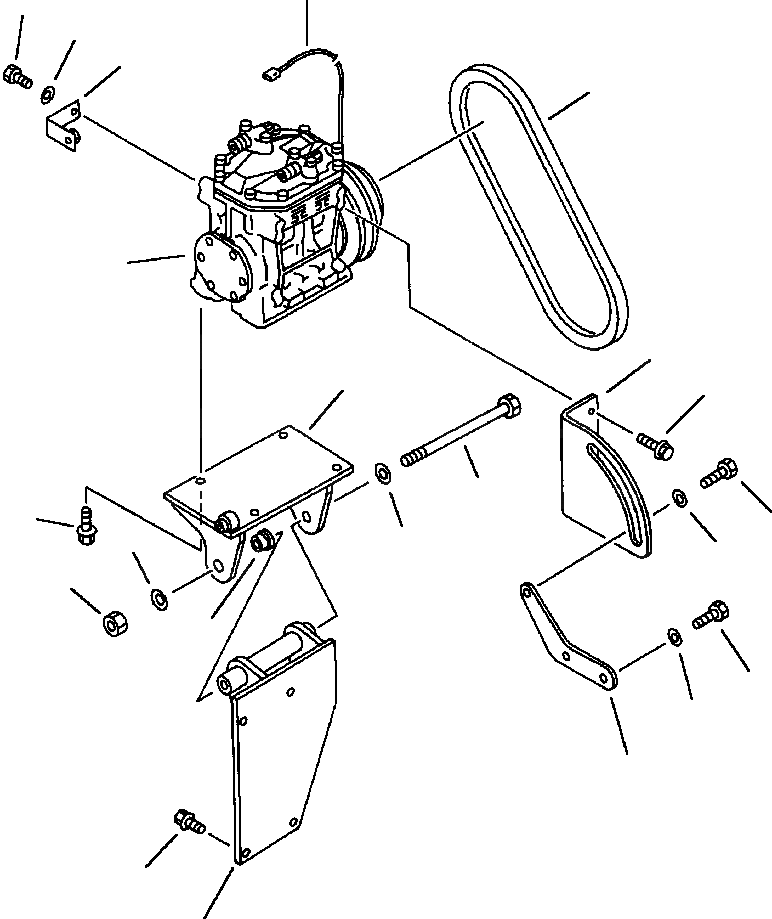
21
18
19
17
20
1
10
2
11
6
3
13
7
7
14
8
9
15
16
12
5
4
FIT
1:1
100%

Артикул

Название

Примечание

Количество

1

425-963-1130

COMPRESSOR ASSEMBLY

1шт.

2

426-963-1131

BRACKET

1шт.

3

01435-00830

BOLT

4шт.

4

426-963-1121

BRACKET

1шт.

5

01435-01020

BOLT

4шт.

6

01011-81255

BOL

1шт.

7

01643-31232

WASHER

2шт.

8

01580-11210

NUT

1шт.

9

419-07-11760

COLLAR

1шт.

10

426-T46-1220

PLATE

1шт.

11

01435-00816

BOLT

2шт.

12

426-T46-1211

PLATE

1шт.

13

01010-51030

BOLT

1шт.

14

01643-31032

WASHER

1шт.

15

01010-51295

BOLT

2шт.

16

01643-51232

WASHER

2шт.

17

427-43-11370

BRACKET

1шт.

18

01010-60816

BOLT

1шт.

19

01643-30823

WASHER

1шт.

20

04120-21737

V-BELT

1шт.

21

425-963-1520

WIRING

1шт.

Выбрано товаров: 21