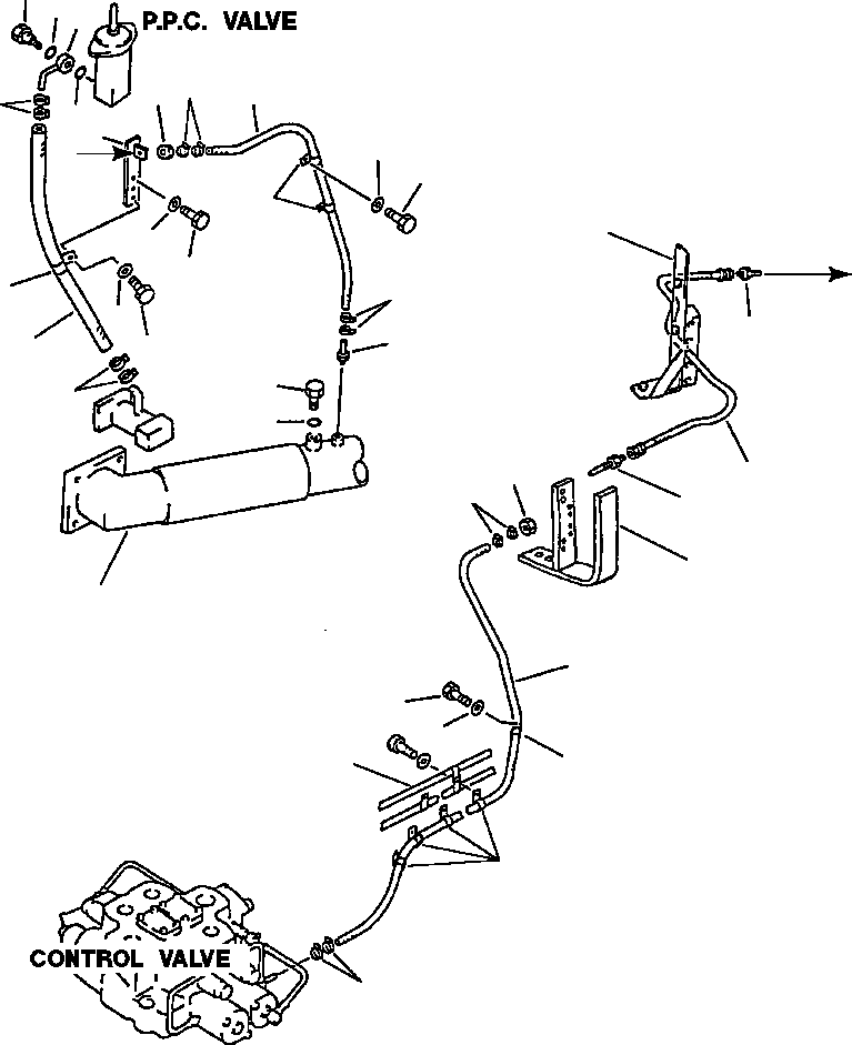
Запчасти Komatsu WA600-1L ГИДРОЛИНИЯ P.P.C. КЛАПАН - УПРАВЛЯЮЩ. КЛАПАН (/) -

Схема запчастей Komatsu WA600-1L - ГИДРОЛИНИЯ P.P.C. КЛАПАН - УПРАВЛЯЮЩ. КЛАПАН (/) -
5
4
3
12
10
11
2
4
16
25
24
23
29
18
17
22
12
25
9
1
13
24
14
2
15
10
8
7
9
28
27
6
20
21
19
26
19
7
A
A
FIT
1:1
100%

Артикул

Название

Примечание

Количество

1

07261-20914

HOSE

1шт.

2

07281-00197

CLAMP

4шт.

3

421-62-14960

JOINT

1шт.

4

07000-02018

O-RING

2шт.

5

706-46-56290

BOLT, EYE

1шт.

6

07261-20930

HOSE

1шт.

7

07281-00197

CLAMP

4шт.

8

07102-20209

HOSE

1шт.

9

421-62-14611

NIPPLE

2шт.

10

01583-11610

NUT

2шт.

11

07261-20910

HOSE

1шт.

12

07281-00197

CLAMP

4шт.

13

567-61-43430

NIPPLE

1шт.

14

07040-12012

PLUG

1шт.

15

07002-12034

O-RING

1шт.

16

426-62-12891

BRACKET

1шт.

17

01010-51020

BOLT

2шт.

18

01643-31032

WASHER

2шт.

19

424-06-12740

CLIP

5шт.

20

01010-51016

BOLT

1шт.

21

01643-31032

WASHER

1шт.

22

04434-51610

CLAMP

1шт.

23

08036-01814

CLIP

2шт.

24

01010-51020

BOLT

3шт.

25

01643-31032

WASHER

3шт.

26

HYD PIPING (1/2), PPC TO CONTROL VALVES (SEE PG 06-074 )

-29шт.

27

HYD PIPING, TANK TO PUMP (SEE PG 06-046)

-29шт.

28

BRACKET (SEE PG 06-074)

-29шт.

29

BRACKET (SEE PG 06-074)

-29шт.

Выбрано товаров: 0