Запчасти Komatsu WA600-1L ГЛУШИТЕЛЬ E-

Схема запчастей Komatsu WA600-1L - ГЛУШИТЕЛЬ E-
7
6
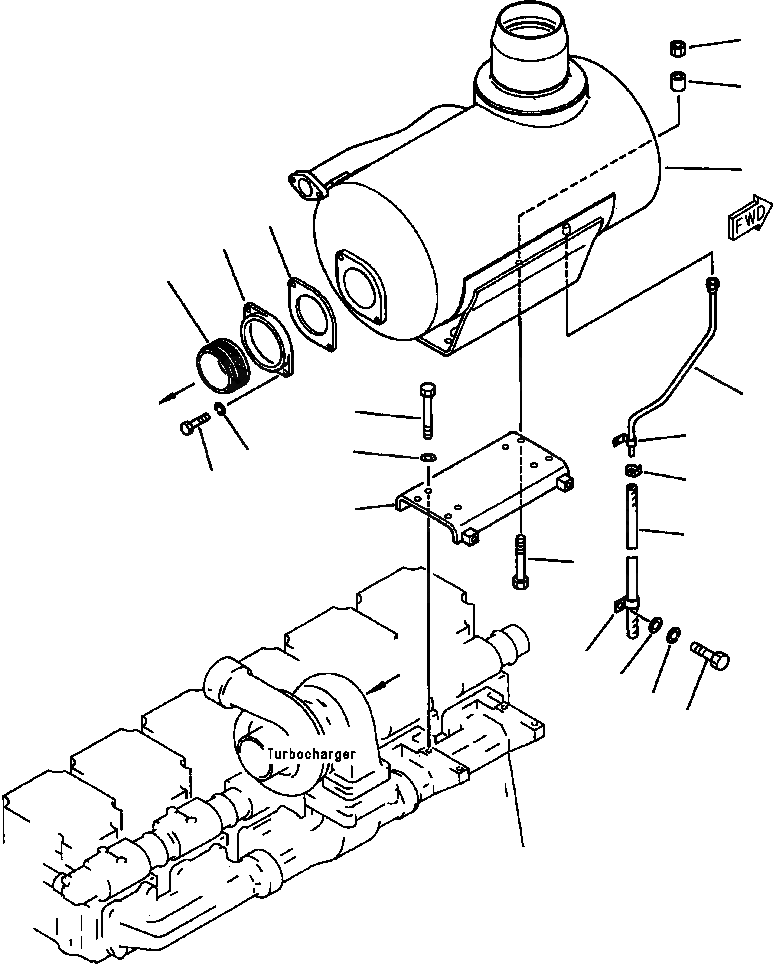
1
9
8
12
13
3
14
4
11
16
10
2
15
5
17
20
19
18
a
a
FIT
1:1
100%

Артикул

Название

Примечание

Количество

1

6162-13-5682

MUFFLER, GLASS WOOL

1шт.

2

6162-13-5390

BRACKET, MUFFLER

1шт.

3

01010-61270

BOLT

4шт.

4

01643-51232

WASHER

4шт.

5

01010-61275

BOLT

4шт.

6

6142-22-4640

SPACER

4шт.

7

01580-01210

NUT

4шт.

8

6162-13-5541

FLANGE

1шт.

9

6162-14-5540

GASKET, MUFFLER

1шт.

10

01010-61030

BOLT

2шт.

11

01602-01030

WASHER, LOCK

2шт.

12

6162-13-5432

JOINT

1шт.

13

6162-13-5690

TUBE, DRAIN

1шт.

14

6162-13-5960

CLAMP

1шт.

15

07261-20915

HOSE, DRAIN

1шт.

16

07281-00197

CLAMP

1шт.

17

6162-13-5750

CLAMP

1шт.

18

01010-31835

BOLT

1шт.

19

01602-01854

WASHER, LOCK

1шт.

20

01640-21826

WASHER

1шт.

Выбрано товаров: 20