Запчасти Komatsu WA600-1L ПЕРЕДН. ПРИВОД COVER E-

Схема запчастей Komatsu WA600-1L - ПЕРЕДН. ПРИВОД COVER E-
5
1
10
9
8
3
2
27
17
16
15
14
7
13
6
15
11
26
14
12
4
22
21
25
24
18
20
19
23
28
FIT
1:1
100%

Артикул

Название

Примечание

Количество

|$0

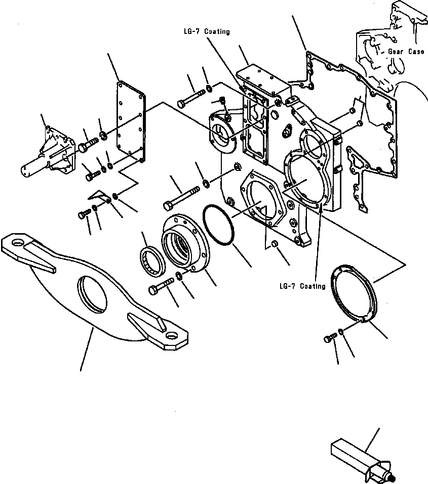
6162-23-3020

COVER ASSY, FRONT GEAR

1шт.

1

NSS

COVER, FRONT GEAR

1шт.

2

07043-00108

PLUG

1шт.

3

07046-11216

PLUG

4шт.

4

07046-11816

PLUG

3шт.

5

6162-23-3250

GASKET, FRONT GEAR COVER

1шт.

6

01011-31410

BOLT

6шт.

7

01602-01442

WASHER, LOCK

6шт.

8

01010-31285

BOLT

2шт.

9

01602-01236

WASHER, LOCK

2шт.

10

6162-23-3370

PLATE

1шт.

11

6162-23-3350

POINTER

1шт.

12

01010-30820

BOLT

2шт.

13

01010-30816

BOLT

3шт.

14

01602-20825

WASHER, LOCK

5шт.

15

01640-20816

WASHER

5шт.

16

01010-31430

BOLT

1шт.

17

01602-01442

WASHER, LOCK

1шт.

18

6162-23-3230

COVER

1шт.

19

01010-30816

BOLT

9шт.

20

01602-20825

WASHER, LOCK

9шт.

21

6162-23-9910

TRUNNION

1шт.

22

07000-65175

O-RING

1шт.

23

426-01-11190

SUPPORT, FRONT ENGINE

1шт.

24

01010-31440

BOLT

6шт.

25

01602-01442

WASHER

6шт.

26

6162-23-3510

SEAL, FRONT

1шт.

27

HUB (SEE PG E5-012)

-29шт.

28

09920-00150

LIQUID GASKET

-2шт.

Выбрано товаров: 29