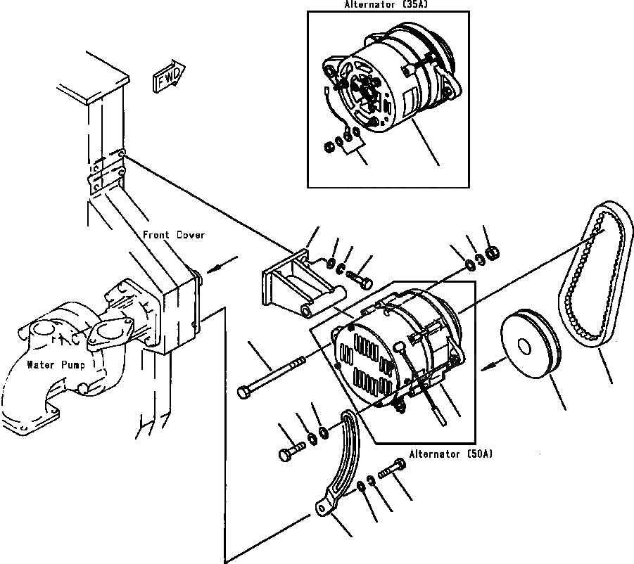
Запчасти Komatsu WA600-1L КРЕПЛЕНИЕ ГЕНЕРАТОРА E-

Схема запчастей Komatsu WA600-1L - КРЕПЛЕНИЕ ГЕНЕРАТОРА E-
19
1
7
2
8
5
9
4
3
6
18
16
15
14
17
1
11
12
13
10
a
a
FIT
1:1
100%

Артикул

Название

Примечание

Количество

1

ALTERNATOR - 50 AMP (SEE PG E6-008)

-29шт.

|$1

ALTERNATOR - 35 AMP (SEE PG E6-010)

-29шт.

|$2

ALTERNATOR - 75 AMP (SEE PG E6-012)

-29шт.

2

6162-83-4313

BRACKET

1шт.

3

01010-31030

BOLT

4шт.

4

01602-01030

WASHER, LOCK

4шт.

5

01640-21016

WASHER

4шт.

6

6128-21-6780

BOLT

1шт.

7

02205-10812

NUT

1шт.

8

01602-21338

WASHER, LOCK

1шт.

9

01640-21323

WASHER

1шт.

10

6162-83-4331

PLATE, ADJUST

1шт.

11

01010-31040

BOLT

1шт.

12

01602-01030

WASHER, LOCK

1шт.

13

01643-31032

WASHER

1шт.

14

01050-31235

BOLT

1шт.

15

01602-01236

WASHER, LOCK

1шт.

16

6691-21-6360

SPACER

1шт.

17

6162-83-1290

PULLEY, ALTERNATOR

1шт.

18

04120-21933

BELT, ALTERNATOR

1шт.

19

154-06-36790

WASHER

2шт.

|$23

-1шт.

|$22

F1 - FOR USE WITH 35 AMP ALTERNATOR ONLY

-1шт.

|$24

-1шт.

Выбрано товаров: 24