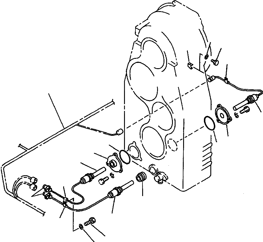
Запчасти Komatsu WA600-1L МАСЛ. ОБОГРЕВАТЕЛЬ. (ДЛЯ EXTREME МОРОЗОУСТОЙЧИВ. СПЕЦ-Я) ТРАНСМИССИЯ ОБОГРЕВАТЕЛЬ. -

Схема запчастей Komatsu WA600-1L - МАСЛ. ОБОГРЕВАТЕЛЬ. (ДЛЯ EXTREME МОРОЗОУСТОЙЧИВ. СПЕЦ-Я) ТРАНСМИССИЯ ОБОГРЕВАТЕЛЬ. -
7
6
5
8
11
1
3
4
4
3
1
8
5
2
1
8
9
10
Transfer Case
FIT
1:1
100%

Артикул

Название

Примечание

Количество

1

600-815-6330

HEATER, TRANSMISSION

3шт.

2

426-Z91-1220

PLUG

1шт.

3

426-Z91-1210

COVER

2шт.

4

07000-02115

O-RING

2шт.

5

421-06-12910

CLIP

3шт.

6

01010-50610

BOLT

3шт.

7

01602-20609

WASHER, SPRING

3шт.

8

08036-00810

CLIP

3шт.

9

01010-51016

BOLT

3шт.

10

01643-31032

WASHER

3шт.

11

HARNESS, OIL HEATER (SEE PG 01-090)

-29шт.

Выбрано товаров: 11