Запчасти Komatsu WA600-1LC РУЛЕВ. УПРАВЛЕНИЕ ЗАПРАШИВАЮЩ. КЛАПАН (/) РУЛЕВ. УПРАВЛЕНИЕ СИСТЕМА УПРАВЛЕНИЯ

Схема запчастей Komatsu WA600-1LC - РУЛЕВ. УПРАВЛЕНИЕ ЗАПРАШИВАЮЩ. КЛАПАН (/) РУЛЕВ. УПРАВЛЕНИЕ СИСТЕМА УПРАВЛЕНИЯ
27
34
28
26
9
24
29
10
25
31
8
32
7
33
30
5
6
4
22
3
18
23
2
35
21
20
23
19
1
22
11
23
13
12
22
15
14
17
16
A
A
FIT
1:1
100%

Артикул

Название

Примечание

Количество

1

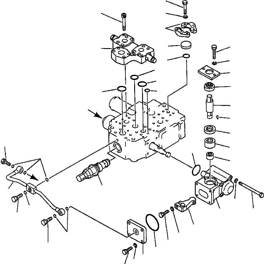
VALVE ASSY, STEERING DEMAND VALVE (SEE PG 04-008)

-29шт.

|$1

702-13-36701

ROTARY SEAL ASSEMBLY

1шт.

|$2

702-13-21610

CASE

1шт.

2

702-13-21620

BEARING, NEEDLE

1шт.

3

06120-02520

BEARING, NEEDLE

1шт.

4

07430-11161

SEAL, OIL

1шт.

5

702-13-21650

SHAFT

1шт.

6

04010-00519

KEY

1шт.

7

07016-20256

SEAL, DUST

1шт.

8

701-51-32170

PLATE

1шт.

9

01010-50820

BOLT

2шт.

10

01602-20825

WASHER, SPRING

2шт.

11

702-13-21642

LEVER

1шт.

|$13

702-13-21680

LEVER

1шт.

12

01010-60835

BOLT

1шт.

13

01602-20825

WASHER, SPRING

1шт.

14

702-13-36630

COVER

1шт.

15

07000-02065

O-RING

1шт.

16

01010-50830

BOLT

4шт.

17

01602-20825

WASHER, SPRING

4шт.

18

07000-03042

O-RING

1шт.

19

233-60-14981

BOLT

4шт.

20

01602-20825

WASHER, SPRING

4шт.

21

702-23-21270

TUBE

1шт.

22

6631-51-9580

BOLT, JOINT

3шт.

23

07000-02012

O-RING

6шт.

24

07378-10500

HEAD

1шт.

25

07000-13022

O-RING

1шт.

26

07371-30500

FLANGE, SPLIT

2шт.

27

01010-50830

BOLT

4шт.

28

01602-20825

WASHER, SPRING

4шт.

29

CASE ASSEMBLY (SEE PG 04-014)

-29шт.

30

07000-03035

O-RING

1шт.

31

07000-03030

O-RING

1шт.

32

07000-13028

O-RING

2шт.

33

07000-01009

O-RING

2шт.

34

01252-40635

BOLT

4шт.

35

709-80-51600

VALVE ASSEMBLY, RELIEF

1шт.

|$40

-1шт.

|$39

F1 - S/N ? AND DOWN

-1шт.

|$41

-1шт.

Выбрано товаров: 41