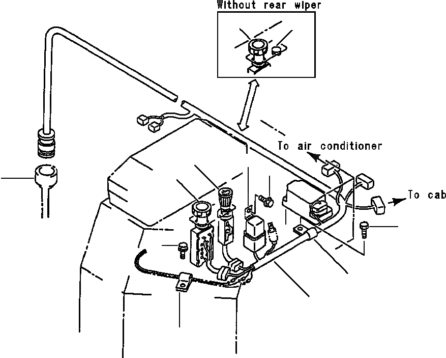
Запчасти Komatsu WA600-1LC ЭЛЕКТРИКА КОНСОЛЬН. БЛОК, ЛЕВ. КОМПОНЕНТЫ ДВИГАТЕЛЯ & ЭЛЕКТРИКА

Схема запчастей Komatsu WA600-1LC - ЭЛЕКТРИКА КОНСОЛЬН. БЛОК, ЛЕВ. КОМПОНЕНТЫ ДВИГАТЕЛЯ & ЭЛЕКТРИКА
3
4
4
11
2
3
10
7
5
9
6
1
8
FIT
1:1
100%

Артикул

Название

Примечание

Количество

1

419-06-12930

HARNESS, L.H. CONSOLE BOX

1шт.

2

01435-00610

BOLT (FOR RELAY)

1шт.

3

421-T49-1100

SWITCH, FRONT WIPER

1шт.

4

421-06-16150

SWITCH, REAR WIPER

1шт.

|$4

09415-01008

CAP

1шт.

5

569-06-61140

RELAY, WIPER

1шт.

6

08036-01814

CLIP

1шт.

7

01435-01016

BOLT

1шт.

8

08036-01814

CLIP

1шт.

9

01435-01016

BOLT

1шт.

10

HARNESS, FLOOR LINE (SEE PG 01-058)

-29шт.

11

RELAY, AIR CONDITIONER (SEE PG 05-112)

-29шт.

|$$13

-1шт.

|$13

F1 - FOR MACHINES EQUIPPED WITH REAR WINDOW WIPER.

-1шт.

|$$15

-1шт.

|$15

F2 - FOR MACHINES EQUIPPED WITHOUT REAR WINDOW WIPER.

-1шт.

|$$17

-1шт.

Выбрано товаров: 0