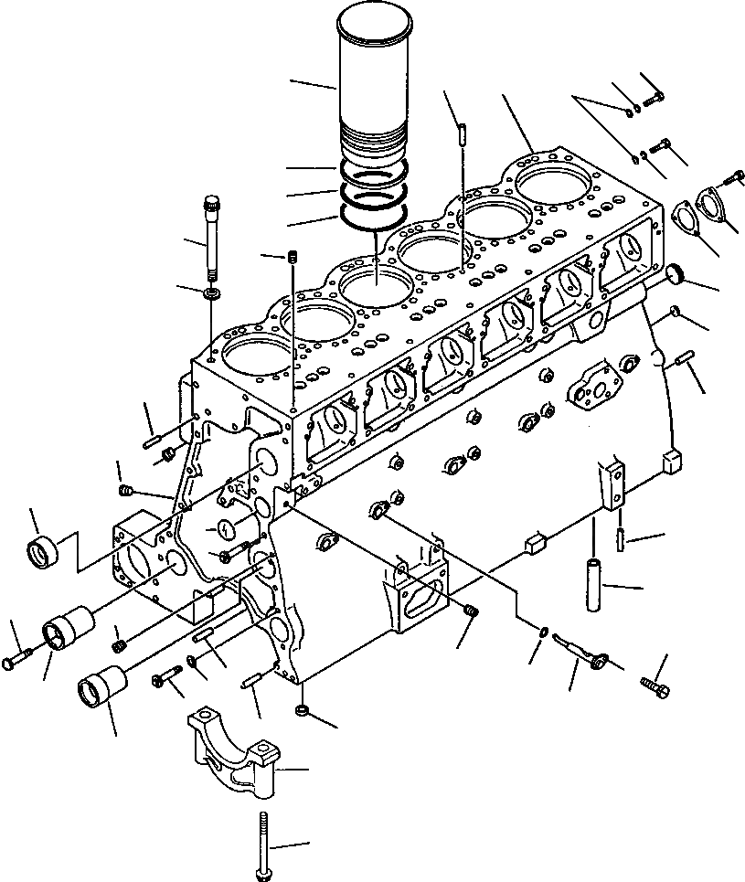
Запчасти Komatsu WA600-1LC БЛОК ЦИЛИНДРОВ БЛОК ЦИЛИНДРОВ

Схема запчастей Komatsu WA600-1LC - БЛОК ЦИЛИНДРОВ БЛОК ЦИЛИНДРОВ
10
35
46
1
36
49
9
35
42
48
47
12
40
38
41
32
27
25
19
16
14
24
26
2
27
17
7
31
21
25
44
13
23
18
34
28
22
8
15
20
29
3
11
FIT
1:1
100%

Артикул

Название

Примечание

Количество

|$0

1241 359 H91

BLOCK ASSEMBLY, CYLINDER

1шт.

1

NSS

BLOCK, CYLINDER

1шт.

2

1239 052 H1

BUSHING

7шт.

3

1238 651 H1

CAP, MAIN BEARING - NO. 2, 3, 4, & 5

4шт.

|$4

1238 652 H1

CAP, MAIN BEARING - NO. 1

1шт.

|$5

1238 653 H1

CAP, MAIN BEARING - NO. 6

1шт.

|$6

1238 661 H1

CAP, MAIN BEARING - NO. 7

1шт.

7

1239 321 H1

BOLT W/WASHER - 3/8-16 X 1

9шт.

8

1238 520 H1

BOLT, TWELVE POINT - 3/8-16 X 1 1/4

2шт.

9

1238 026 H1

BOLT - 5/8-11 X 1 3/4

10шт.

10

1237 988 H1

BOLT - 5/8-11 X 2

2шт.

11

1241 602 H1

BOLT, TWELVE POINT - 1-14 X 7 13/16

14шт.

12

1239 635 H1

BOLT, TWELVE POINT - 3/4-16 X 7 29/32

36шт.

13

1239 515 H1

PLUG, PIPE

1шт.

14

1240 019 H1

PIN, GROOVE

12шт.

15

1239 976 H1

DOWEL, PIN

1шт.

16

1240 090 H1

DOWEL, FLYWHEEL HOUSING

2шт.

17

1239 999 H1

DOWEL, REAR MAIN BEARING

2шт.

18

1238 230 H1

DOWEL

4шт.

19

1238 716 H1

DOWEL, DIAMOND

1шт.

20

1239 144 H1

PLUG, EXPANSION

7шт.

21

1238 813 H1

BOLT, TWELVE POINT

3шт.

22

1239 143 H91

NOZZLE, PISTON COOLING

6шт.

23

1239 326 H1

O-RING

6шт.

24

1239 515 H1

PLUG, PIPE

1шт.

25

1238 345 H1

PLUG, EXPANSION

2шт.

26

1239 161 H1

PLUG, PIPE

1шт.

27

1238 435 H1

PLUG, EXPANSION

2шт.

28

1241 370 H1

SHAFT, IDLER - WATER PUMP

1шт.

29

1241 370 H1

SHAFT, IDLER - CAMSHAFT

1шт.

31

1238 706 H1

TUBE, LUBE OIL TRANSFER

1шт.

32

1238 656 H1

WASHER, PLAIN

36шт.

34

1238 237 H1

WASHER, PLAIN

2шт.

35

1238 100 H1

WASHER, LOCK

12шт.

36

1238 115 H1

WASHER, PLAIN

12шт.

38

1240 101 H1

PLUG, PIPE

8шт.

44

1239 663 H1

BOLT W/WASHER - 5/16-24 X 3/4

6шт.

40

1238 802 H1

COVER, CAMSHAFT

1шт.

41

1239 755 H1

GASKET, CAMSHAFT COVER

1шт.

42

1239 321 H1

BOLT W/WASHER - 3/8-16 X 1

3шт.

|$40

1239 576 H91

KIT, CYLINDER LINER - STD

6шт.

46

NSS

LINER, CYLINDER

1шт.

47

1239 317 H1

SEAL, D RING - BOTTOM

1шт.

48

1239 236 H1

SEAL, D RING - TOP

1шт.

49

1238 667 H1

SEAL, CREVICE

1шт.

|$56

-1шт.

|$46

OVERSIZED CYLINDER LINER KITS

-1шт.

|$47

1241 668 H91

KIT, CYLINDER LINER - .020 IN OVERSIZE

-2шт.

|$48

1241 669 H91

KIT, CYLINDER LINER - .040 IN OVERSIZE

-2шт.

|$49

1241 670 H91

KIT, CYLINDER LINER - .060 IN OVERSIZE

-2шт.

|$50

1241 671 H91

KIT, CYLINDER LINER - .083 IN OVERSIZE

-2шт.

|$51

1241 672 H91

KIT, CYLINDER LINER - .095 IN OVERSIZE

-2шт.

|$57

-1шт.

|$53

LINER SHIMS

-1шт.

|$54

1296 609 H1

SHIM, LINER - .020 IN

-2шт.

|$55

1281 054 H1

SHIM, LINER - .031 IN

-2шт.

Выбрано товаров: 0