Запчасти Komatsu WA600-1LC LUBE МАСЛ. ФИЛЬТР СИСТЕМА СМАЗКИ МАСЛ. СИСТЕМА

Схема запчастей Komatsu WA600-1LC - LUBE МАСЛ. ФИЛЬТР СИСТЕМА СМАЗКИ МАСЛ. СИСТЕМА
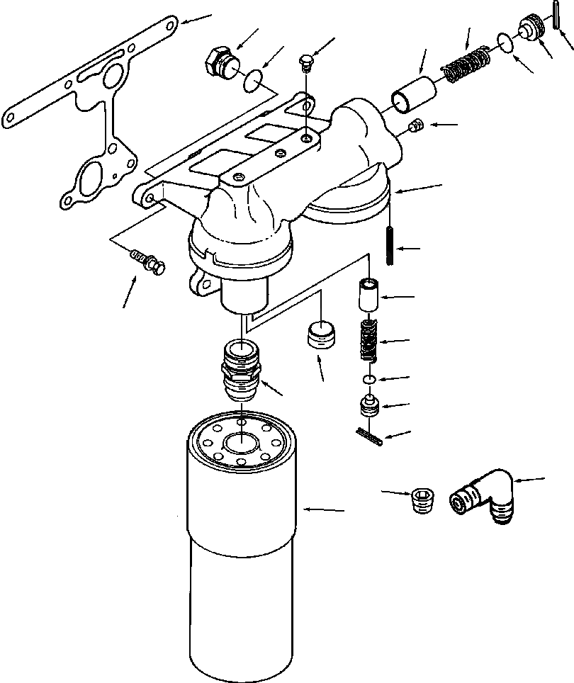
2
6
18
15
19
7
5
3
13
11
16
5
8
1
10
17
12
9
14
4
21
22
20
FIT
1:1
100%

Артикул

Название

Примечание

Количество

1

1239 759 H1

BOLT, W/WASHER - 3/8-16 X 1 1/4

6шт.

2

1239 893 H1

GASKET, LUBE OIL FILTER COVER

1шт.

3

1240 037 H1

PLUG, RETAINER

1шт.

4

1238 381 H1

PIN, ROLL

1шт.

5

1238 709 H1

PIN, ROLL

2шт.

6

1238 710 H1

SPRING, COMPRESSION

1шт.

7

1238 711 H1

PLUNGER, BYPASS VALVE

1шт.

8

1238 712 H1

PLUNGER, PRESSURE REGULATOR

1шт.

9

1238 713 H1

PLUG, RETAINER

1шт.

10

1239 135 H1

SPRING, VALVE

1шт.

11

1239 158 H1

PLUG, PIPE

1шт.

12

1239 161 H1

PLUG, PIPE

1шт.

13

1239 594 H1

O-RING

1шт.

14

1239 676 H1

ADAPTER, FILTER HEAD

2шт.

15

1239 513 H1

PLUG, PIPE

3шт.

16

1296 160 H1

HEAD, LUBE OIL FILTER

1шт.

17

1239 901 H1

O-RING

1шт.

18

1239 920 H1

PLUG, THREADED

1шт.

19

1241 538 H1

O-RING

1шт.

20

1239 943 H1

ELEMENT, LUBE OIL FILTER

2шт.

21

1237 992 H1

ELBOW, MALE ADAPTER

1шт.

22

1241 426 H1

BUSHING, REDUCING PIPE

1шт.

Выбрано товаров: 0